Friday, September 13th, 2024 AT 10:34 AM
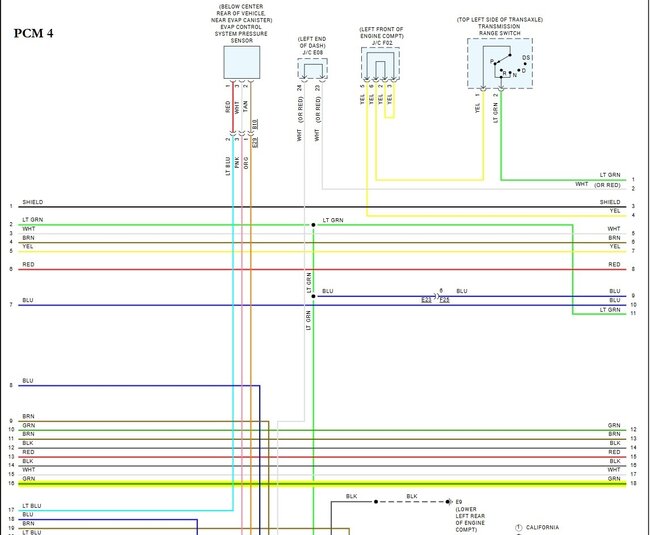
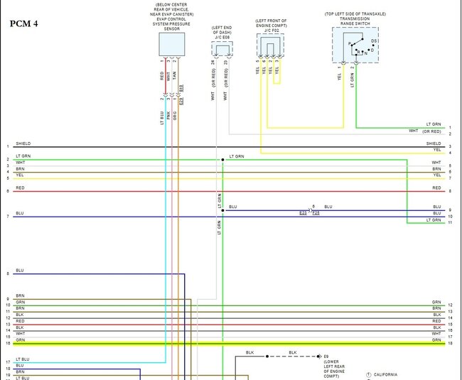
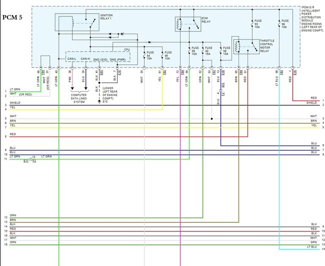
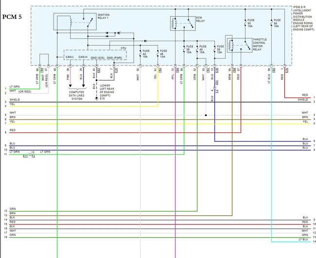
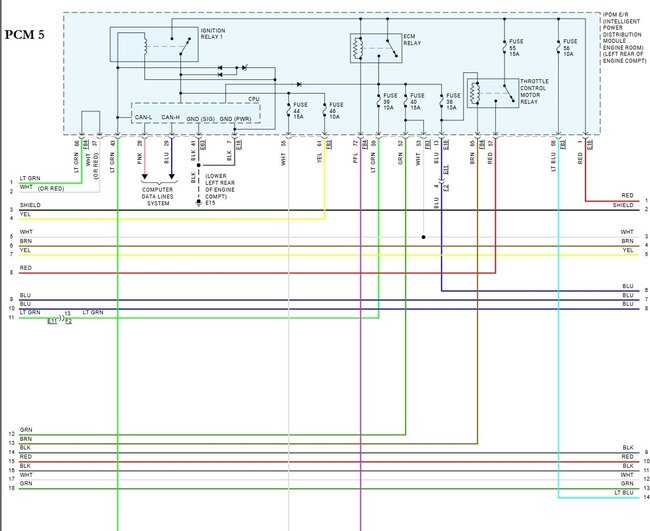
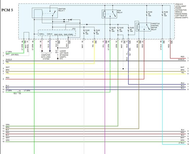
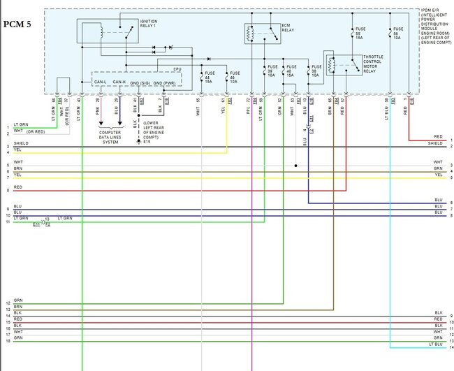
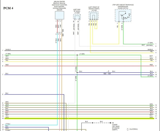
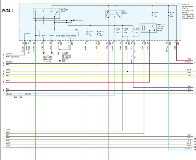
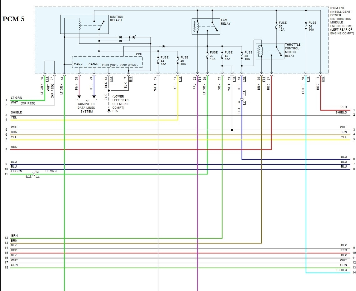
I need to replace the engine wire harness in my car listed above SV. Having a hard time finding a diagram for inserting the new harness? Harness is part #20411-9HS3A














