Engine turns over but won't start

Tiny
JASON7881
  • MEMBER
  • 2004 CHEVROLET CAVALIER
  • 0.6L
  • 4 CYL
  • FWD
  • AUTOMATIC
  • 75,000 MILES
Where is the crankshaft sensor located? I heard that was the problem.
Wednesday, September 3rd, 2014 AT 6:55 PM

2 Replies

Tiny
CARADIODOC
  • MECHANIC
  • 34,491 POSTS
Hello,

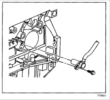
It is located on the engine block down low here is a guide to help you see what you are in for when doing job.

https://www.2carpros.com/articles/crankshaft-angle-sensor-replacement

Here is the location on your car

Check out the diagrams (Below)

Please let us know if you need anything else to get the problem fixed.

Cheers
Was this
answer
helpful?
Yes
No
Wednesday, June 16th, 2021 AT 3:31 PM
Tiny
JASON7881
  • MEMBER
  • 1 POST
I did the sensor started right up :)
Was this
answer
helpful?
Yes
No
Wednesday, June 16th, 2021 AT 3:31 PM

Please login or register to post a reply.