Monday, January 26th, 2015 AT 11:04 AM
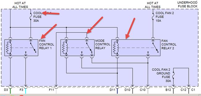
I noticed one day that the coolant temp gauge, although working wasnt giving a reading as the car came to temperature. Also noticed that the fans run non stop while the car is running. I replaced the coolant temp sensor and wiring and the problem remains. I also installed a new thermostat weeks ago so I know that inst the problem. I have read that there is a separate part that is called the coolant temp sending unit that I believe is what controls the gauge. Can anyone tell me where this coolant temp sending unit is located? Autozone has the part I just dont know where its located to replace it. Thank you




