Engine starts in ignition run position

Tiny
INDIANAMARK
  • MEMBER
  • 2004 CHEVROLET SILVERADO
  • 5.3L
  • V8
  • 4WD
  • AUTOMATIC
  • 300,000 MILES
When key is turned from off to run, the starter engages without reaching the run position. I have changed the starter relay and the ignition switch. I could use some advice on why my starter is being powered in the run position? Thanks.
Monday, January 22nd, 2018 AT 10:20 AM

2 Replies

Tiny
KEN L
  • MASTER CERTIFIED MECHANIC
  • 55,450 POSTS
Hello,

The only thing I can think of is the wiring is messed up somehow or the PCM needs to be replaced. Lets check the power wires first to make sure nothing is crossed.

Here is a guide to help you see if there is power coming from the ignition switch when it is not suppose to:

https://www.2carpros.com/articles/how-to-use-a-test-light-circuit-tester

If there is not power and the starter engages it is a PCM problem and it needs to be replaced.

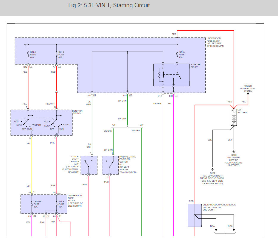
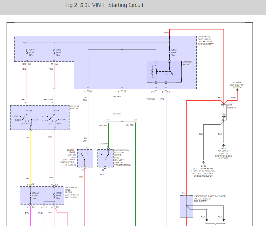
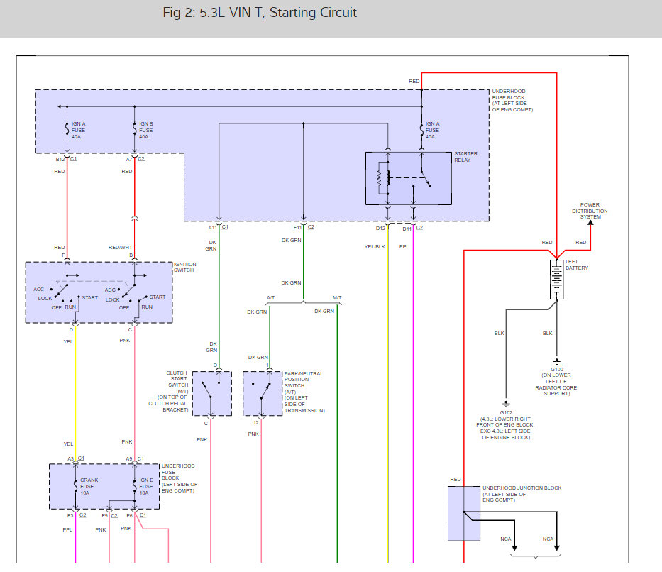
Below is the starter wiring diagrams and PCM location which you will need a shop to program for you.

Check out the diagrams (below).

Please let us know what you find. We are interested to see what it is.

Cheers, Ken
Was this
answer
helpful?
Yes
No
+1
Tuesday, January 23rd, 2018 AT 11:10 AM
Tiny
INDIANAMARK
  • MEMBER
  • 5 POSTS
Thanks so much. I will tackle this in a week and report back.
Was this
answer
helpful?
Yes
No
Tuesday, January 23rd, 2018 AT 11:55 AM

Please login or register to post a reply.