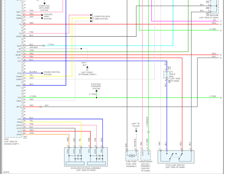
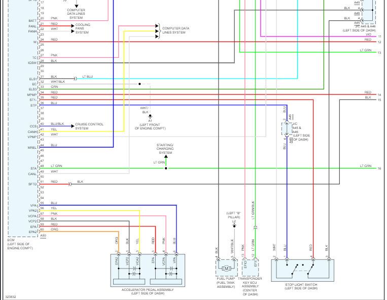
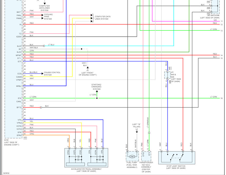
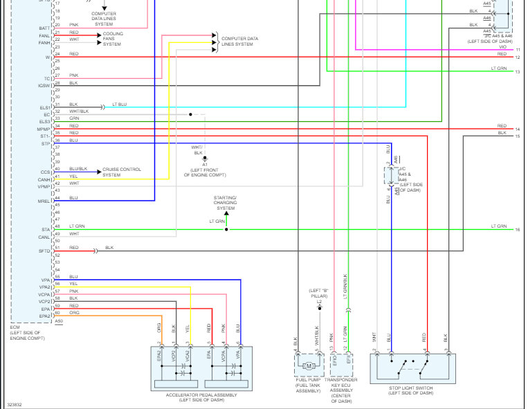
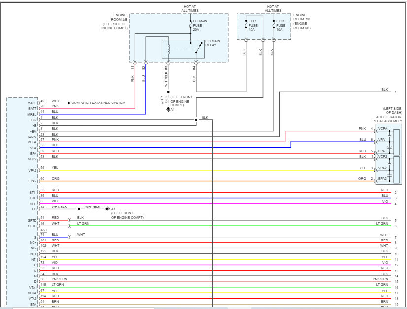
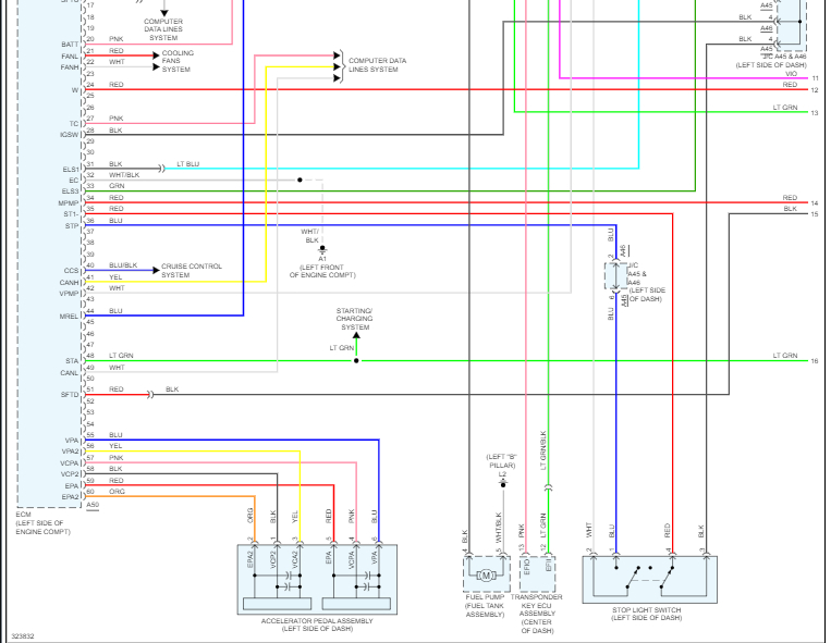
The transmission is not shifting properly. After scanning the vehicle there is no code found on the memory but there are some wires that have been interchange on some of the system because most of the connectors has gotten broken.
Please could I have the complete wire diagram for the transmission and Engine. Thank you.
Wednesday, August 2nd, 2023 AT 12:09 AM















