Tuesday, August 7th, 2018 AT 8:23 AM
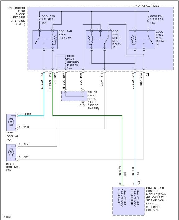
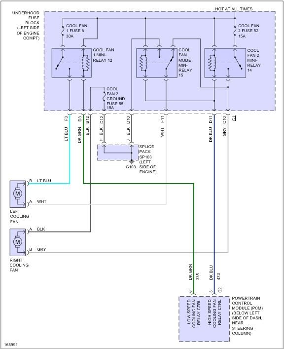
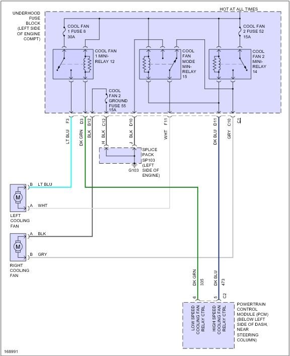
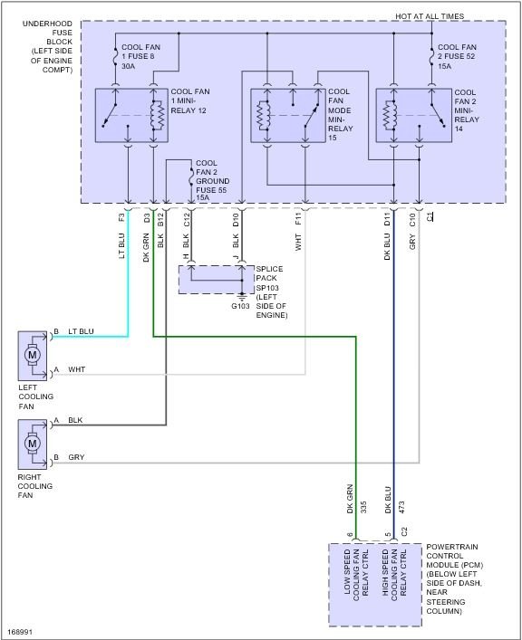
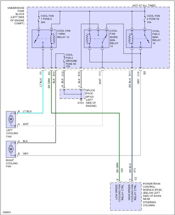
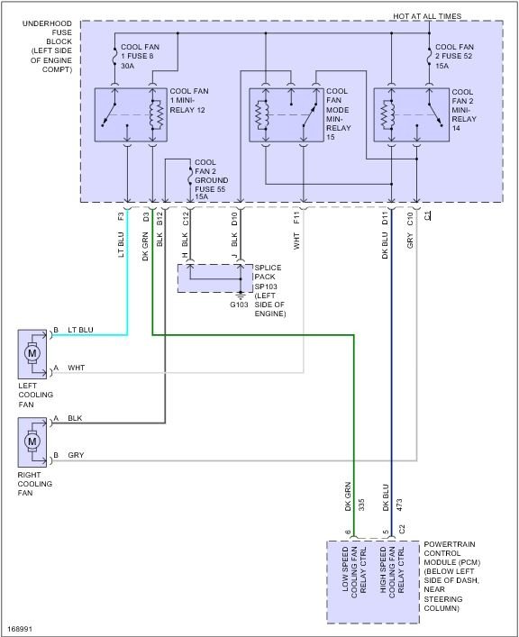
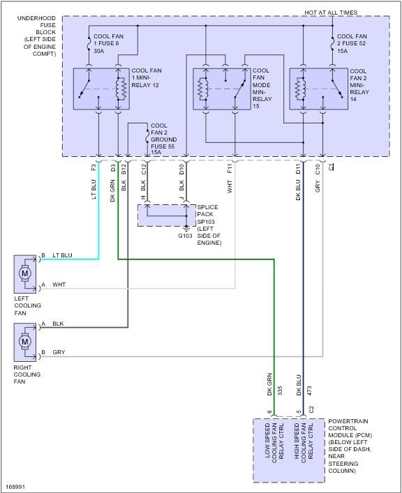
The car itself overheats even after new water pump was installed, thermostat was installed, all relays and fuses were checked, system was bled out. Today I noticed the fans were not working. But would work if you turn the AC unit on. And if you turn the AC unit off the fan switch continue to work. Question is, why will the cooling fans not turn on when the temperature which is the point to need the cooling fans to be activated?


