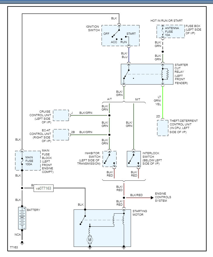
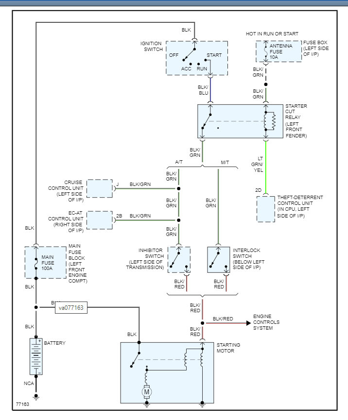
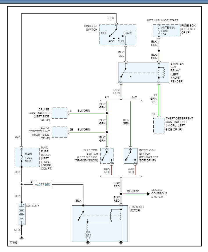
Saturday, April 23rd, 2022 AT 5:07 PM
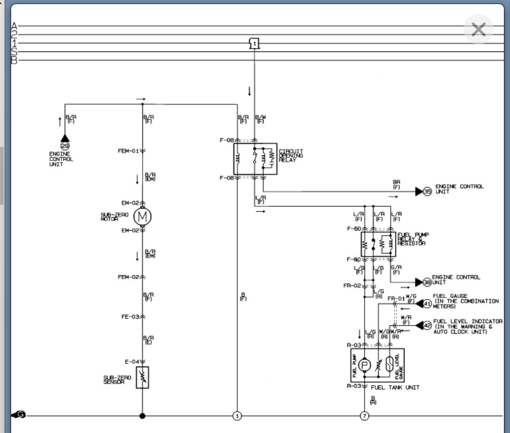
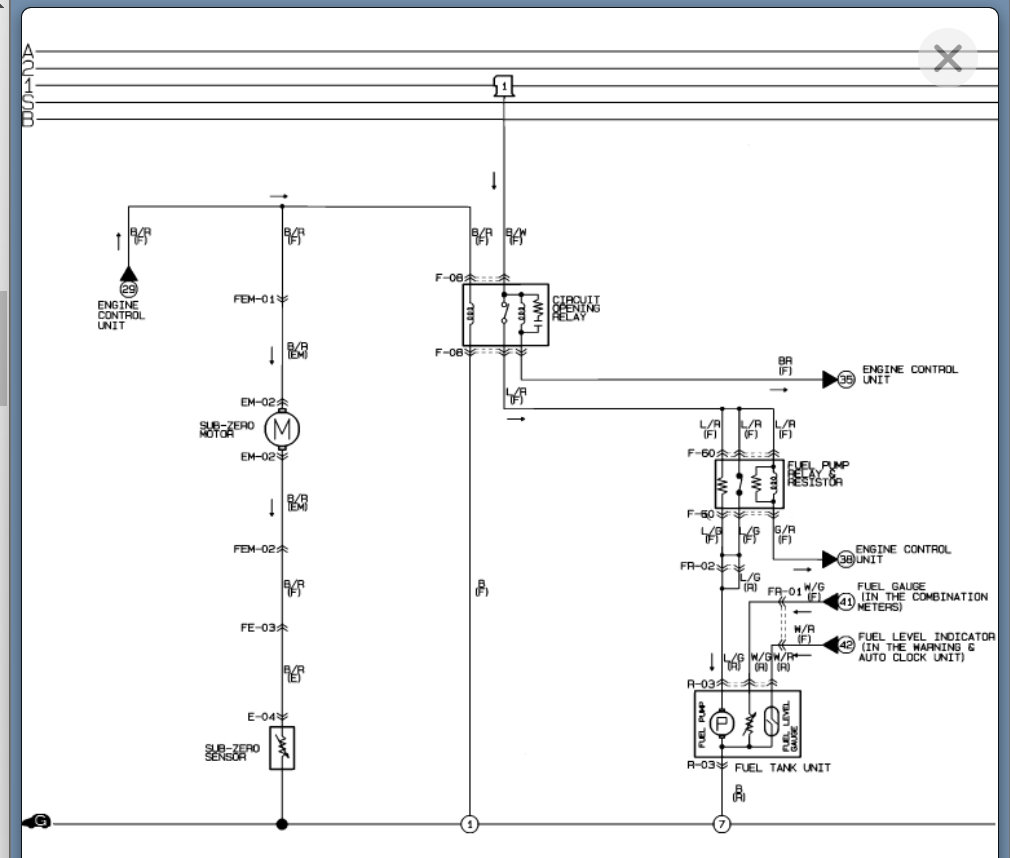
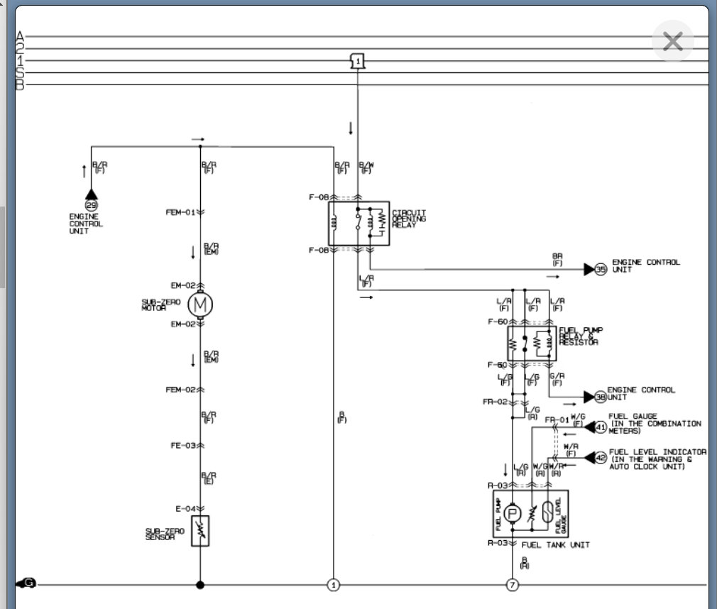
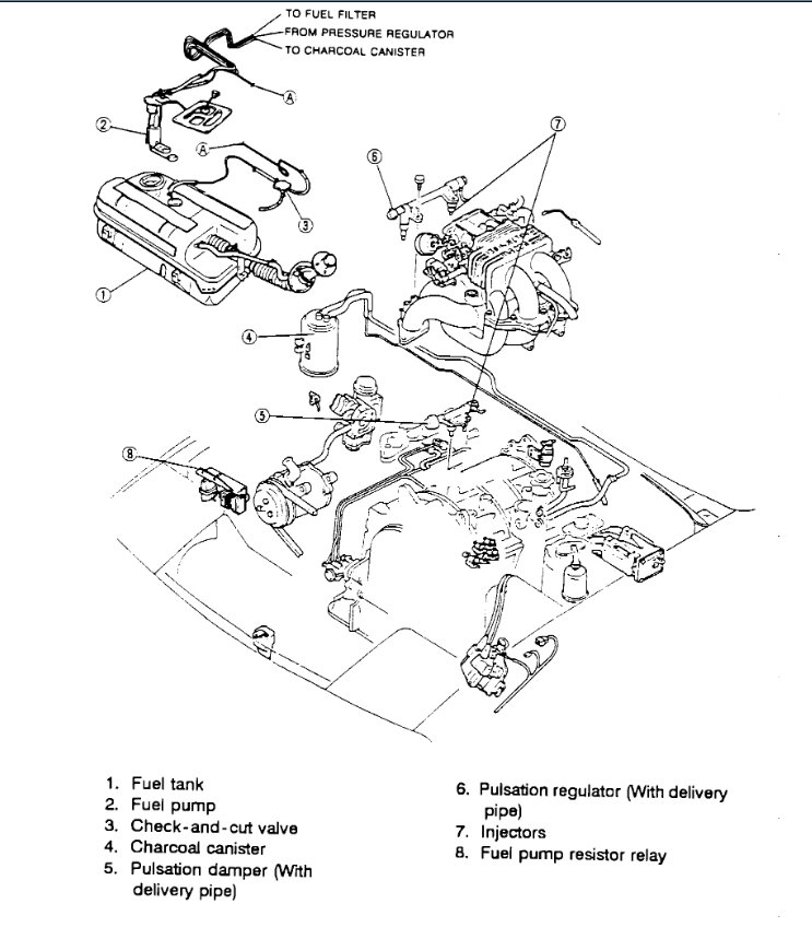
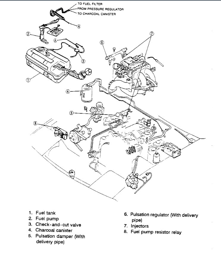
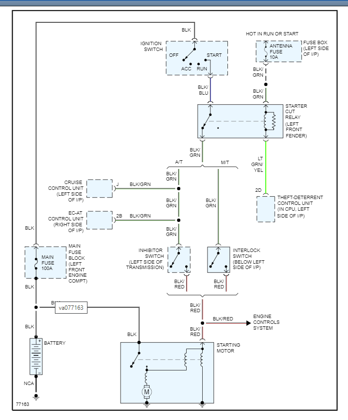
Vehicle sat for 20 years. When originally received it tried to turn it over and stopped to clean out gas tank and blow out lines. Now the car will not turn over. Can I get a wiring diagram and location of any starter relays or fuses?








