The engine of the vehicle was not starting?

Tiny
BLESSING EWOBOR
  • MEMBER
  • 2001 MERCEDES BENZ C180
  • 1.8L
  • 4 CYL
  • 2WD
  • AUTOMATIC
  • 354,356 MILES
Hello, the engine of the vehicle was not starting, after diagnosis it was observed that the insulator on the wire harness was bad. The harness had been replaced but it seems that some connections are not right somewhere.
Could I get the circuit diagram of the engine?
Thank you very much.
Tuesday, November 19th, 2024 AT 11:15 AM

5 Replies

Tiny
KEN L
  • MASTER CERTIFIED MECHANIC
  • 55,522 POSTS
I would find out if you are missing fuel or spark.

Here is a video that should help:

https://www.youtube.com/watch?v=lXLJbuAZ4CE&t

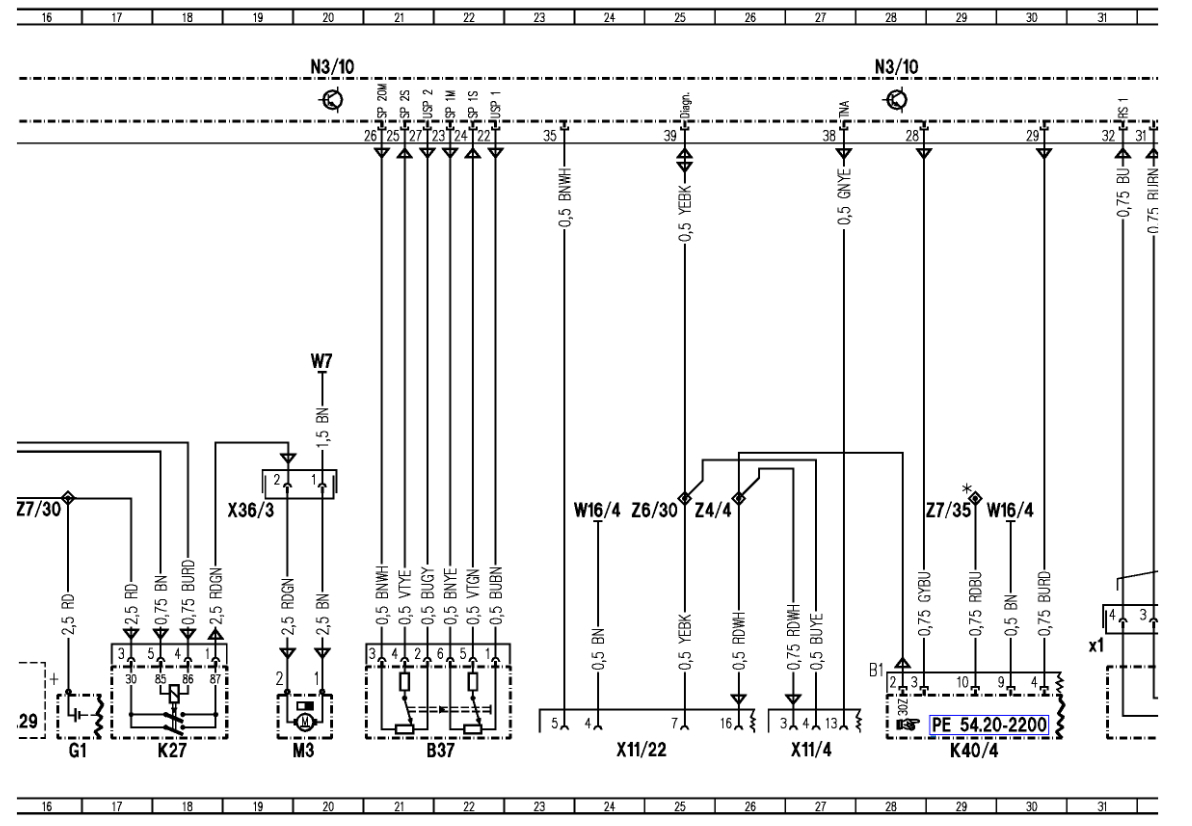
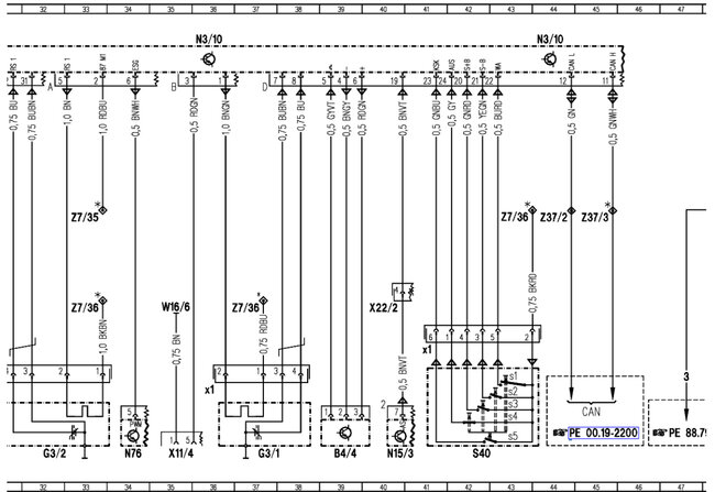
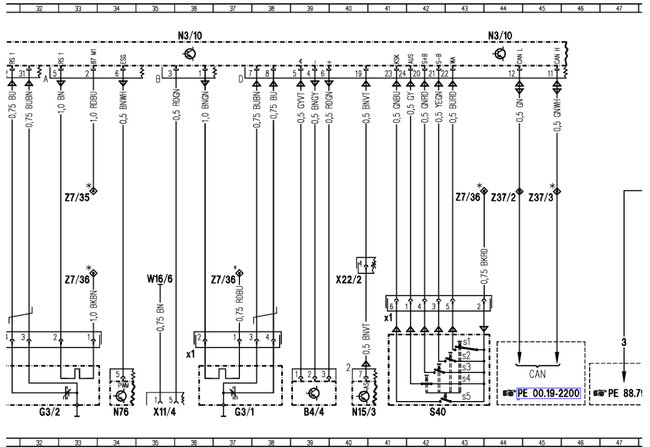
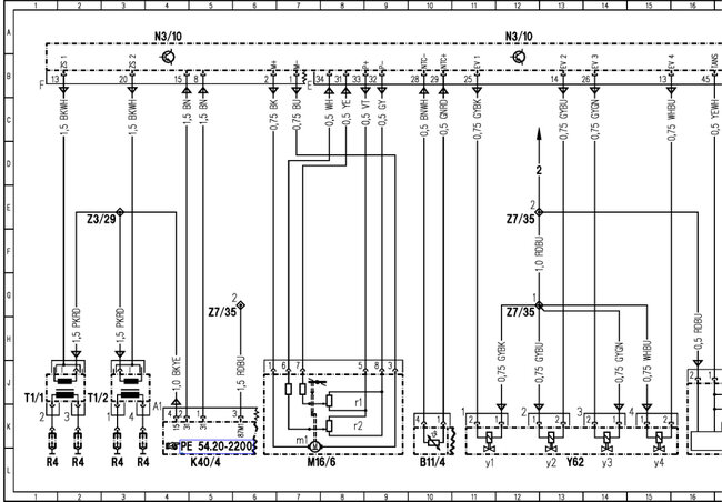
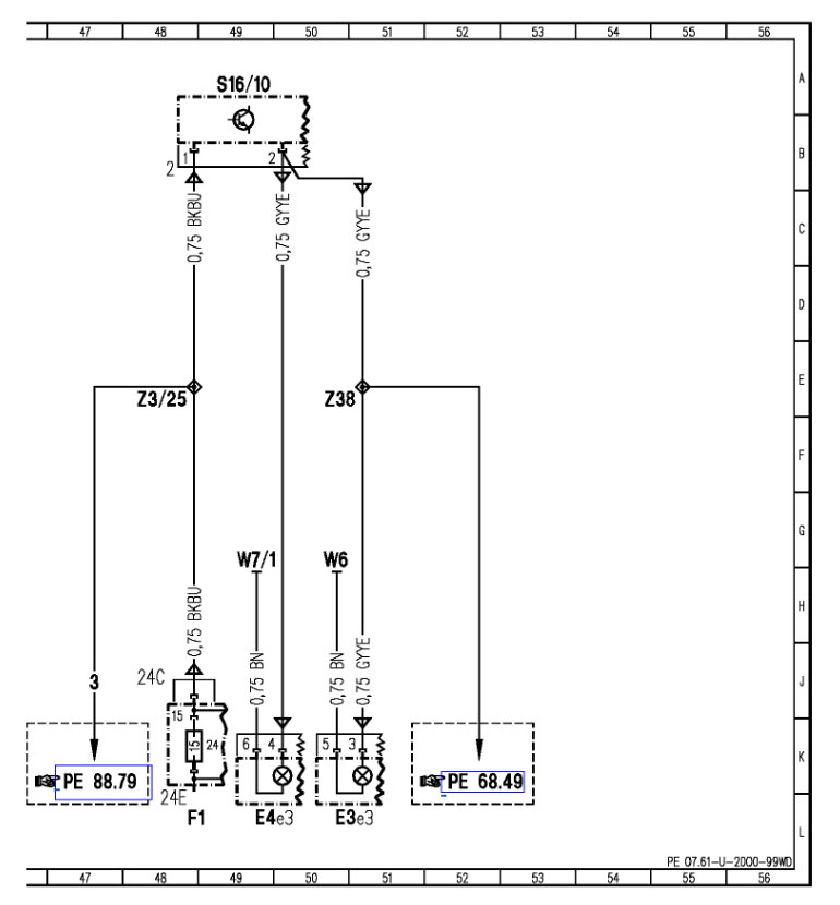
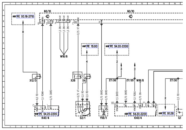
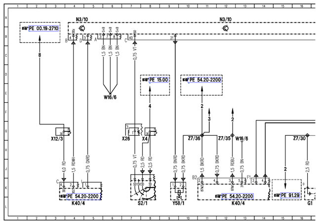
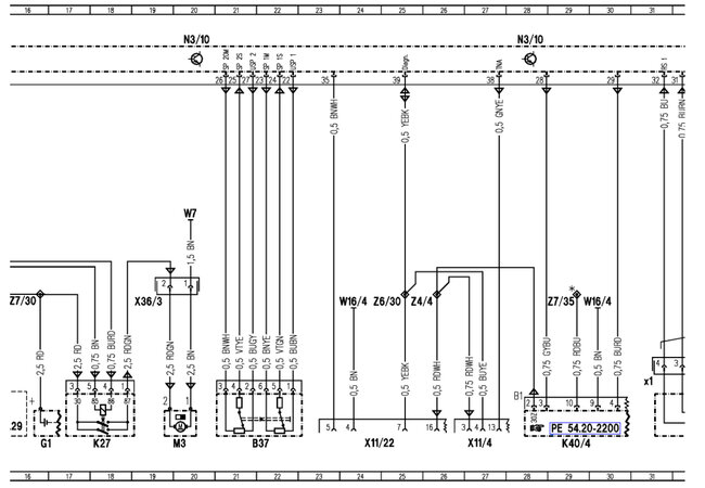
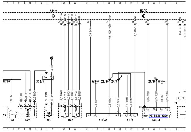
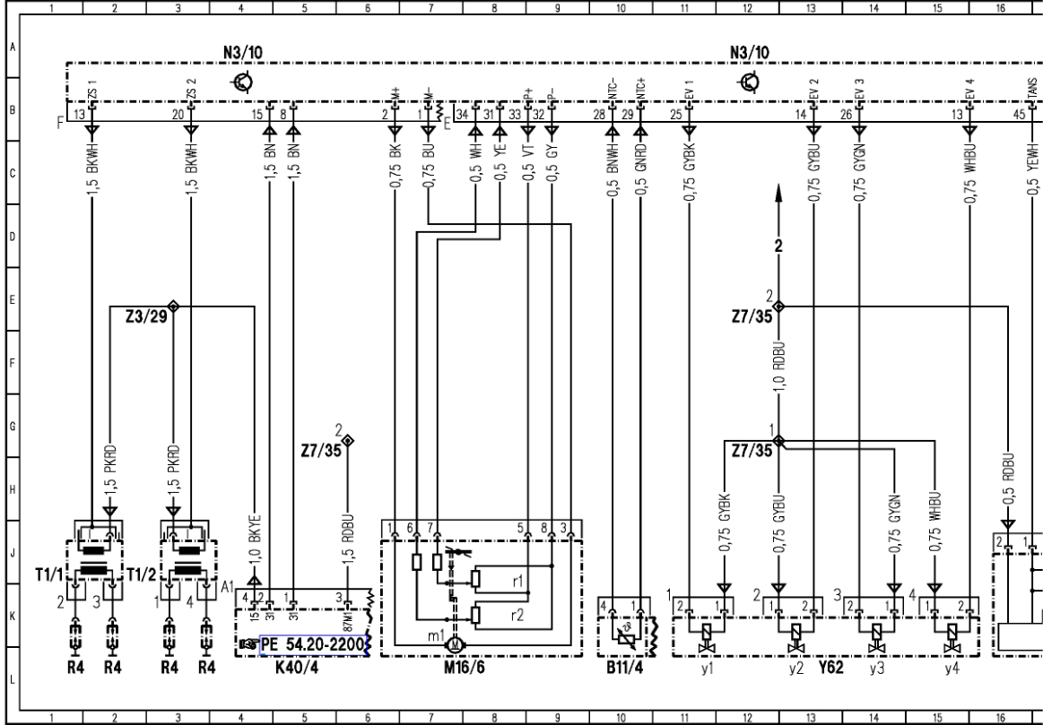
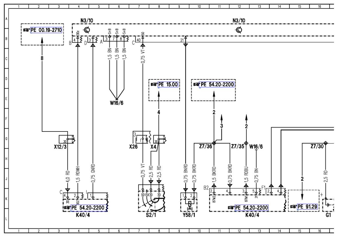
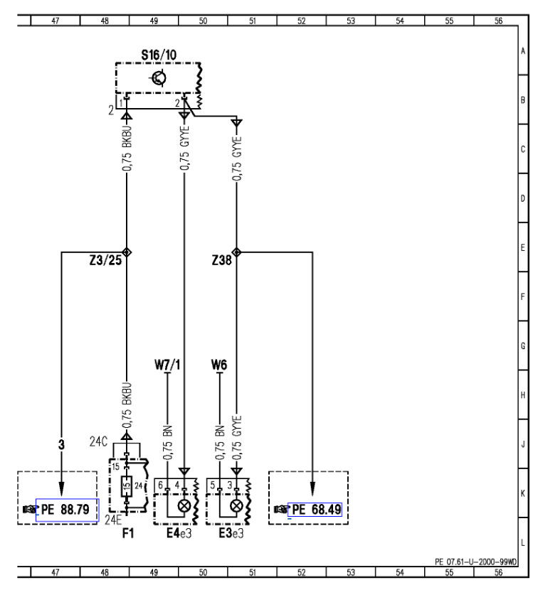
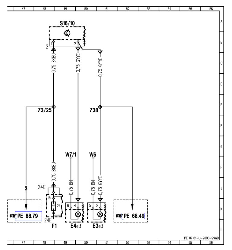
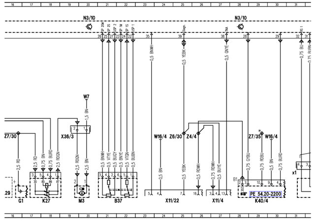
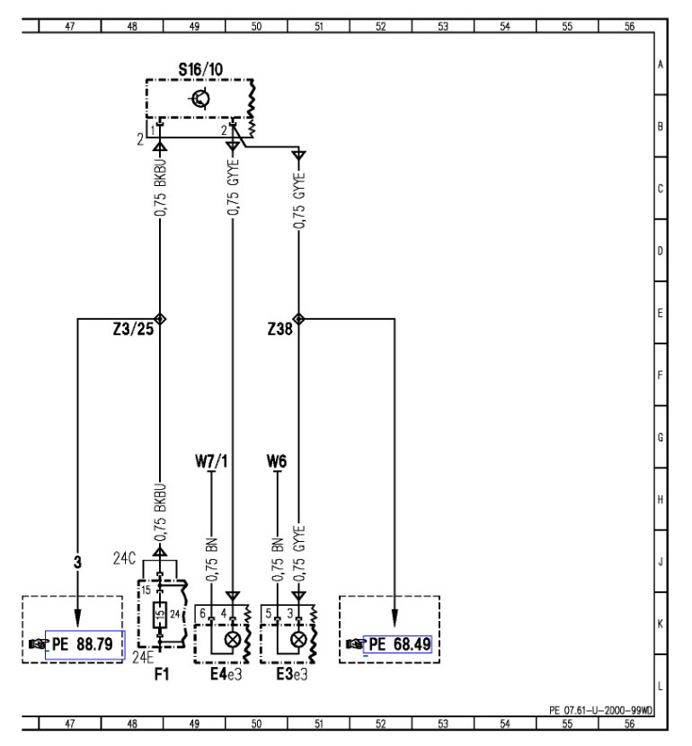
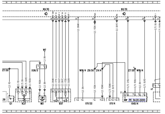
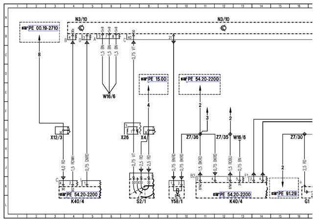
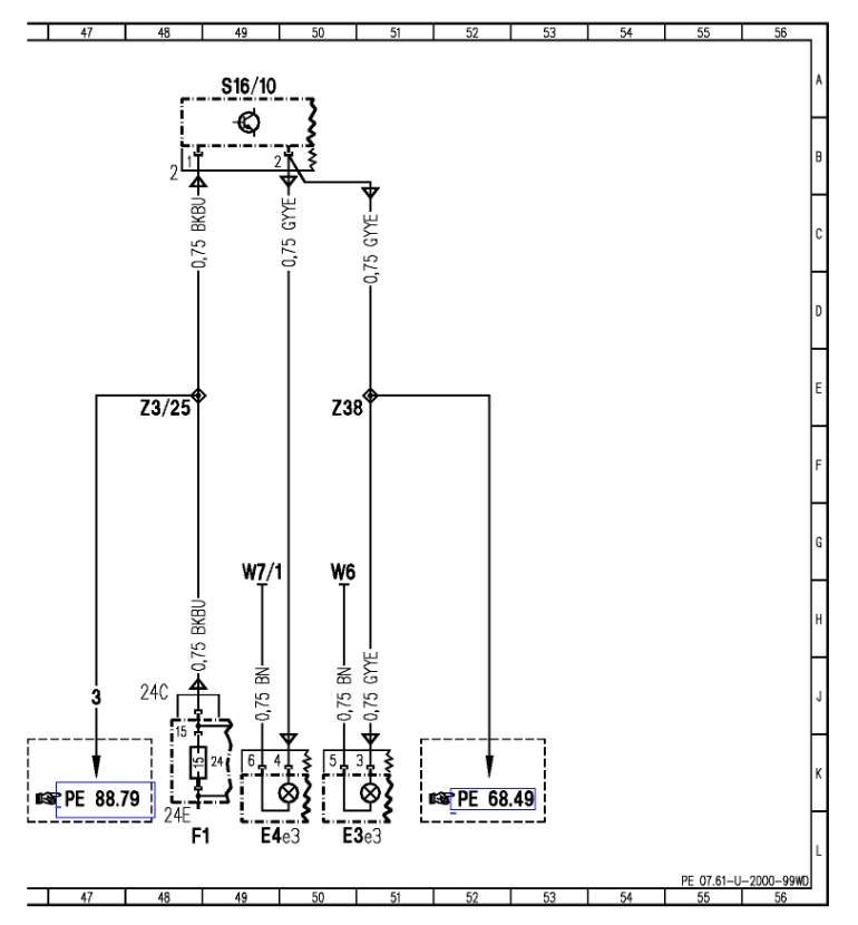
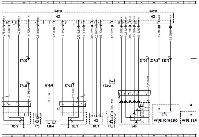
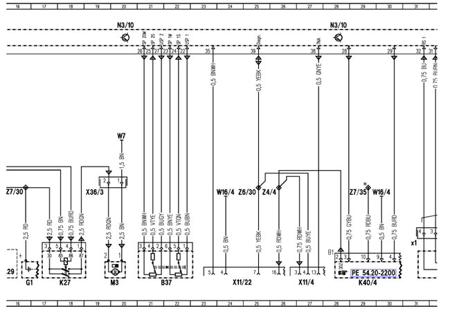
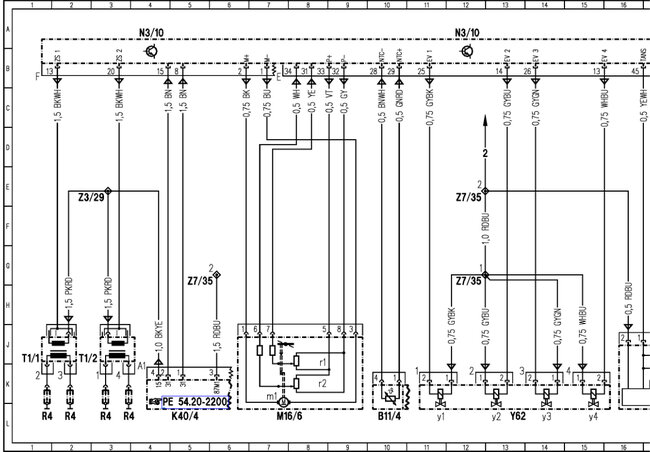
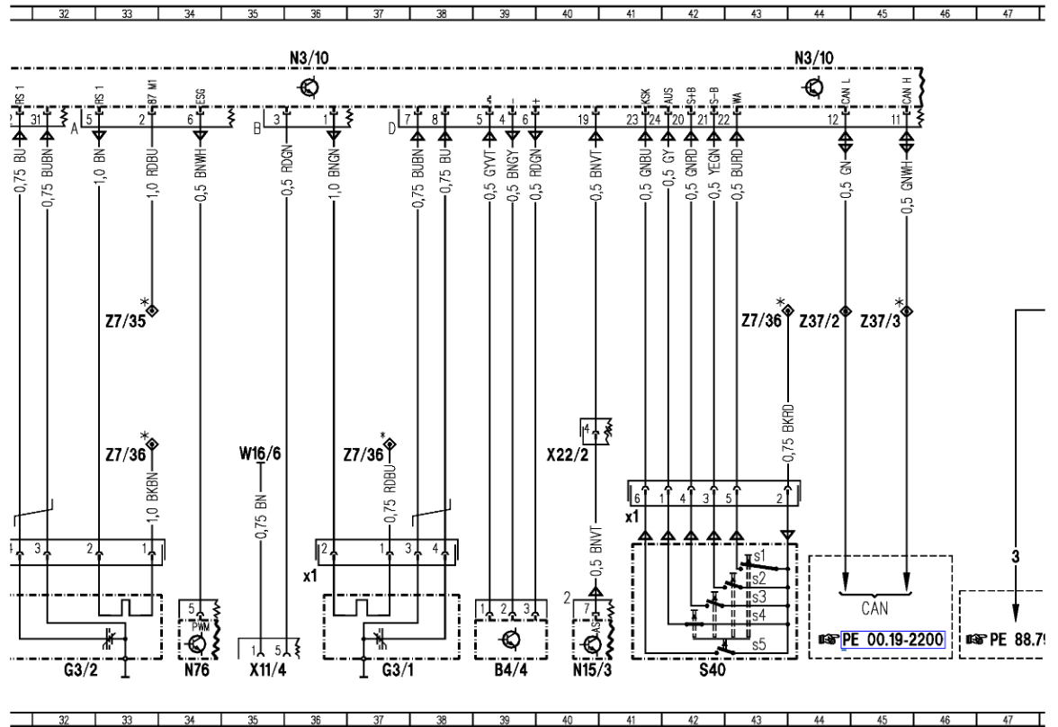
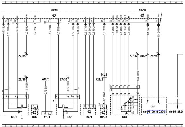
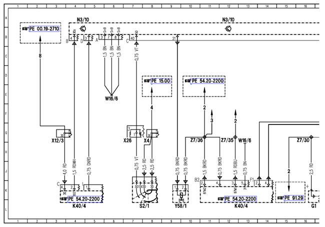
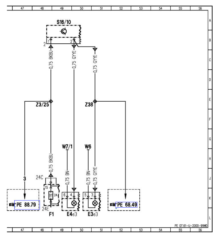
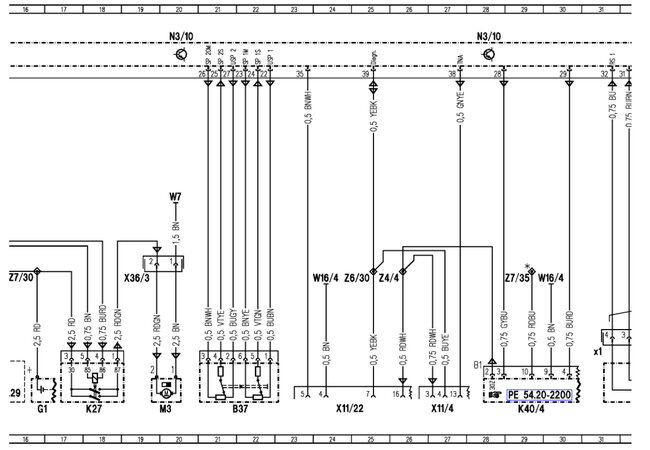
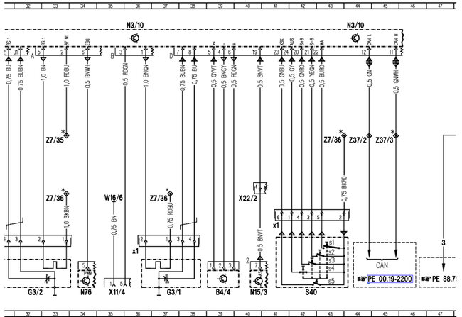
Here is a guide to help with the wiring testing and I have included the engine wiring diagrams as requested. Check out the images (below). Please let us know what happens.
Was this
answer
helpful?
Yes
No
Tuesday, November 19th, 2024 AT 1:45 PM
Tiny
BLESSING EWOBOR
  • MEMBER
  • 754 POSTS
Thank you very much.

From the diagram that was sent, it seems that it is different from what I have here (on the vehicle). Fuel injectors 1 and 2 share the same signal wires, fuel injectors 3 and 4 share the same signal wire but from the diagram sent (Y62), each fuel injector has individual signal wires from the ECU. It is that someone has worked on the connections before now or that is how it supposed to be on the vehicle?
Was this
answer
helpful?
Yes
No
Tuesday, November 19th, 2024 AT 8:26 PM
Tiny
BLESSING EWOBOR
  • MEMBER
  • 754 POSTS
The vehicle looks like this.
Was this
answer
helpful?
Yes
No
Tuesday, November 19th, 2024 AT 8:32 PM
Tiny
KEN L
  • MASTER CERTIFIED MECHANIC
  • 55,522 POSTS
Yep, you don't have the c180 in the states we have the c230 which is as close as I can get for the engine wiring diagrams. Will it run on starting fluid? Please go over this video to help you see what we are missing to have the engine run:

https://www.youtube.com/watch?v=lXLJbuAZ4CE

Please upload pictures or videos in your response of any problems so we can see what to help you with.
Was this
answer
helpful?
Yes
No
Thursday, November 21st, 2024 AT 10:07 AM
Tiny
BLESSING EWOBOR
  • MEMBER
  • 754 POSTS
Thank you.
Was this
answer
helpful?
Yes
No
Friday, November 22nd, 2024 AT 5:33 PM

Please login or register to post a reply.