Tuesday, November 21st, 2023 AT 9:26 AM
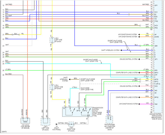
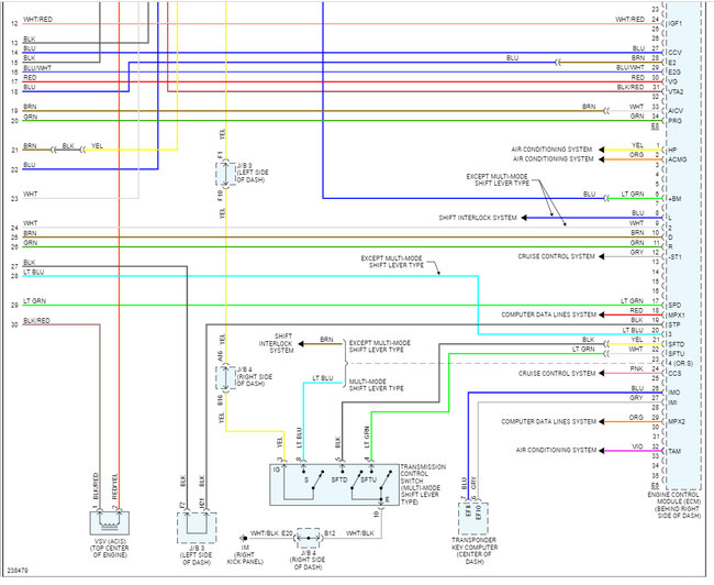
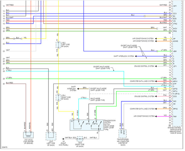
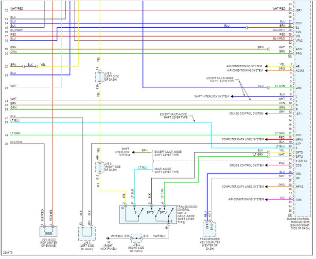
When the vehicle was scanned, the code on its memory is P2135. When I checked the live data, the valves of the acceleration pedal were changing as the gas pedal is stepped on but there is no change in voltage on the throttle position sensor on the scanner tool. What could be the cause? Could I have the engine performance wire diagram? Thank you






















