Wednesday, July 19th, 2023 AT 12:00 PM
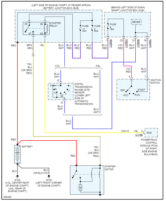
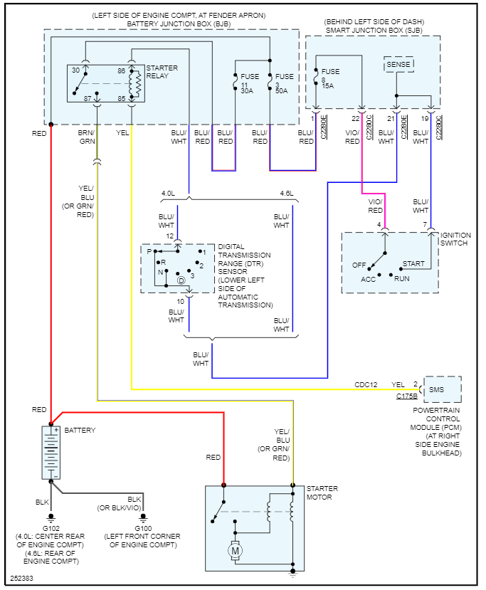
Back in March of this year I got the best gift ever and the only thing in world that means everything to me is my mom's 2007 Ford Explorer Eddie Bauer Edition. She has passed away in 2021 from a massive heart attack. In November of last year my step dad passed away from a heart attack. In March of this year, I was given her Ford Explorer that I drove cross country from Illinois to Las Vegas and it ran great whole trip and after I got home still no issues until just about 2 weeks ago. I stopped at a truck stop to use restroom shut truck off went inside came out and turned key to start truck and nothing. Full function of everything else dash lights up for full power to everything else but engine isn't cranking at all. I thought it was the alternator I replaced it. And did same thing turn the key and nothing just a click from power distribution panel. Then I cross jumped started and engine cranked up. Had wife turn the key to start the truck and I cross jumped it and truck fired over truck ran as long as didn't turn off. When shut it off had same issue when going to start it turn the key nothing just clicks under hood. Replaced starter with new one and still same issue was able cross starter and truck fired over immediately shut off truck and get nothing but click from starter relay but truck not cranking over. Removed all power connections from battery to starter and cleaned them all up with wire brush and sandpaper to give them clean contact and rechecked all wiring to assure they all was nice and tight. But now this morning I ran a wire from battery and touched small wire on starter and engine starts cranking over. Any advice on where to head from here would be greatly appreciated. You guys helped me a few months back with my no taillight issue on my GMC Suburban. I can send a video of my issue in a little while when I get home.







