Engine not cranking on neutral?

Tiny
BLESSING EWOBOR
  • MEMBER
  • 2005 FORD F-150
  • 4.4L
  • 2WD
  • AUTOMATIC
  • 365,436 MILES
Hello, the vehicle is not cranking when the gear lever is in Park, it cranks when it is in neutral. I connected the scanner, on the live data, I checked the transmission range it was in P, when the vehicle is on park, simply mean that the PCM could read that the vehicle is in Park but it still doesn't crank.
What could be the cause?
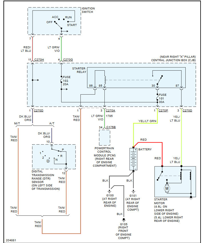
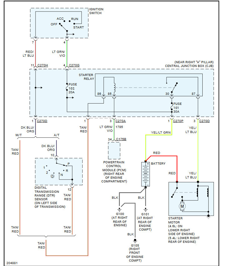
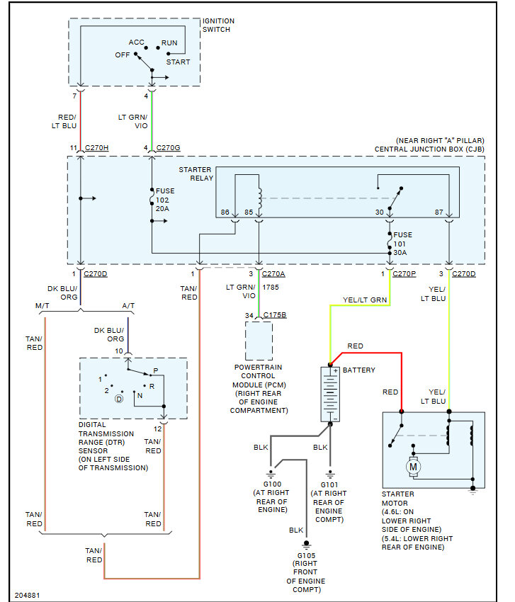
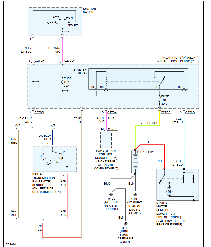
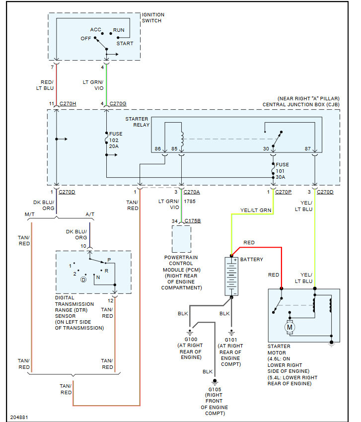
Could I get a diagram for the starting system?
Monday, January 13th, 2025 AT 12:24 PM

3 Replies

Tiny
KEN L
  • MASTER CERTIFIED MECHANIC
  • 55,488 POSTS
I would say the transmission digital range sensor is bad. It has a different input to the PCM than the starting circuit. Check out the wiring diagrams below to see what I am talking about. Here is how to change the sensor out. Check out the images (below). Please let us know what happens.
Was this
answer
helpful?
Yes
No
Tuesday, January 14th, 2025 AT 11:10 AM
Tiny
BLESSING EWOBOR
  • MEMBER
  • 754 POSTS
Thank you.
Was this
answer
helpful?
Yes
No
Wednesday, January 15th, 2025 AT 8:51 PM
Tiny
KEN L
  • MASTER CERTIFIED MECHANIC
  • 55,488 POSTS
You are welcome, let us know how it goes.
Was this
answer
helpful?
Yes
No
Thursday, January 16th, 2025 AT 9:39 AM

Please login or register to post a reply.