Engine hot/overheating

Tiny
WORKINSTIFFF
  • MEMBER
  • 2008 PONTIAC TORRENT
  • V6
  • AUTOMATIC
  • 150,000 MILES
I get an engine hot/AC off warning, sometimes engine overheating/engine idling and engine losing power or something like that. I have found several possible causes and such but those issues are just close to mine and I am pretty handy at these things. I am concerned about possible head gasket. There is no funky noise from the engine and it runs smooth, does not seem to be misfiring at any time. The temperature gauge does go way up, sometimes appears to stick in the hot position, but can see it go up then drop down some. So, I am guessing the thermostat is working. The fill tank level does fluctuate while I am watching it while running. Sometimes I smell antifreeze inside but not always. I had just checked things over after it sat over night, coolant level was a bit low in the fill tank plus it smelled like paint thinner/remover in the fill tank. I do not have access inside the radiator, no can on it or in the lines, just a pressure cap on the fill take. This first happened a few months ago during the winter, I released the pressure and it appeared to release a bunch of air so just thought it was air pockets. Does seem like it is leaking air when I crack open the pressure cap but only works for a few days then starts up again. If it is air then how would it be getting in? I do not see any visible leaks yet.

Please help.
Chuck
Saturday, May 26th, 2018 AT 9:25 AM

1 Reply

Tiny
JACOBANDNICKOLAS
  • MECHANIC
  • 110,192 POSTS
Hi and thanks for using 2CarPros.com. The air escaping when you open the cap is normal. The system builds pressure and it is released when you open it.

As far as the thermostat, that is my first suspect. However, start with this first if you are losing coolant:
https://www.2carpros.com/articles/radiator-pressure-test

Here are directions related to checking the thermostat:
https://www.2carpros.com/articles/how-an-engine-thermostat-works

General directions for replacing the thermostat:
https://www.2carpros.com/articles/replace-thermostat

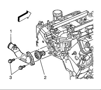
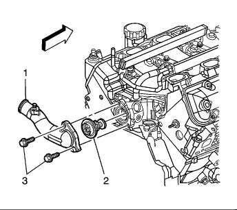
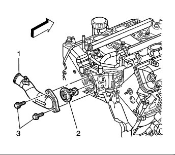
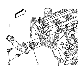
Here are directions which are specific to the 3.4L V6. I am not sure which V6 you have. The first attached picture correlates with these directions.

Engine Coolant Thermostat Replacement (RPO LNJ) (3.4L)

Removal Procedure

Remove the fuel injector sight shield. Refer to Fuel Injector Sight Shield Replacement (See: Powertrain ManagementFuel Delivery and Air InductionFuel InjectorService and Repair) .
Drain the coolant until the coolant level is below the thermostat. Refer to Cooling System Draining and Filling (LNJ Static Fill) (See: Service and Repair)Cooling System Draining and Filling (LNJ GE 47716 Fill) (See: Service and Repair)Cooling System Draining and Filling (LY7 Static Fill) (See: Service and Repair)Cooling System Draining and Filling (LY7 GE 47716 Fill) (See: Service and Repair) .
Remove the crossover exhaust pipe. Refer to Exhaust Crossover Pipe Replacement (LNJ) (See: Exhaust SystemExhaust PipeService and Repair) .
Remove the radiator hose from the thermostat housing. Refer to Radiator Inlet Hose Replacement (LNJ Chevrolet) (See: Radiator HoseService and Repair)Radiator Inlet Hose Replacement (LNJ Pontiac) (See: Radiator HoseService and Repair)Radiator Inlet Hose Replacement (LY7).
Remove the thermostat housing bolts (3) and clean any sealer from the bolt threads.
Remove the thermostat housing (1).
Remove the thermostat (2).
Clean the mating surfaces.
Installation Procedure
Install the thermostat (2).
Install the thermostat housing (1).
Install RTV sealer, GM P/N 12378478 (Canadian P/N 88900041) or the equivalent, to the thermostat housing bolt threads.
Notice: Refer to Fastener Notice .
Install the thermostat housing bolts (3).
Tighten the bolts to 25 N.m (18 lb ft).
Install the radiator hose to the thermostat housing. Refer to Radiator Inlet Hose Replacement (LNJ Chevrolet) (See: Radiator HoseService and Repair)Radiator Inlet Hose Replacement (LNJ Pontiac) (See: Radiator HoseService and Repair)Radiator Inlet Hose Replacement (LY7).
Install the crossover exhaust pipe. Refer to Exhaust Crossover Pipe Replacement (LNJ) (See: Exhaust SystemExhaust PipeService and Repair) .
Install the fuel injector sight shield. Refer to Fuel Injector Sight Shield Replacement (See: Powertrain ManagementFuel Delivery and Air InductionFuel InjectorService and Repair) .
Fill the cooling system. Refer to Cooling System Draining and Filling (LNJ Static Fill) (See: Service and Repair)Cooling System Draining and Filling (LNJ GE 47716 Fill) (See: Service and Repair)Cooling System Draining and Filling (LY7 Static Fill) (See: Service and Repair)Cooling System Draining and Filling (LY7 GE 47716 Fill) (See: Service and Repair) .
Inspect the cooling system for leaks. Repair as necessary.

If you have the 3.6L V6, here are directions specific to it. Picture 2 correlates to these directions.

CONVERSION CALCULATOR

2008 Pontiac Truck Torrent AWD V6-3.6L
Vehicle  Engine, Cooling and Exhaust  Cooling System  Thermostat  Service and Repair
SERVICE AND REPAIR
Engine Coolant Thermostat Replacement (RPO LY7) (3.6L)

Removal Procedure
Partially drain the cooling system. Refer to Cooling System Draining and Filling (LNJ Static Fill) (See: Service and Repair)Cooling System Draining and Filling (LNJ GE 47716 Fill) (See: Service and Repair)Cooling System Draining and Filling (LY7 Static Fill) (See: Service and Repair)Cooling System Draining and Filling (LY7 GE 47716 Fill) (See: Service and Repair) .
Remove the heater inlet and outlet pipes. Refer to Heater Inlet Pipe Replacement (RPO LNJ) (See: Coolant Line/HoseService and Repair)Heater Inlet Pipe Replacement (RPO LY7) (See: Coolant Line/HoseService and Repair) and Heater Outlet Pipe Replacement (RPO LNJ) (See: Coolant Line/HoseService and Repair)Heater Outlet Pipe Replacement (RPO LY7) (See: Coolant Line/HoseService and Repair) .
Remove the thermostat housing bolts (1).
Remove the housing.
Remove the thermostat (3) and discard the thermostat seal (4).
Installation Procedure
Install the thermostat (3) with a NEW thermostat seal (4).
Notice: Refer to Fastener Notice .
Install the thermostat housing bolts (1).
Tighten the thermostat housing bolts to 10 N.m (89 lb in).
Install the heater inlet and outlet pipes. Refer to Heater Inlet Pipe Replacement (RPO LNJ) (See: Coolant Line/HoseService and Repair)Heater Inlet Pipe Replacement (RPO LY7) (See: Coolant Line/HoseService and Repair) and Heater Outlet Pipe Replacement (RPO LNJ) (See: Coolant Line/HoseService and Repair)Heater Outlet Pipe Replacement (RPO LY7) (See: Coolant Line/HoseService and Repair) .
Fill the cooling system. Refer to Cooling System Draining and Filling (LNJ Static Fill) (See: Service and Repair)Cooling System Draining and Filling (LNJ GE 47716 Fill) (See: Service and Repair)Cooling System Draining and Filling (LY7 Static Fill) (See: Service and Repair)Cooling System Draining and Filling (LY7 GE 47716 Fill)

If you notice the engine does not over heat at highway speeds but rather, only when driving in town, pay attention if the cooling fans are turning on. If they do not, that will allow the engine to heat up when not moving.

Let me know if this helps or if you have other questions.

Take care,
Joe
Was this
answer
helpful?
Yes
No
-1
Saturday, May 26th, 2018 AT 8:34 PM

Please login or register to post a reply.