Engine hesitate on acceleration?

Tiny
BLESSING EWOBOR
  • MEMBER
  • 2015 LEXUS RX 350
  • 3.5L
  • 6 CYL
  • 2WD
  • AUTOMATIC
  • 233,765 MILES
The engine is hesitating when accelerating, I have scanned the vehicle but there are no fault codes on the Engine. I have checked the spark plugs and the fuel injectors, fuel pump and they are in good condition.
Please could I get the engine performance wire diagram.
Thank you
Thursday, October 5th, 2023 AT 12:34 AM

3 Replies

Tiny
BORIS K
  • MECHANIC
  • 836 POSTS
Hello,

Most common causes for hesitation under acceleration/load is a high-tension issue.
This could be caused by arcing ignition coils or spark plugs.
It could also be caused by bad fuel, blocked fuel or air filter.

A good link regarding possible causes for hesitation:
https://www.2carpros.com/articles/engine-hesitates

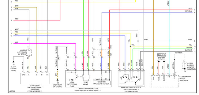
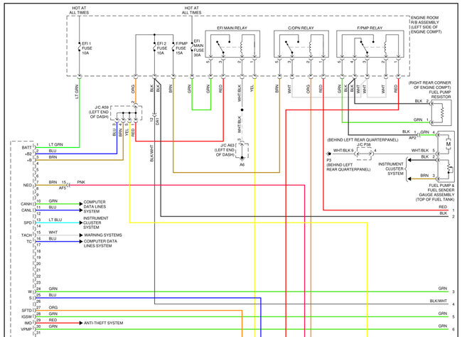
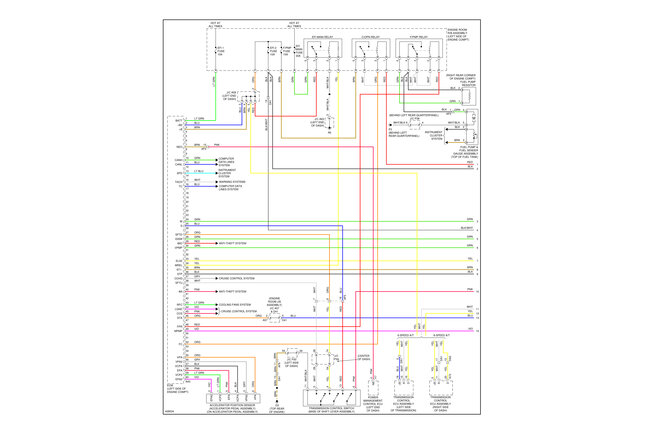
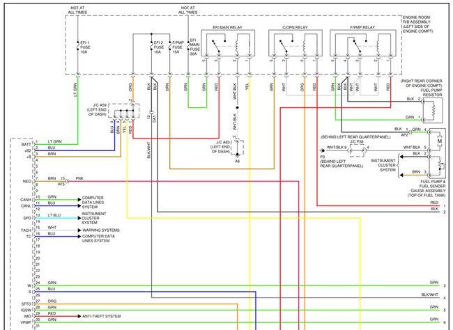
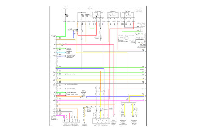
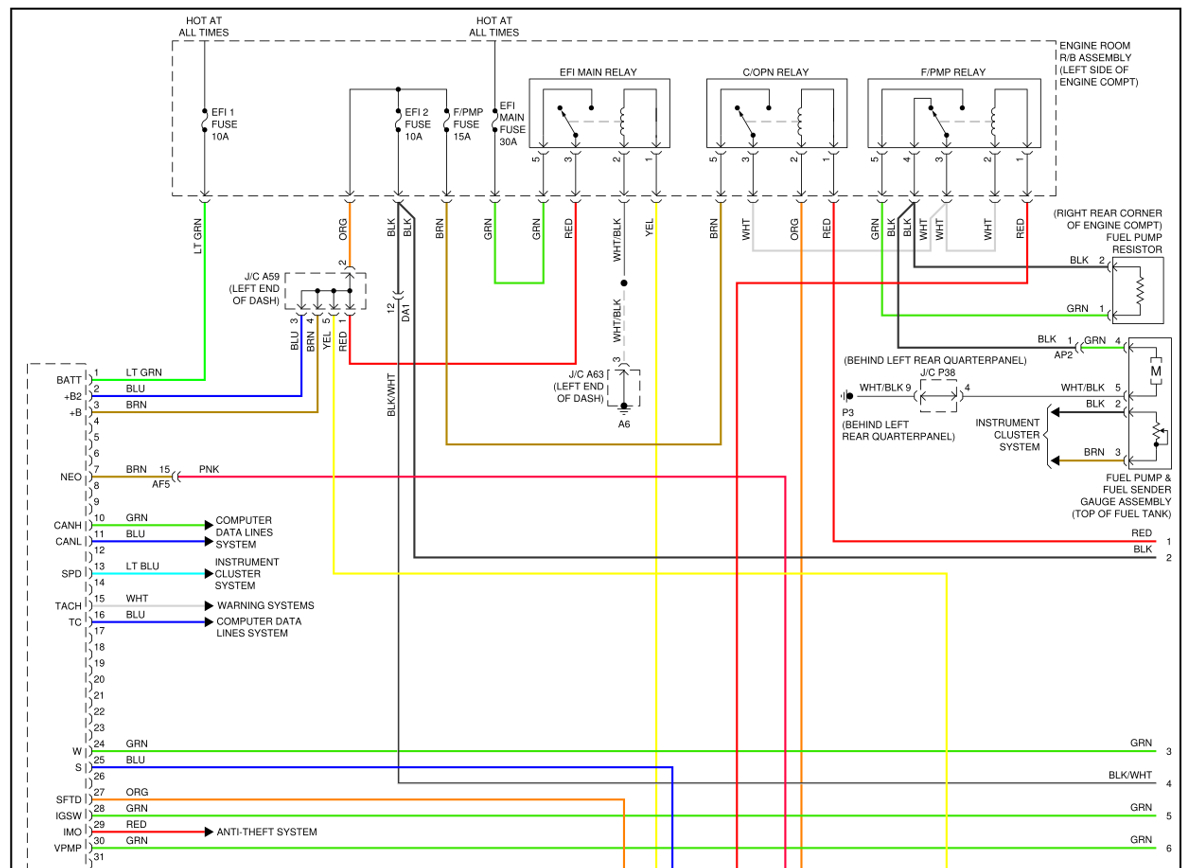
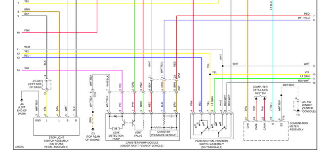
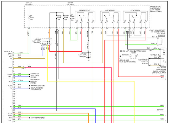
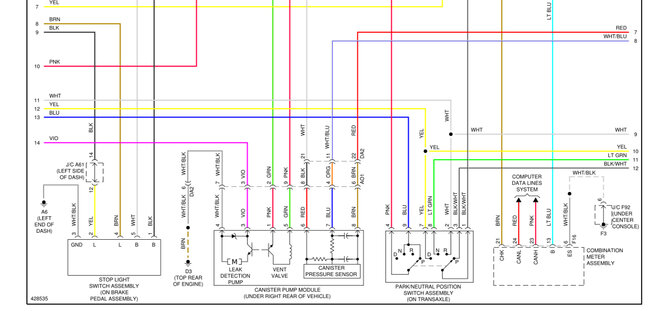
Please see images below regarding the requested diagrams.
I had to cut the images and enlarge them for better display.

Cheers, Boris
Was this
answer
helpful?
Yes
No
Thursday, October 5th, 2023 AT 4:17 AM
Tiny
BLESSING EWOBOR
  • MEMBER
  • 754 POSTS
Thank you very much for the diagrams and the article.
Was this
answer
helpful?
Yes
No
Thursday, October 5th, 2023 AT 7:26 PM
Tiny
BLESSING EWOBOR
  • MEMBER
  • 754 POSTS
The problem has been fixed.
Thank you
Was this
answer
helpful?
Yes
No
Friday, October 6th, 2023 AT 6:07 PM

Please login or register to post a reply.