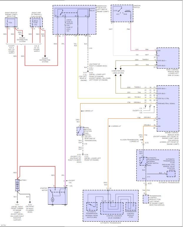
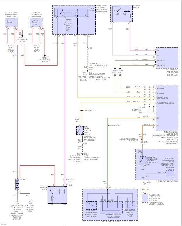
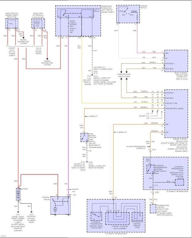
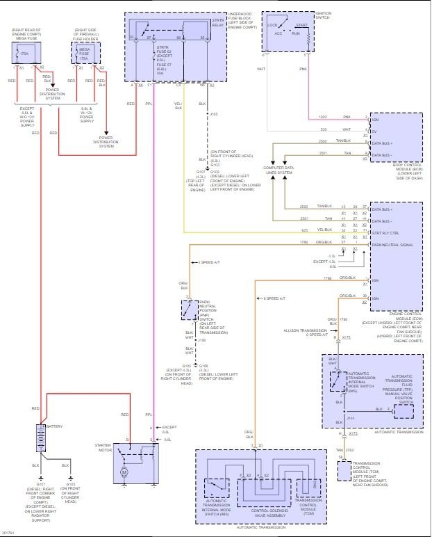
Friday, March 2nd, 2018 AT 2:25 AM
I left my job site today, while on the way home my dash lights and the radio quit, the lights and the wipers still worked. I got to my house and a hour later the truck would not turn over, lights still working and the battery is strong.




