Saturday, April 11th, 2020 AT 2:20 AM
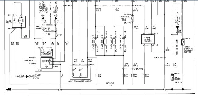
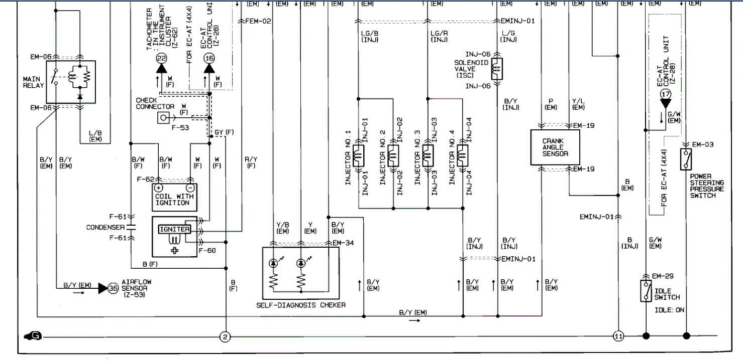
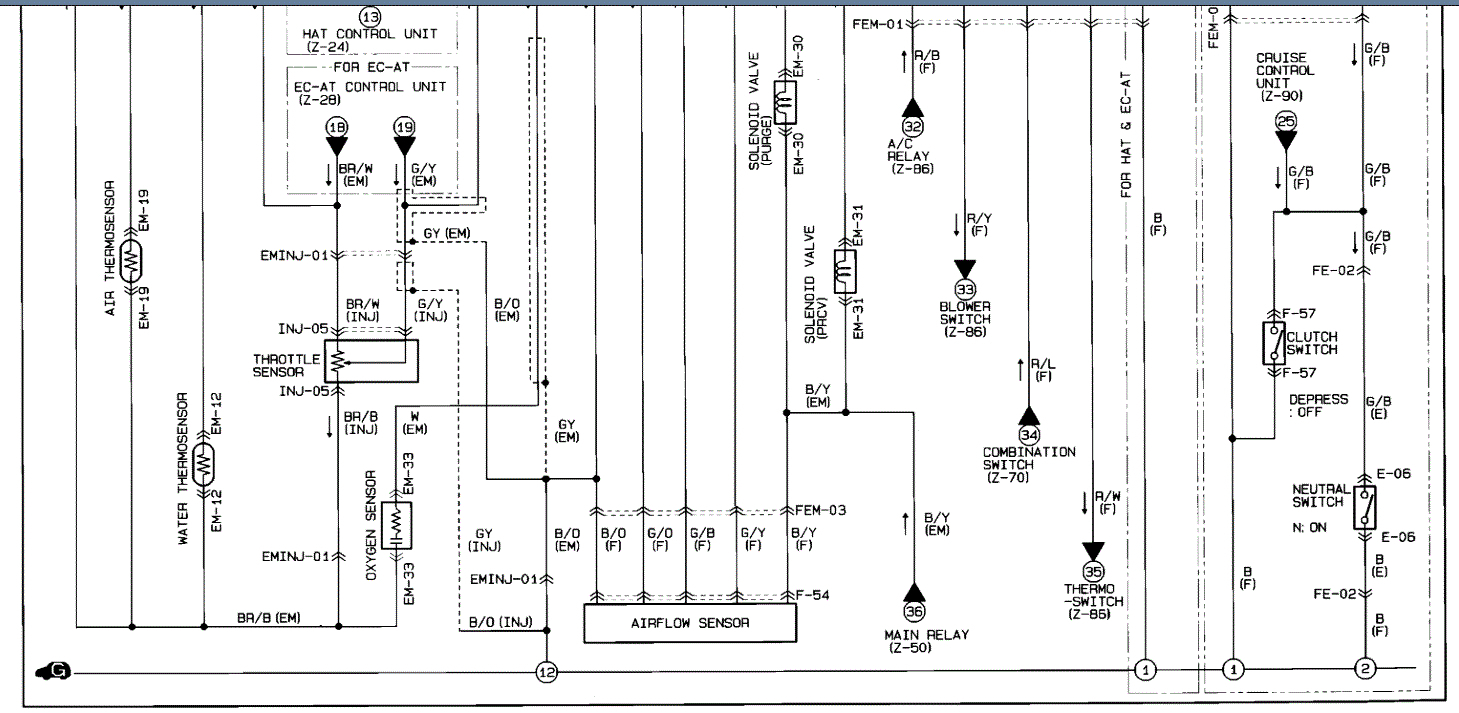
My truck cuts often sometimes when I start the engine but stationery and sometimes when moving and my foot goes off the accelerator to the crutch for change down. At First was told it was air flow sensor. But got a brand new replacement which has not solved problem. Tired cleaning injectors, changing fuel pump, spark plugs, raising idling but no change. Got an electrical mechanic to look at truck yesterday. He so that person who re-wired truck used shortcuts. Power for coil was tapped from airflow sensor. Also when he tired to follow wiring he say that there is a missing connector/relay that was by-passed. This is located inside front cabin below the center console gear lever storage box. There are two male connectors one white and one yellow that had nothing to connect to. What could this missing component/s be? See picture.















