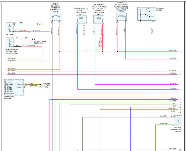
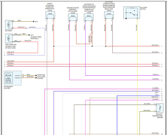
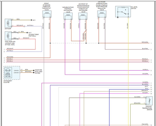
The engine of the vehicle is cranking but not starting, the engine was scanned for diagnostics trouble code, but no code was available. It was observed that fuel is not supplied to the engine. I energies the fuel pump with external battery, the fuel pump was working. However, while cranking the engine power was not available at the fuel pump. If the fuel pump connector is disconnected and probed while cranking, it will display 10v, immediately it is connected no voltage will be available to the fuel pump any longer. Removing the connector to the fuel pump and supply eternal battery voltage, then crank the engine, the vehicle engine will start running.
What could be the problem?
Could I get a wire diagram for it?
All the fuses have been checked and confirmed okay.
Thank you
What could be the problem?
Could I get a wire diagram for it?
All the fuses have been checked and confirmed okay.
Thank you
Dec 16, 2024 at 10:02 AM




