HOME
ASK A QUESTION
REPAIR GUIDES
BECOME A MEMBER
LOG IN
Login with Facebook
OR
Remember me
NOT A MEMBER?
FORGOT PASSWORD?
CONTACT US
PRIVACY POLICY
TERMS AND CONDITIONS
☰
Home
Lincoln
Navigator
Engine Cooling
Coolant Temperature Sensor
Where is the Engine Coolant Sensor located?
GEMMINYE
MEMBER
2020 LINCOLN NAVIGATOR
2.7L
V6
AUTOMATIC
62,000 MILES
Where is the engine coolant sensor location for a 2020 Lincoln Nautilus reserve?
The engine coolant over temperature light is coming on but the car was not on prior for it to be overheating.
Saturday, January 11th, 2025 AT 4:21 PM
1 Reply
CARADIODOC
MECHANIC
34,491 POSTS
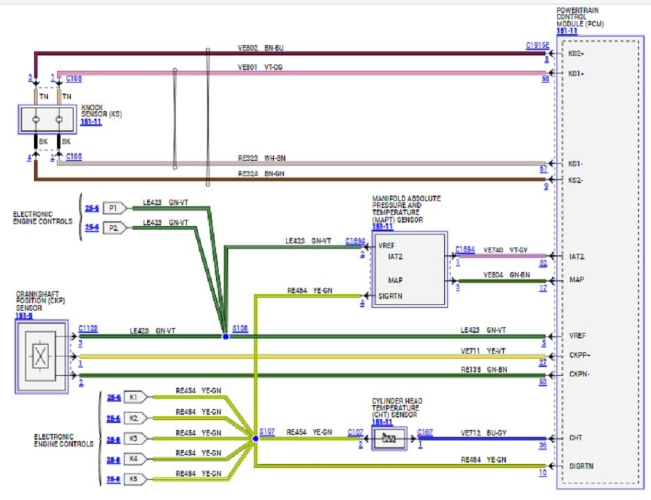
Ford no longer uses a coolant temperature sensor. Here's the procedure for the cylinder head temperature sensor for a 3.5L engine.
Images (Click to make bigger)
Was this
answer
helpful?
Yes
No
Sunday, January 12th, 2025 AT 10:03 PM
Please
login
or
register
to post a reply.
Related Coolant Temperature Sensor Content
How To Bleed Coolant On 2000 Lincoln Navigator If It...
I Just Need To Know How To Bleed Coolant For 2000 Lincoln Navigator. The To Upper Heater Hose Was Removed To Replace Bad Alternator. Does...
Asked by
Dallabil65
·
7 ANSWERS
2000
LINCOLN NAVIGATOR
Ask a Car Question. It's Free!
Coolant Temperature Sensor Symptoms
Coolant Temperature Sensor Replacement
Coolant Temperature Sender Replacement