No crank no start issue

Tiny
SACFOX186
  • MEMBER
  • 1999 CHRYSLER 300M
  • V6
  • 2WD
  • AUTOMATIC
  • 175,000 MILES
All dash lights don't come on when key turned just oil light. No click from starter. No headlight. Or nothing. New battery and alternator.
Monday, March 29th, 2021 AT 8:11 AM

4 Replies

Tiny
JACOBANDNICKOLAS
  • MECHANIC
  • 110,194 POSTS
Hi,

Is there anything other than the oil light that works? For example, do the brake lights or headlamps work?

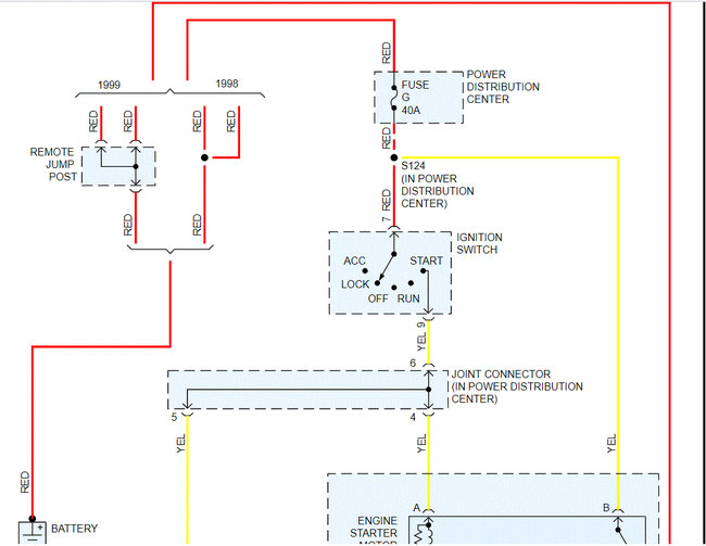
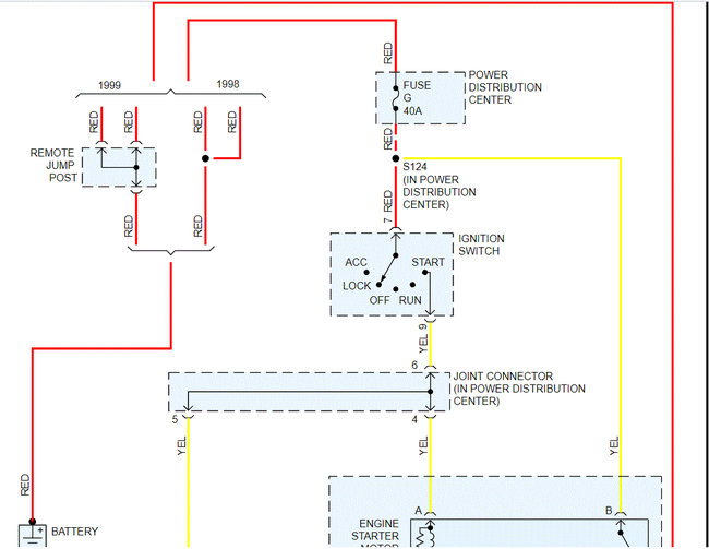
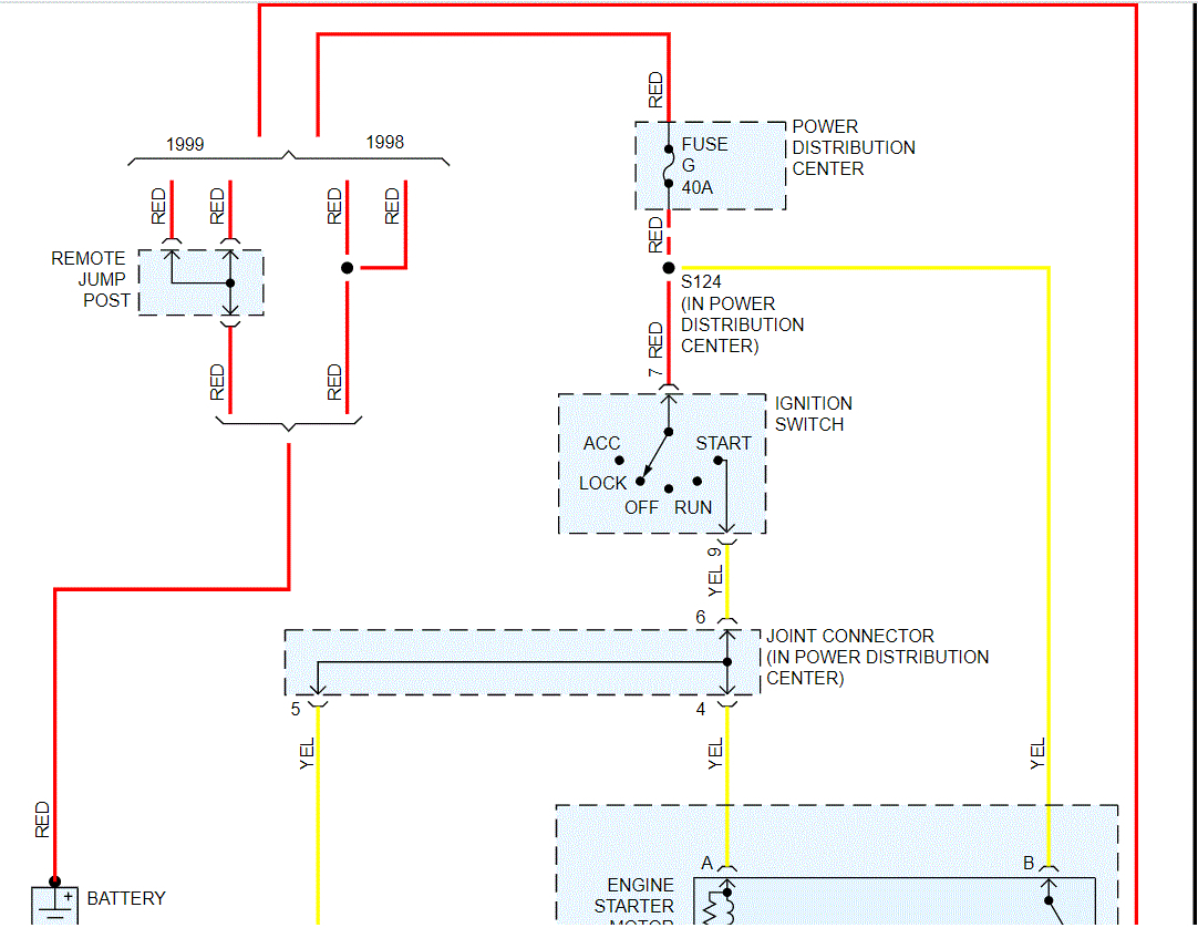
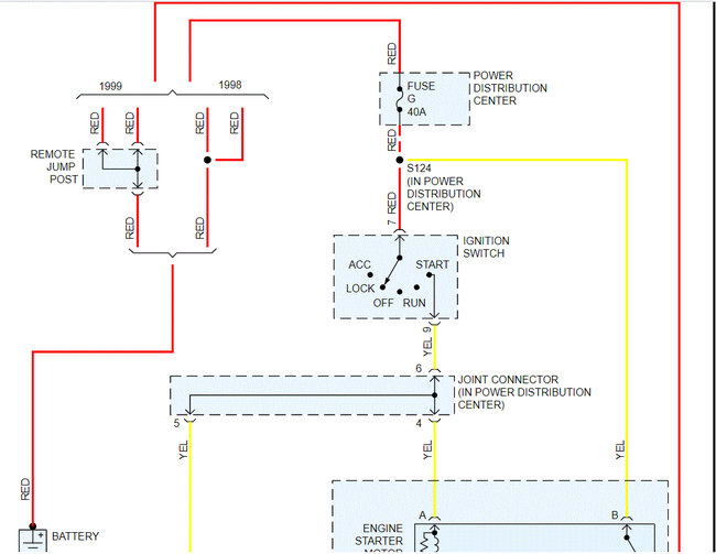
I attached the entire wiring schematic below for the starting system. I want you to check fuse G in the power distribution box under the hood. I had to cut the schematic in two to make it readable. I did overlap them to make them easier to follow.

When you check the fuse, make sure there is power to it and from it. Here is a link you may find helpful. Also, pic 3 below shows the location of fuse G.

https://www.2carpros.com/articles/how-to-check-a-car-fuse

Also, make sure the battery terminals are clean and tight, free of corrosion.

Let me know what you find or if y9ou have other questions.

Take care,
Joe
Was this
answer
helpful?
Yes
No
+1
Tuesday, March 30th, 2021 AT 7:09 PM
Tiny
SACFOX186
  • MEMBER
  • 38 POSTS
While at wits end I called a mobile mechanic in town to do diagnosis. He checked it out and found a wire that goes to the battery had been just laying there not attached because it rotted off. So after touching it to its connection the car got power and started up. Thanks for your answer if anything else goes wrong I can't figure i'll be sure and contact you guys again.
Was this
answer
helpful?
Yes
No
Wednesday, March 31st, 2021 AT 7:04 AM
Tiny
JACOBANDNICKOLAS
  • MECHANIC
  • 110,194 POSTS
Hi,

I'm glad to hear you got it taken care of. Please feel free to come back anytime. You are always welcome here.

Joe
Was this
answer
helpful?
Yes
No
+1
Wednesday, March 31st, 2021 AT 5:35 PM
Tiny
SACFOX186
  • MEMBER
  • 38 POSTS
Okay. Thanks!
Was this
answer
helpful?
Yes
No
Thursday, April 1st, 2021 AT 8:04 AM

Please login or register to post a reply.