Emissions diagram needed?

Tiny
GOODY1966
  • MEMBER
  • 1984 DODGE RAM
  • 5.3L
  • V8
  • 2WD
  • AUTOMATIC
  • 100,000 MILES
Hello, I’m Mark, this is my 2nd time here. You guys so far have been awesome with help. So, my son bought a 1984 dodge d250, 318ci/727auto. He is going to try doing a restore on it. Now my questions would be where I can find or get schematics for every thing emissions related to the truck. Example the smog pump is locked solid and what ever else that was on it was just cut off and plugged up. So, he has no idea what would go where. Could really use any diagrams of airlines, vacuum hoses. Anything with the air cleaner would be a great start to making her right to diagnose band illuminate any problems with the entire emissions system. Thanks in advance
Friday, June 21st, 2024 AT 3:46 PM

1 Reply

Tiny
CARADIODOC
  • MECHANIC
  • 34,489 POSTS
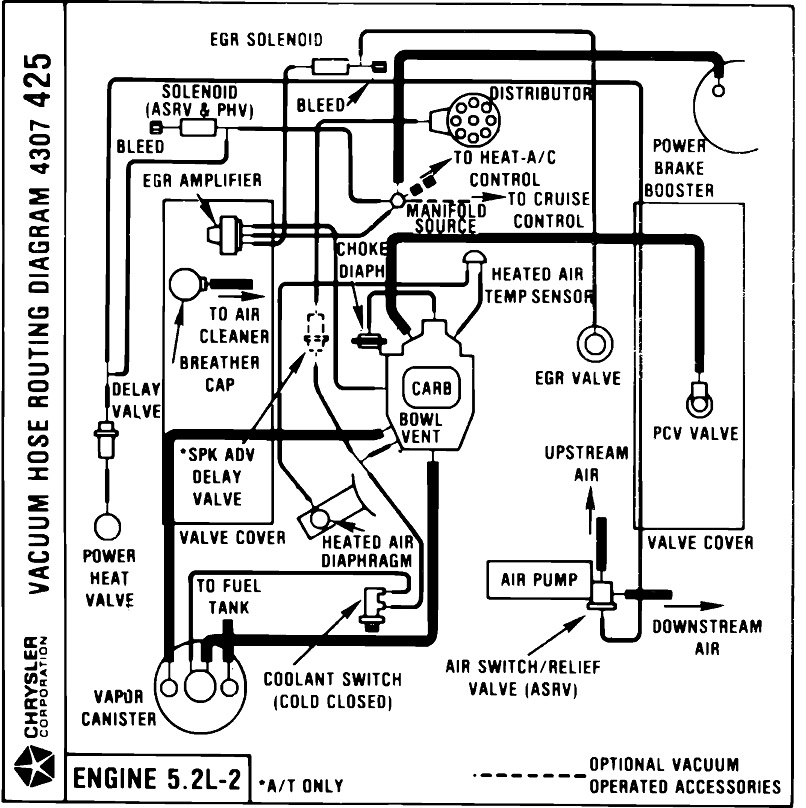
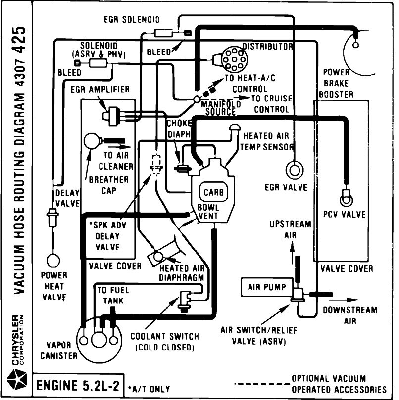
Normally there can be dozens of variations for a given year and model, so the best is to use the diagram on the truck. You'll find that under the bottom of the hood. In this case they only show one diagram for the 318 c.I, so there's no guessing.

Nothing beats a paper copy of the manufacturer's service manual. The best place to find them is on eBay. Also look at old car show swap meets. I'll be selling lots of manuals at the nation's second largest show in Iola, WI right after July 4th. There's a couple dozen other vendors with nothing but manuals, so they're easy to find.

The next best alternative is to buy a subscription to AllData. That's where this diagram is from. For these older models, it's a copy right out of the original manual. Repair shops pay over a thousand dollars per year for access to this site. You can buy a subscription for just your one model for a lot less. The last time I looked a few years ago, it cost around $27.00 for one year, or $49.00 for five years. AllData also has recalls and service bulletins. Those are never in the service manuals.

If you need to work on the transmission, I rebuilt a 727 years ago to replace the smaller 904 in my '78 LeBaron. I had a video tape showing the procedure. It was very straight forward and easy to follow, with only one $3.00 special tool needed. This is one of the easiest transmissions to rebuild. I had trouble with the clutch seals on the drums on the 904. That's why I gave up and switched to the 727. The valve body, filter, shifter linkage, and mounts are identical, but you may need a 4" shorter driveshaft as the 727 tail housing is longer in most applications. You don't have to concern yourself with those details since you already are starting out with the tougher 727.

When working on the ignition system, two different versions were used. Chrysler developed the first electronic ignition for 1972 Dodges, and 1973 Plymouths and Chryslers. It used a 5-pin ignition module. By 1980, they used the same module, but only four of the five wires were used in the plug. The other version was the world's first computer-controlled ignition system. In 1977, they called that the "Lean Burn" system. It has a computer bolted to the air filter housing. That was used at least through the 1989 model year but without the Lean Burn name. Those systems were the world's first attempt at computer-controlled ignition timing, and were very basic and simple compared to what we have today. Diagnosis back then was difficult because few people knew how they worked. You'll also see a difference in the distributors. With the five-pin module, you'll still have the normal mechanical advance in the distributor and the vacuum advance unit hanging off the side with a small vacuum hose going to it. With the computer version, both advance systems are built into the computer. The vacuum transducer is on the module with the vacuum hose going there.

The charging system is the world's easiest to diagnose and repair. In fact, Chrysler developed the first "AC generator" for 1960 models, and copyrighted the term "alternator". It's controlled by an electronic voltage regulator, (another world's first from Chrysler, 1970), that is usually mounted on the firewall, or sometimes on the right inner fender. It has a triangular plug with two wires in it, usually green and dark blue. One important point to be aware of is both the voltage regulator and the 5-pin ignition module do not have ground wires in the connectors. Both must be solidly bolted to the body sheet metal with no rust or paint in the way of making a good connection.

There's your history lesson for today. You won't be tested on this, but let me know if this diagram gets you going for now. For the other systems, we want to start a new question for each topic. For one reason, these get categorized by topic and by model to make researching easier for others with the same problems. Starting a new question makes the new topic show up in a search list. Second, unlike on other sites where anyone can jump in and confuse the issue, here this becomes a private conversation between just the two of us. As such, the other experts may not see your new question or have a chance to reply. In some cases that won't get you the best help. If you aren't sure if starting a new question is appropriate, just keep the conversation going here and I'll tell you when to post something new.
Was this
answer
helpful?
Yes
No
Friday, June 21st, 2024 AT 5:37 PM

Please login or register to post a reply.