Emergency lights

Tiny
LANCE F
  • MEMBER
  • 2004 PONTIAC VIBE
  • 2WD
  • AUTOMATIC
  • 16,600 MILES
The emergency light switch is gone. Emergency lights flash when the car is turned off and even when the key is removed. However, lights stop flashing and everything seems fine when the car is running. I have been disconnecting the battery when I am not running the car.
Tuesday, December 28th, 2021 AT 12:48 PM

3 Replies

Tiny
JACOBANDNICKOLAS
  • MECHANIC
  • 110,194 POSTS
Hi,

Do you mean the switch is gone as in bad or missing? LOL sorry, I had to ask.

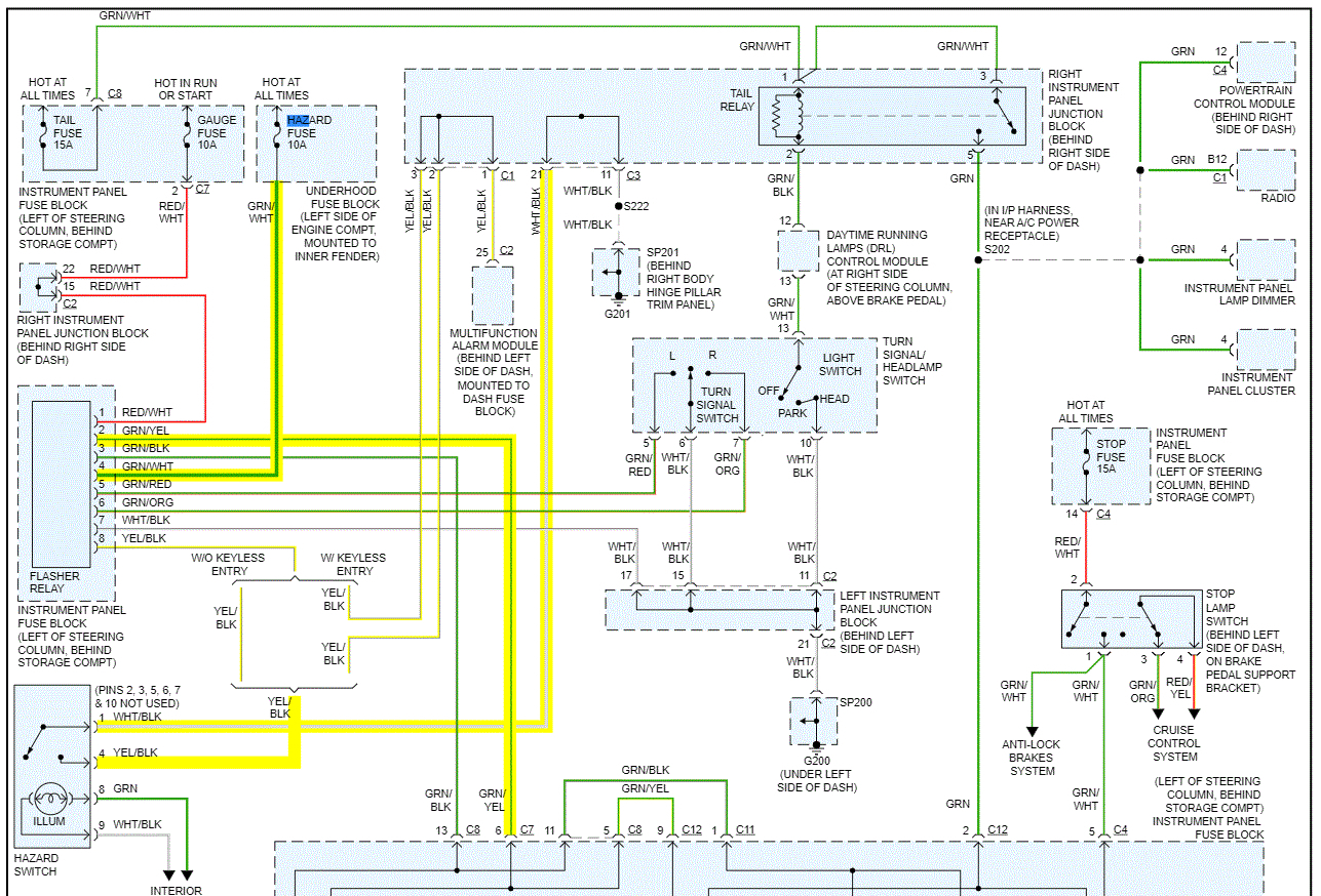
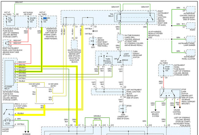
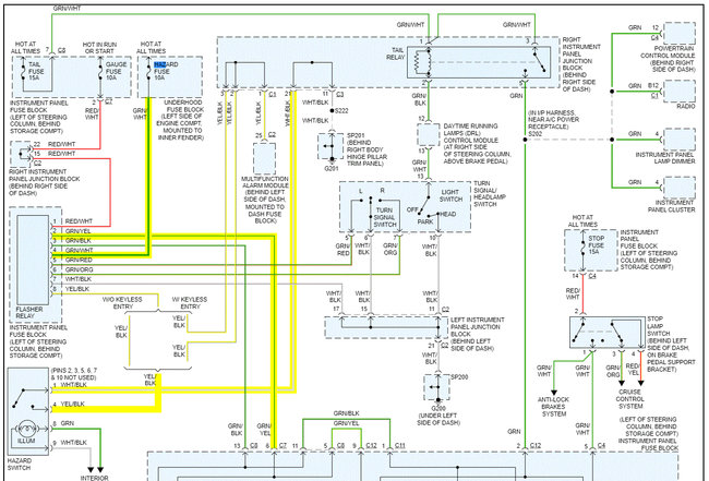
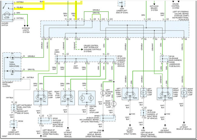
As far as the lights flashing, I looked through the wiring schematics related to the hazards. There is a designated fuse in the under-hood fuse box for them. However, based on other variables, the removal of the fuse may also shut down the turn signals. So, until we get the problem figured out, remove that fuse and confirm it is only the hazard lights that are affected. If it's the turn signals, don't remove it. Actually, until we get it fixed, the fuse will be easier to remove than disconnecting the battery.

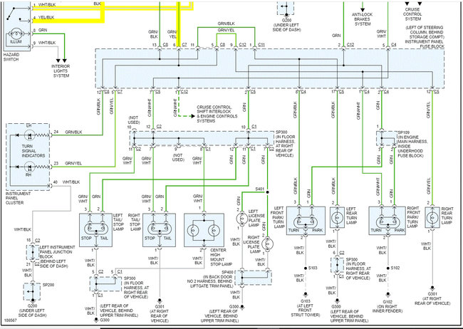
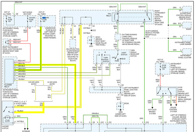
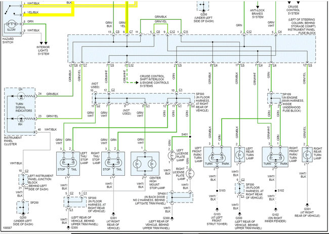
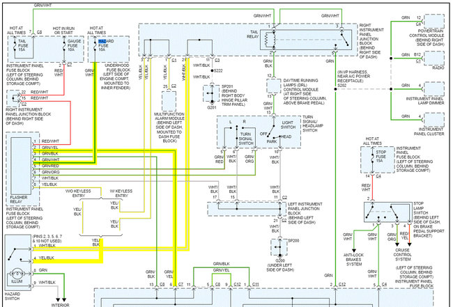
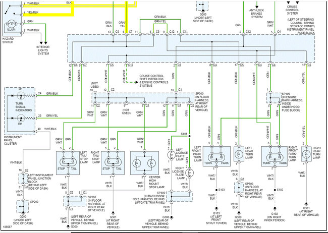
I attached a wiring schematic below of the exterior lighting for your review. Note the flasher unit which gets power directly from the hazard fuse. Also, it receives power from the gauge fuse in the fuse box to the left of the steering column.

I suspect removing the hazard fuse will turn off the signals as well. However, I want you to try something. Remove the gauge fuse and see if the problem stops. If it does, then the flasher relay is likely bad and shorting internally. The gauge fuse only sends power with the key in the run or start positions. If that doesn't change anything, remove the hazard fuse, and see if everything turns off.

Let me know what you find.

Joe

See pics below. Note: The wiring schematic was cut in half to make it readable for you. Pics 3 and 4 show fuse locations. Pic 4 is the gauge fuse. Notice how many things it is responsible for. Pic 3 is the hazard fuse. Remember, I suspect that will also turn off the turn signals, so don't drive without it installed.
Was this
answer
helpful?
Yes
No
+1
Tuesday, December 28th, 2021 AT 6:23 PM
Tiny
LANCE F
  • MEMBER
  • 2 POSTS
Hi and thanks. The switch is literally gone, and I ordered a used one on eBay. But it won't get here until next week. I am wondering if the missing switch is the cause of the problem, and if maybe I can shut off the flashers once I replace the switch? A couple of days ago I pulled the flasher fuse, like you suggested, but like you warned that disabled the blinkers too. I will pull the gauge fuse and see what happens tomorrow, unless you think I should just wait for the replacement switch. Thanks again
Was this
answer
helpful?
Yes
No
Tuesday, December 28th, 2021 AT 10:10 PM
Tiny
JACOBANDNICKOLAS
  • MECHANIC
  • 110,194 POSTS
Hi,

I would wait for the switch. I suspect that is the cause of the issue. While you wait, you could try to see if the gauge fuse makes it easier rather than disconnecting the battery.

I don't know if you need them, but here are the directions for removal and replacement. If you get a chance, let me know if this takes care of the issue. If it doesn't, we'll figure it out.

Take care and if I don't hear from you for a couple of days, have a great New Year!

Joe

See pics below.
Was this
answer
helpful?
Yes
No
+1
Wednesday, December 29th, 2021 AT 3:11 PM

Please login or register to post a reply.