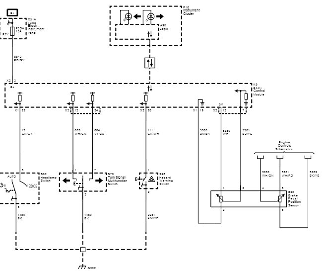
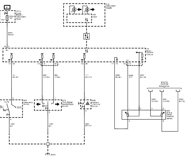
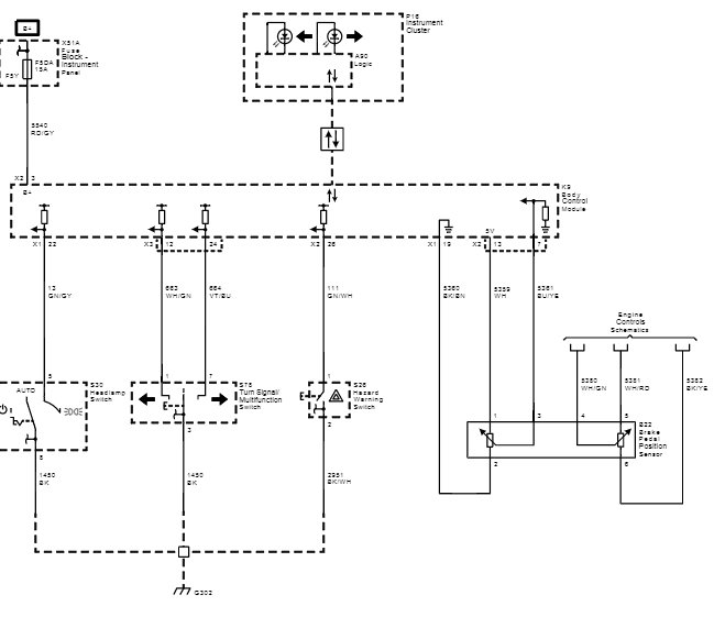
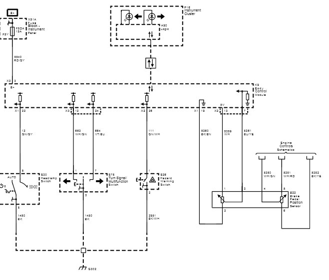
Tuesday, June 30th, 2020 AT 6:34 AM
This happens while no one is in the vehicle. Only does it when the vehicle is not running. No issues while operating the vehicle. If you turn them off they come back on after some time. Also had them turn themselves on for a bit then off for a bit and back on.























