Sunday, September 4th, 2022 AT 6:22 PM
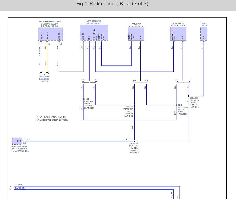
I know I did this. And I’ve tried to remedy it, but it keeps getting worse. I am installing a new sound system in my car. With an aftermarket head unit. Somewhere between yesterday and today, I did so something to cause my wipers to run constantly at medium speed, can’t speed them up, slow them down or turn them off unless I pull the relay, my HVAC is not working at all, my blinker switch seems to be inoperable as neither my blinkers nor the high beam switch will work. Note that I have also pulled all the interior panels, and this includes ones that had connections going through them (I.E. Gear shifter panel with power outlets, small lights and electronic parking brake, glove compartment completely removed, etc. None of these issues happened until after I’d installed the new head unit and uninstalled it to put the OEM Uconnect unit back in. But now the Uconnect is done for, I might have gotten a little pissy and smashed it in the driveway and left it in the rain. Just fully disclosing all events leading up to now.








