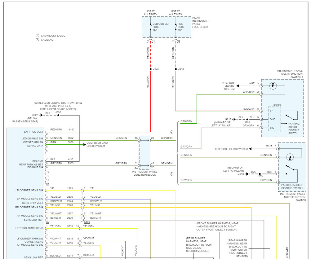
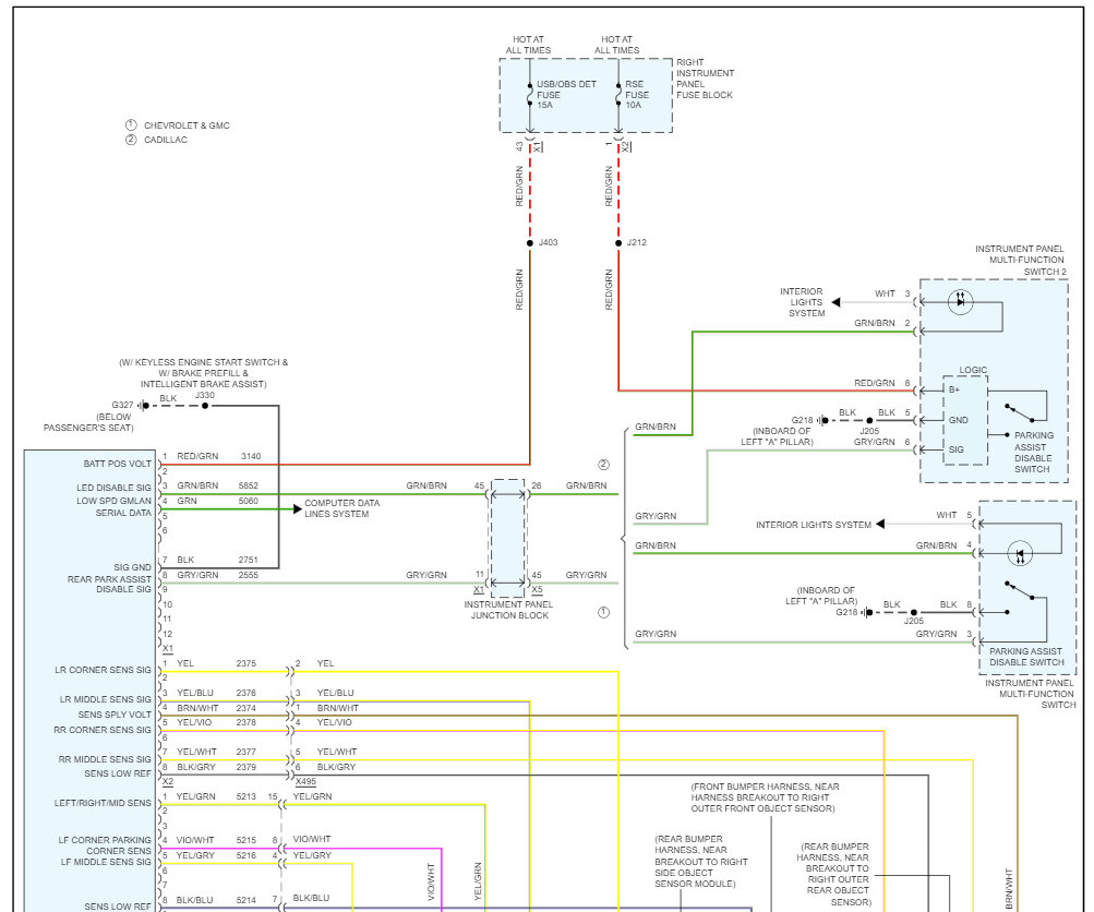
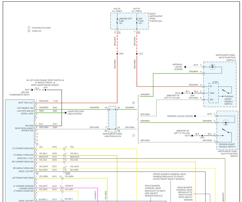
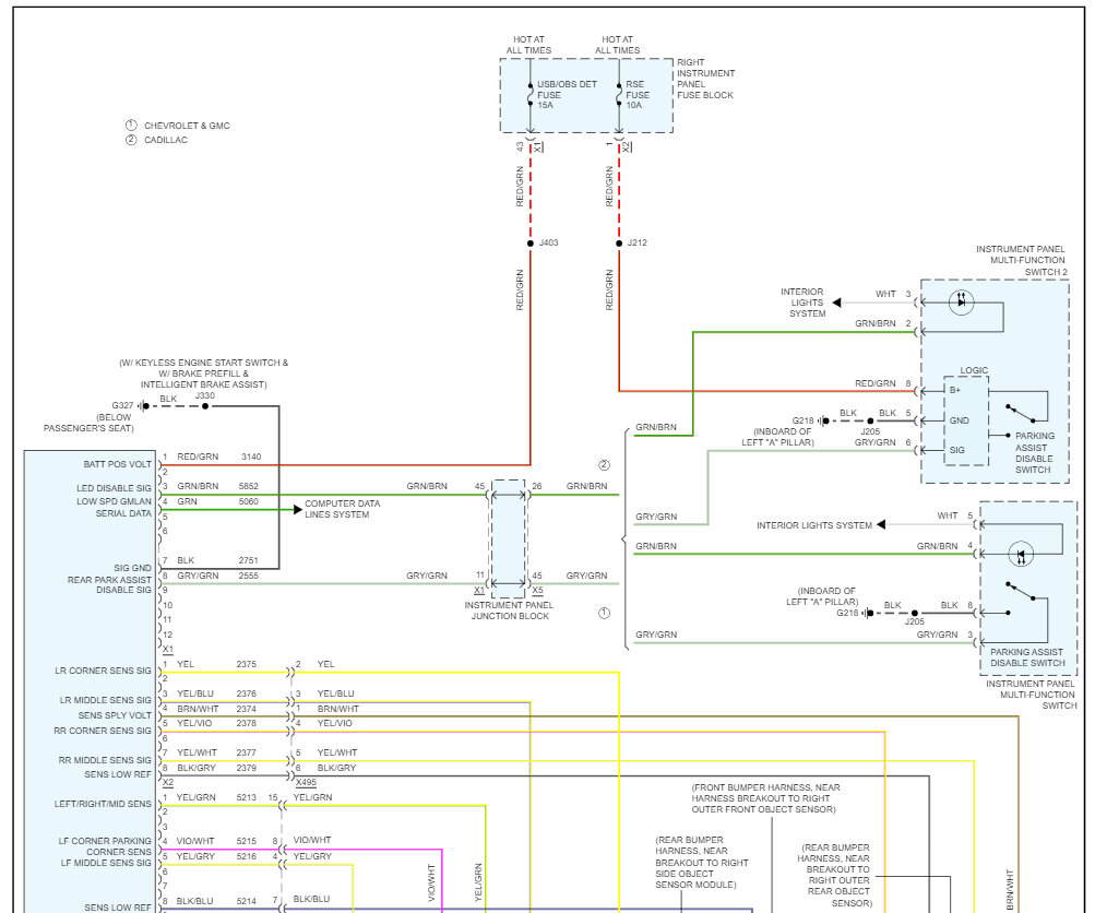
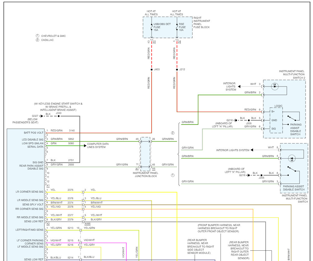
I have a problem with front GM radar sensors. There is PCM error and parktronic do not working. This car is after car accident, the front bumper was damaged. I bought some new parts and replaced. I bought new wiring and two identical front GM radar sensors number 84112235. I marked left one on the picture. There is PCM error - left side. My question - Are the left and right sensors the same? Or is the left sensor different than right one? What parts number are these sensors? Why is there only left sensor error?
I am waiting for your reply.
Have a nice day,
Pawel
Friday, October 6th, 2023 AT 1:43 AM


