Electrical wiring diagram for front and rear lights needed?

Tiny
PAWEL_N
  • MEMBER
  • 2020 MITSUBISHI OUTLANDER SPORT
  • 2.0L
  • 4 CYL
  • 2WD
  • AUTOMATIC
  • 20,000 MILES
Hello, I bought for my wife the vehicle listed above from USA market. I live in EU country, and I have to do some modifications. I would like to know the wiring diagram for front and back lamps. I have to add rear fog lamps for EU regulations. I would like to know where the wires from front lamps go to. I found the fuses box under dash. Is there for front main light driver? I would like to add the relay for rear fog light, supply from some +12V wire with an additional fuse and the additional switch for switching.
Thank you for your reply.
Have a nice day,
Pawel
Saturday, January 28th, 2023 AT 1:01 PM

15 Replies

Tiny
JACOBANDNICKOLAS
  • MECHANIC
  • 110,194 POSTS
Hi,

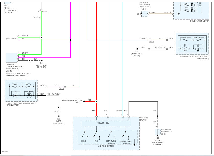
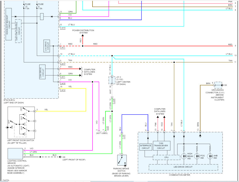
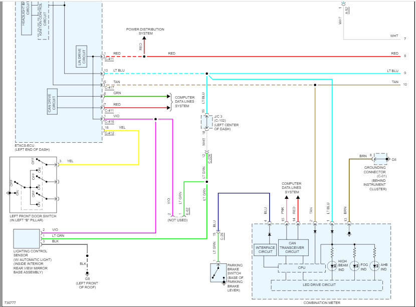
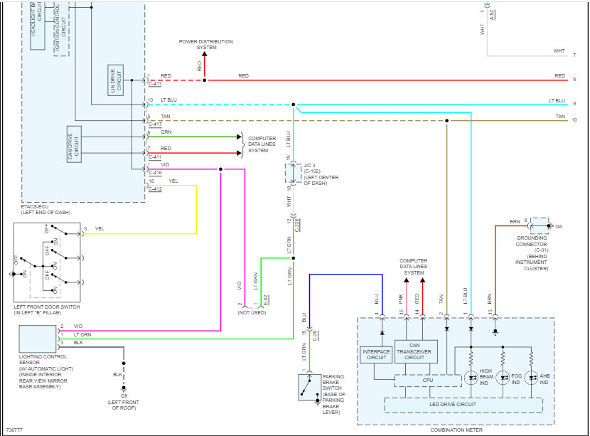
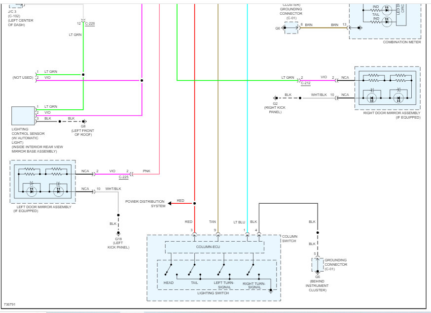
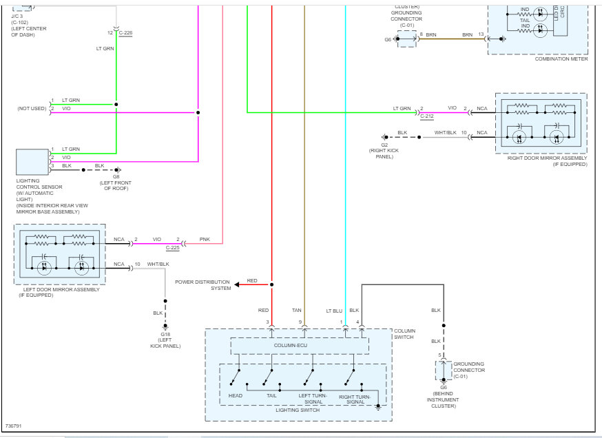
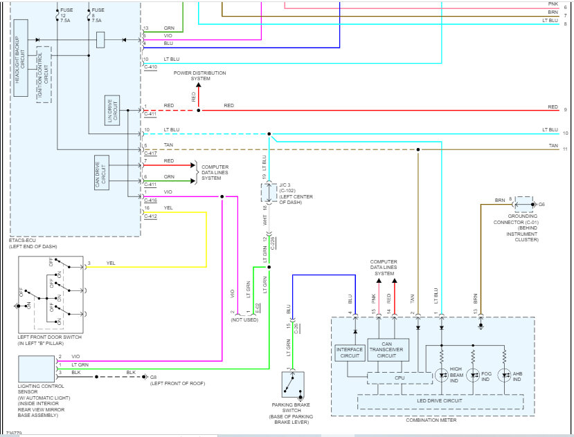
If you look below, I attached the entire exterior lighting wiring schematic for you. Take a look through them and let me know if you have any questions or need additional information.

Take care and let me know if this helps.

Joe

See pics below.
Was this
answer
helpful?
Yes
No
+2
Saturday, January 28th, 2023 AT 10:48 PM
Tiny
PAWEL_N
  • MEMBER
  • 178 POSTS
Dear Joe,

Thank you for your reply. It is helpful for me.
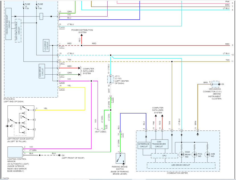
I am looking for one wire - 3 or 7, probably from C-403 or 413 connectors? Is it wire for supply left or right headlight? I am going to use this signal for coil control of relay for rear fog light.
Could you please tell me where is this ETACS ECU unit located under dash and this connector C-403 on this unit?
Have a nice day,
Pawel
Was this
answer
helpful?
Yes
No
Monday, January 30th, 2023 AT 6:00 AM
Tiny
JACOBANDNICKOLAS
  • MECHANIC
  • 110,194 POSTS
Hi,

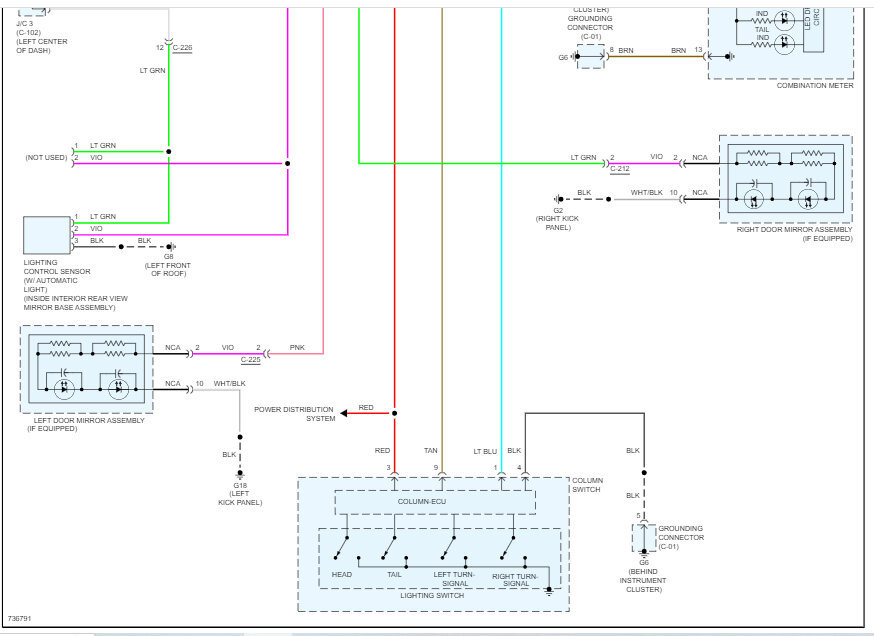
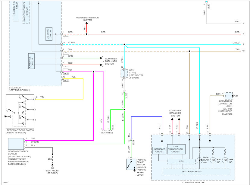
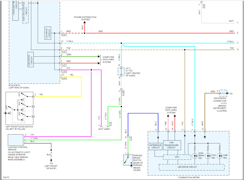
C403 pins 3 and 7 are for the left and right headlamps.

I attached two pics below. One shows the ETACS-Ecu location and the other shows connector orientation.

Let me know if this helps.

Joe

See pics below.
Was this
answer
helpful?
Yes
No
+2
Monday, January 30th, 2023 AT 4:43 PM
Tiny
PAWEL_N
  • MEMBER
  • 178 POSTS
Thank you, Joe, for your reply.
But I observe that front main light and park light it is the same wire number 3 or 7. But to the headlight go three wires - yellow, green and blue. Why only one wire goes from ETACS-
ECU to left headlight and one to right headlight? By ETACS-ECU the main and park light are together?
Was this
answer
helpful?
Yes
No
Tuesday, January 31st, 2023 AT 7:38 AM
Tiny
PAWEL_N
  • MEMBER
  • 178 POSTS
And the second thing - where could I find +12V signal, when I switch on the first position the key, when for eg. The radio start working? (Not permanent +12V, not hot all the time)? Is this signal on ETACS or another place?
Was this
answer
helpful?
Yes
No
Tuesday, January 31st, 2023 AT 10:19 AM
Tiny
PAWEL_N
  • MEMBER
  • 178 POSTS
I found the fuse with +12V for the first position the start key. I marked it the red circle.
What about the separate wire for the main headlight?
Was this
answer
helpful?
Yes
No
Wednesday, February 1st, 2023 AT 11:00 AM
Tiny
JACOBANDNICKOLAS
  • MECHANIC
  • 110,194 POSTS
Hi,

The headlamp wire? What do you need related to it? Also, take a look at the schematics above to see if they help.

Let me know.

Joe
Was this
answer
helpful?
Yes
No
Wednesday, February 1st, 2023 AT 2:10 PM
Tiny
PAWEL_N
  • MEMBER
  • 178 POSTS
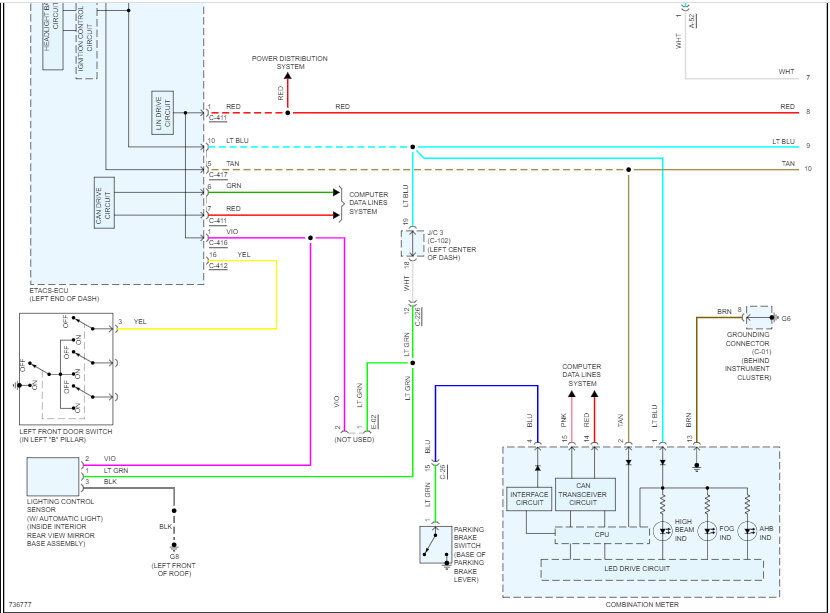
In the photo you can see that there are three wires. But on schematic there are two only: GND and DRL/parking together with main light (while night driving).
The wire number 3 or 7 on ETACS are connected to parking/DRL light. I would like to related the rear light lamp with front main light, not parking light.
My English it not so perfect, I do not know if I could explain it clear.
Was this
answer
helpful?
Yes
No
Thursday, February 2nd, 2023 AT 2:31 AM
Tiny
JACOBANDNICKOLAS
  • MECHANIC
  • 110,194 POSTS
Hi,

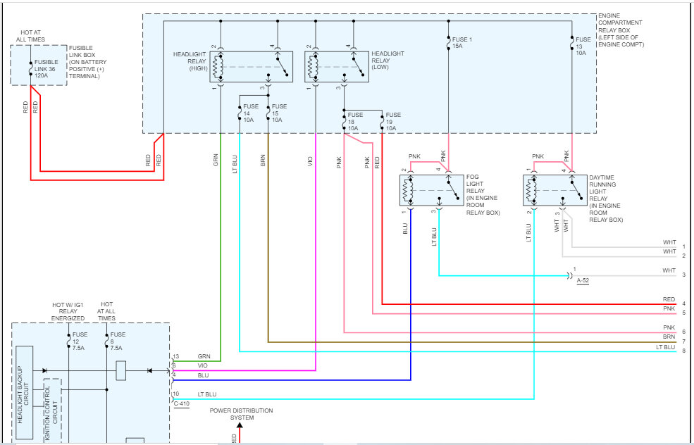
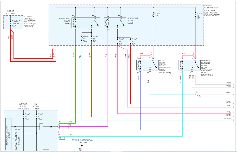
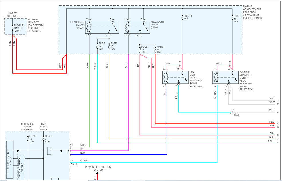
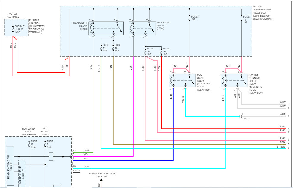
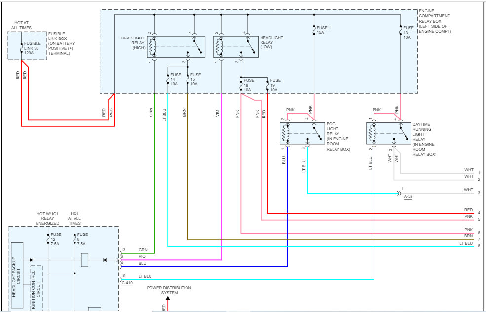
If you want power from the fog lamp circuit, there should be a white wire going to them as a supply. See pic below

I'm sorry. I'm not 100% sure if this is what you need. Also, your English is very good.

Let me know. Also, confirm if you have high-intensity headlamps or not.

Take care,

Joe

See pic below.
Was this
answer
helpful?
Yes
No
+1
Thursday, February 2nd, 2023 AT 6:20 PM
Tiny
PAWEL_N
  • MEMBER
  • 178 POSTS
Hi,

I know now why I did not understand you. You did not add wiring for front headlight (low and high beam) on your first exterior lighting wiring schematic. And I was looking for wire to low beam. And I did not get it. I get only parking wire.
1. I am looking for left or right wire for low beam. Could you please add wiring for the headlights too?
2. I do not have front fog light.
3. I do not know what are high-intensity headlamps. My lamps are LED lamps, they are not like H1/H7 lamps or not like D2S/D2R lamps.
Have a nice day,
Pawel
Was this
answer
helpful?
Yes
No
Tuesday, February 7th, 2023 AT 5:28 AM
Tiny
JACOBANDNICKOLAS
  • MECHANIC
  • 110,194 POSTS
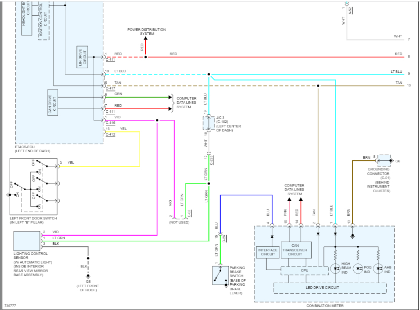
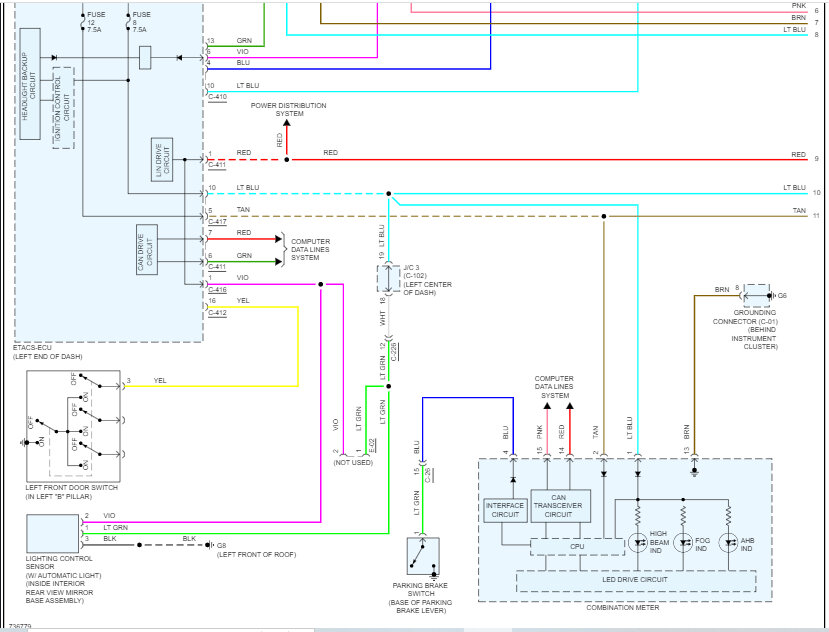
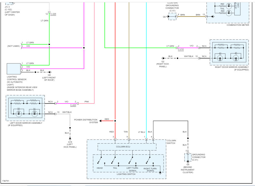
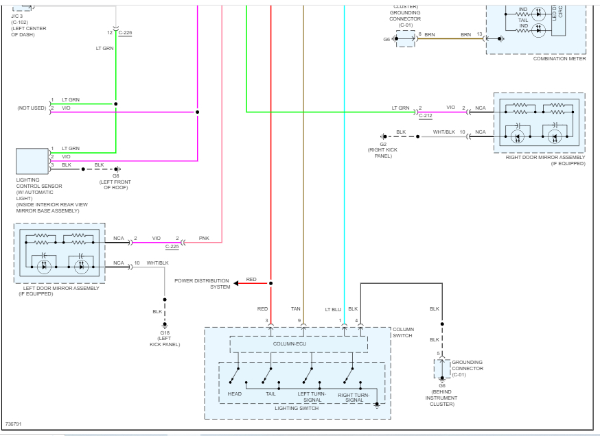
Hi,

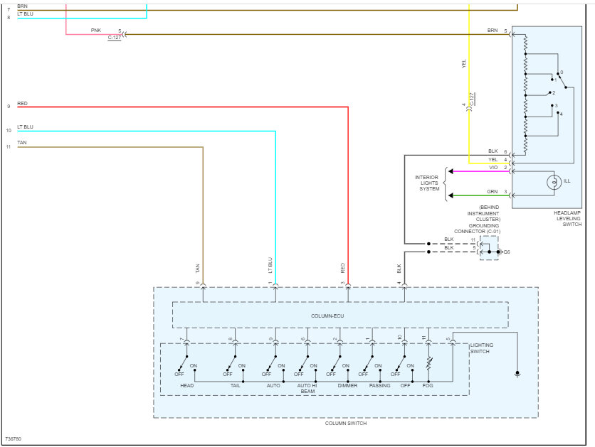
The first 4 pics below are the entire headlamp schematic without high-intensity lamps. The last 4 pics are with high-intensity lamps.

Let me know if this helps.

Joe

See pics below.
Was this
answer
helpful?
Yes
No
+1
Tuesday, February 7th, 2023 AT 8:04 PM
Tiny
PAWEL_N
  • MEMBER
  • 178 POSTS
Daar Joe,

Thank you for your reply. I got all the information from you.
I know now that the signal from headlight's low beam is wire no 6 on C-410 connector on ETACS-ECU.
Thank you for your help.
Have a nice day. :-)
Pawel
Was this
answer
helpful?
Yes
No
Monday, February 13th, 2023 AT 3:07 AM
Tiny
JACOBANDNICKOLAS
  • MECHANIC
  • 110,194 POSTS
Pawel,

Thanks for the update. I'm glad to know it helped. Have you been able to narrow things down to repair the issues? I'm interested in knowing.

Take care,

Joe
Was this
answer
helpful?
Yes
No
Monday, February 13th, 2023 AT 3:04 PM
Tiny
PAWEL_N
  • MEMBER
  • 178 POSTS
Hello,

The job is done. The rear fog light looks like from the factory now :-) In EU country this car is name ASX, in the USA it is Outlander Sport.
I can control it by the additional switch from Mitsubishi Lancer.
Thank you, Joe again :-)
Have a nice day,
Pawel
Was this
answer
helpful?
Yes
No
Thursday, February 23rd, 2023 AT 1:35 AM
Tiny
JACOBANDNICKOLAS
  • MECHANIC
  • 110,194 POSTS
Hi,

They look excellent. Good job.

Take care and feel free to come back anytime in the future.

Joe
Was this
answer
helpful?
Yes
No
Thursday, February 23rd, 2023 AT 6:50 PM

Please login or register to post a reply.