Saturday, May 2nd, 2020 AT 1:50 PM
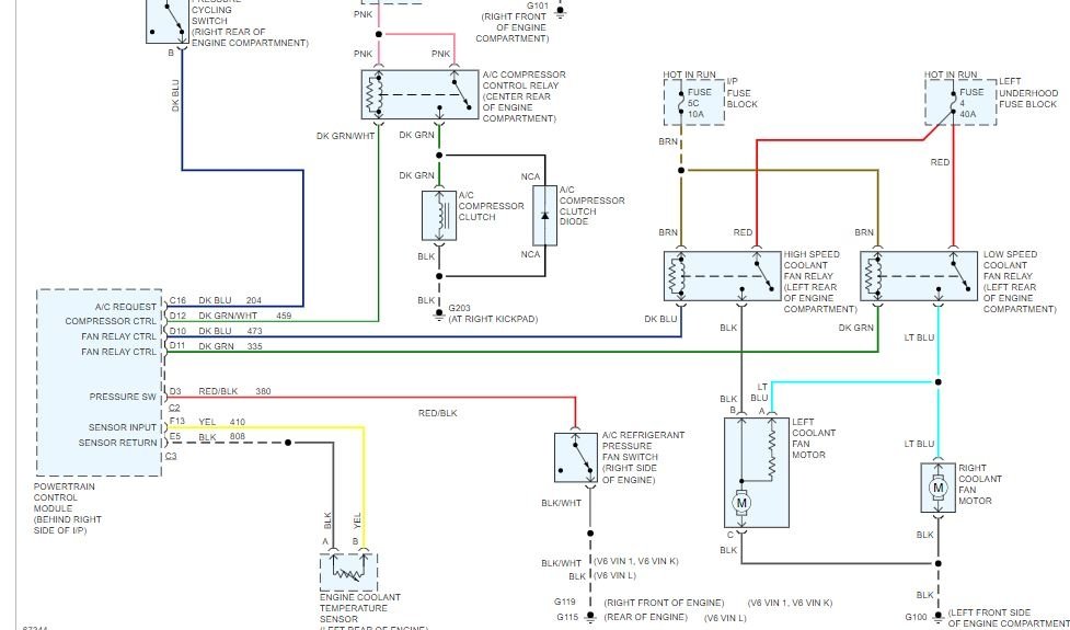
The heater fan will occasionally turn on with ignition switch in off position running the battery dead. Sometimes the fan will keep running when the ignition switch is turned off.





