Monday, February 10th, 2020 AT 9:20 PM
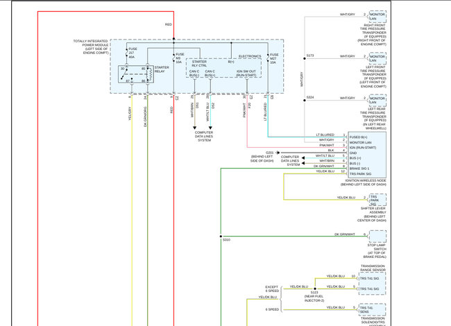
My ‘van wouldn’t start tonight. Battery reads at 12.5v. If I insert the key, there is no power to the car and the car won’t turn over. If I try to jump the car there is power in the interior of the car, but the van just clicks. I’ve had electrical problems before - radio randomly stops working, doors will open/close on their own. Disconnect the battery in the past and this would usually reset the car. It doesn’t now and the car is dead. Help!









