No starter operation?

Tiny
LINDAYZAGUIRRE
  • MEMBER
  • 2003 CHRYSLER TOWN AND COUNTRY
  • 130,000 MILES
My chrysler van will not start, everything works inside like radio, lights, etc
Friday, September 14th, 2012 AT 4:34 PM

3 Replies

Tiny
ALLPRO
  • MECHANIC
  • 48 POSTS
When you turn the key to try and start the vehicle do you hear the starter turning? This guide can help us fix it

https://www.2carpros.com/articles/starter-not-working-repair

Please run down this guide and report back.

Was this
answer
helpful?
Yes
No
+1
Friday, September 14th, 2012 AT 4:38 PM
Tiny
LINDAYZAGUIRRE
  • MEMBER
  • 2 POSTS
No you do not hear it, we put a new starter, ignition coil, battery
Was this
answer
helpful?
Yes
No
+1
Friday, September 14th, 2012 AT 5:06 PM
Tiny
JDL
  • MECHANIC
  • 16,098 POSTS
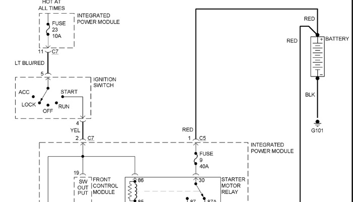
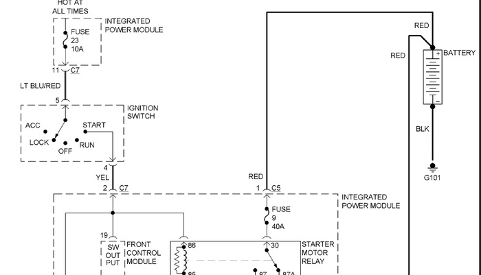
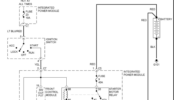
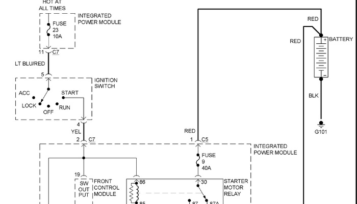
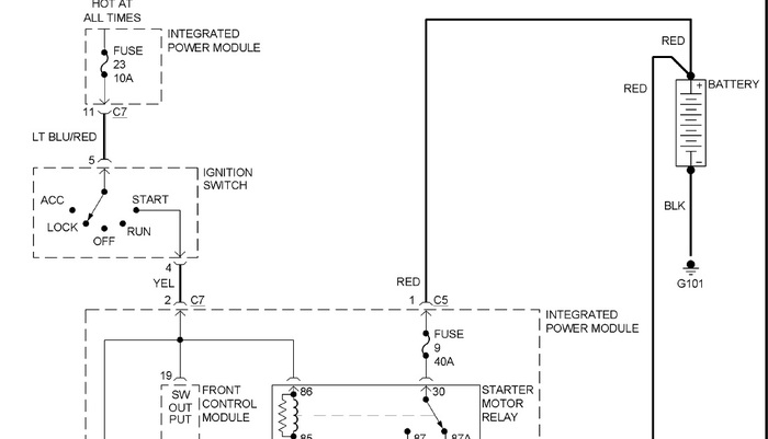
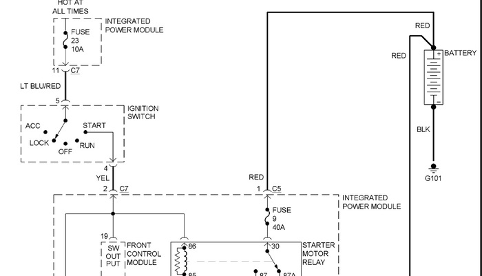
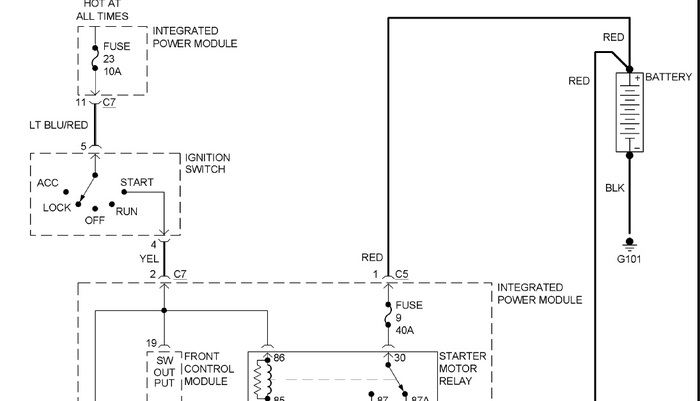
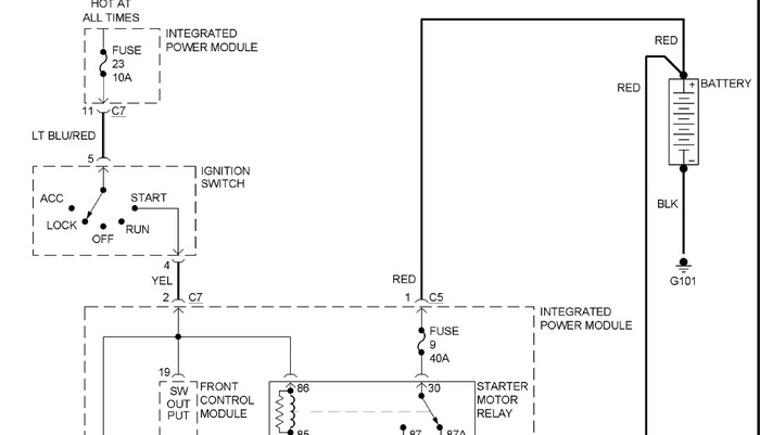
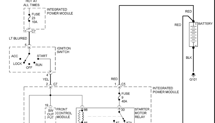
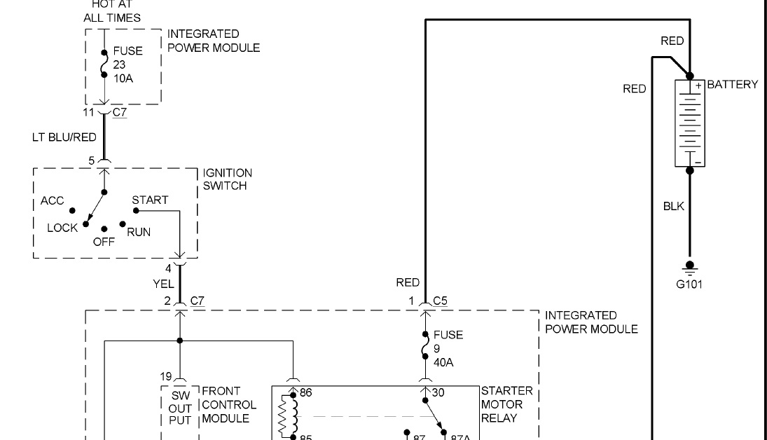
Your starter isn't cranking? Here is part of your starter circuit. Any testing at the starter relay make sure the tranny is in park or neutral and the e-brake is set.
Was this
answer
helpful?
Yes
No
Friday, September 14th, 2012 AT 5:19 PM

Please login or register to post a reply.