Friday, September 29th, 2017 AT 6:27 PM
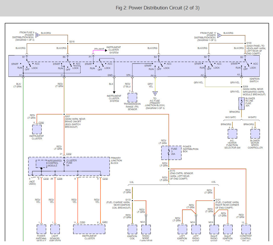
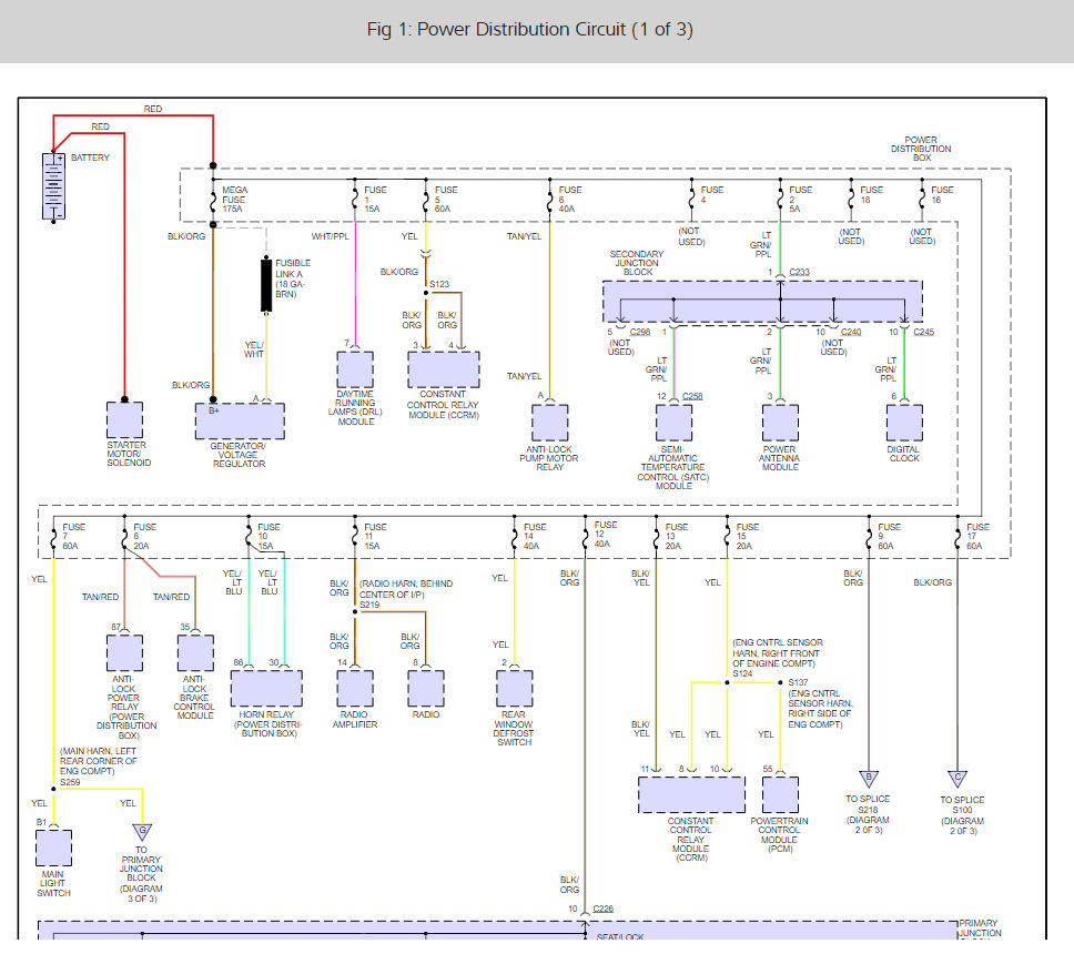
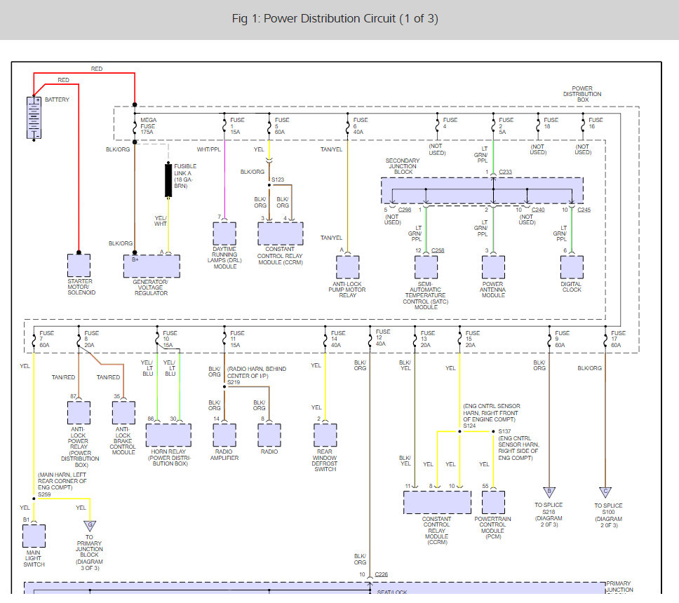
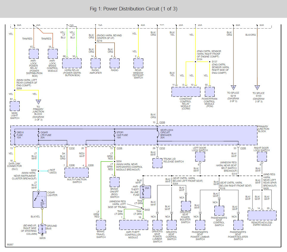
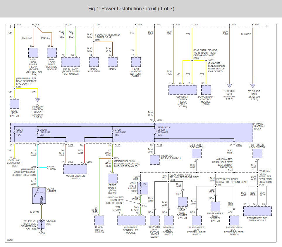
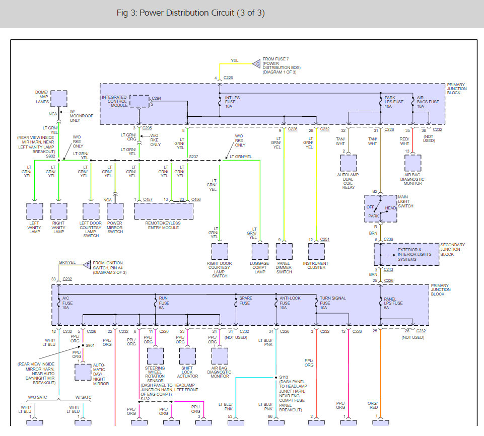
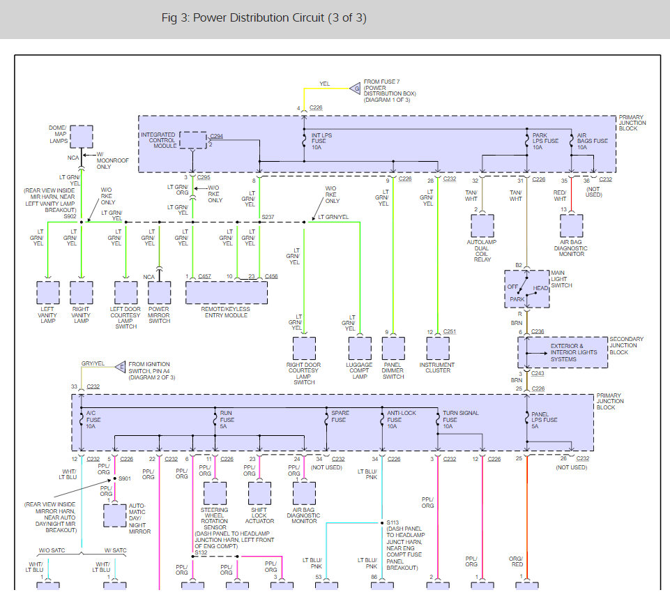
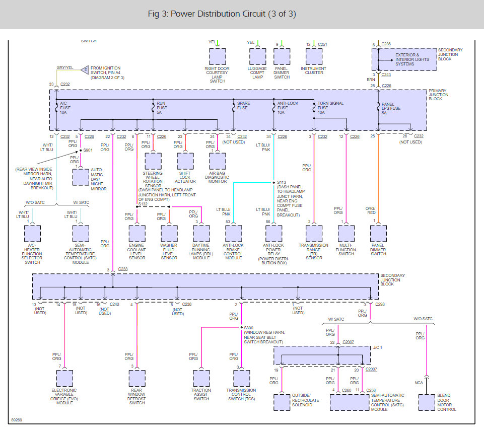
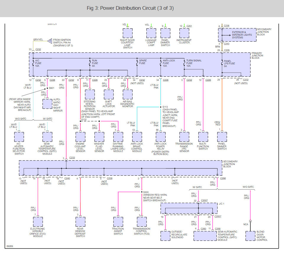
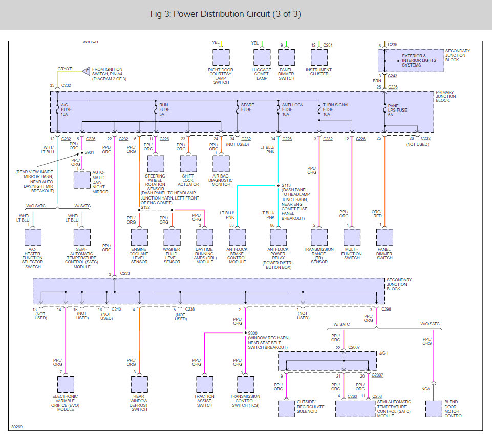
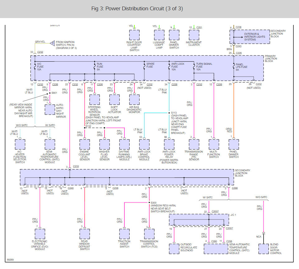
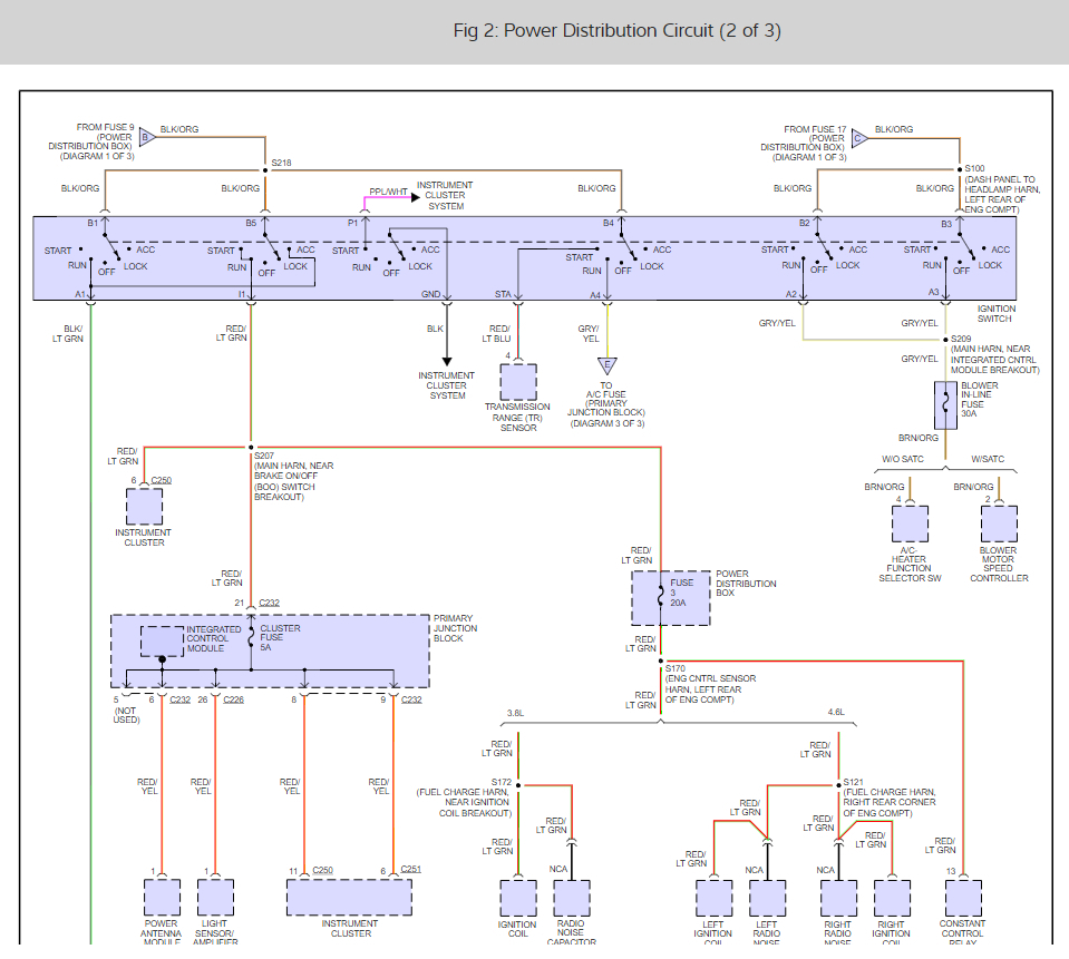
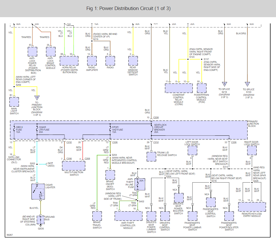
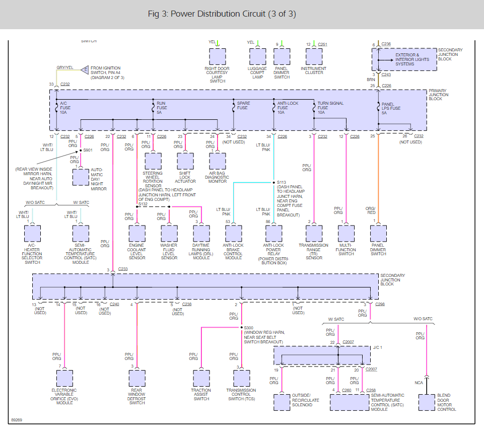
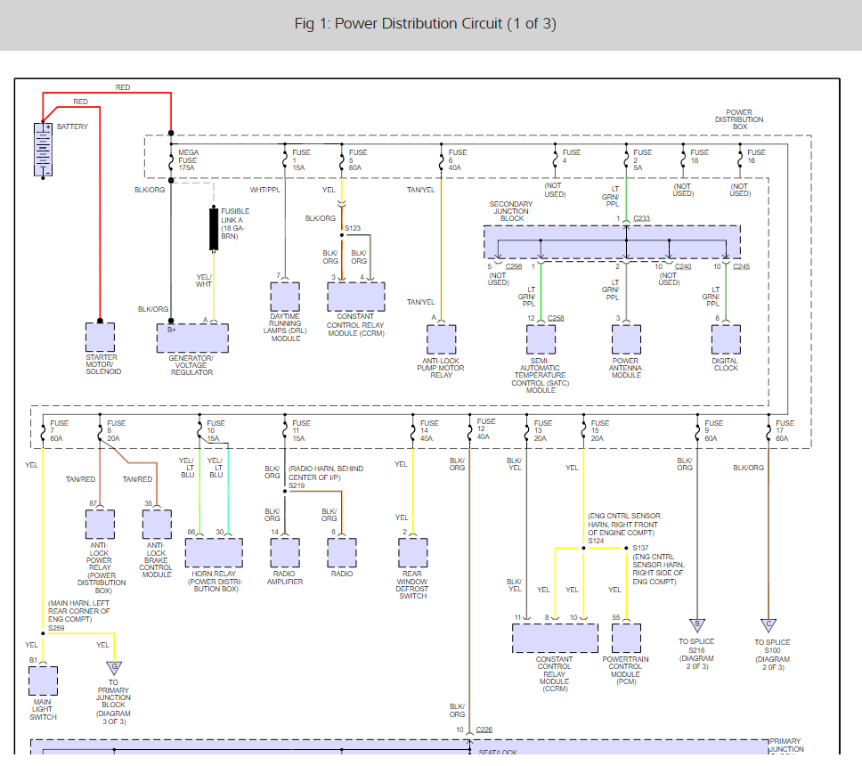
Dash lights do not work. Climate control stopped working. Heater fan stuck on high even with climate control removed. Blinkers only work par time. No coolant fan. Ready to junk it. Replaced temp sensor, CCRM, integrated relay module. Fuses look okay. Checked fan by jumping with battery it is fine. Checked ground wires. Checked power supply.








