Wednesday, April 28th, 2021 AT 7:00 PM
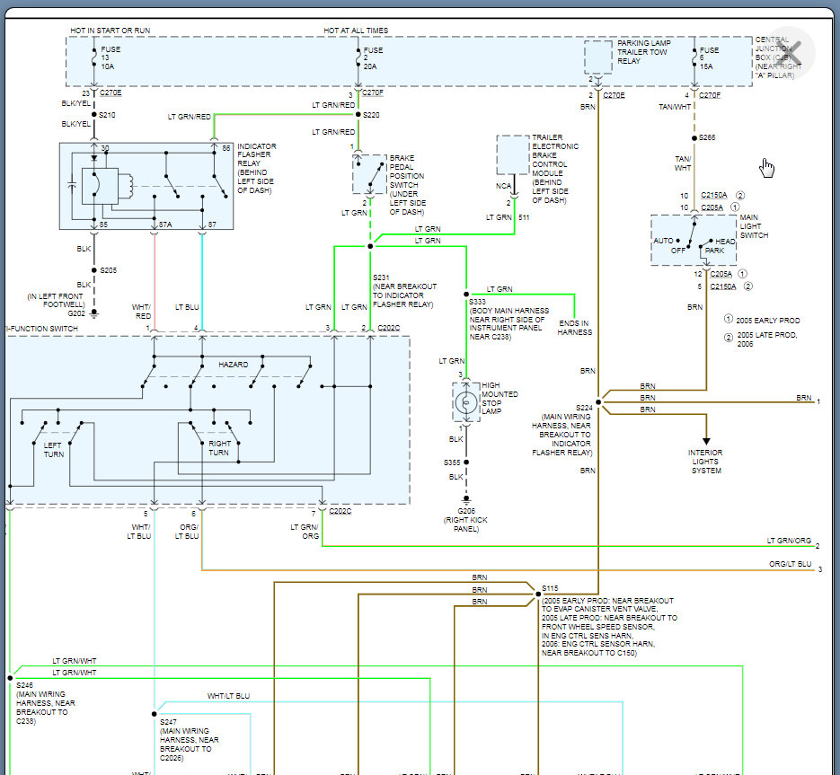
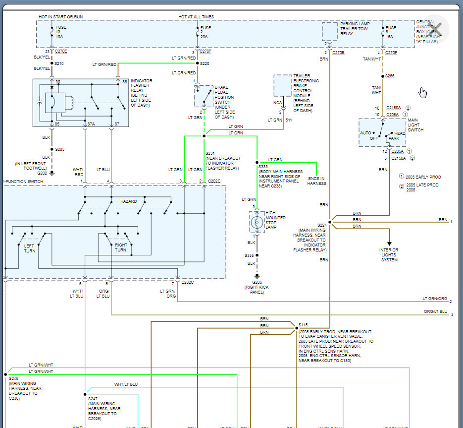
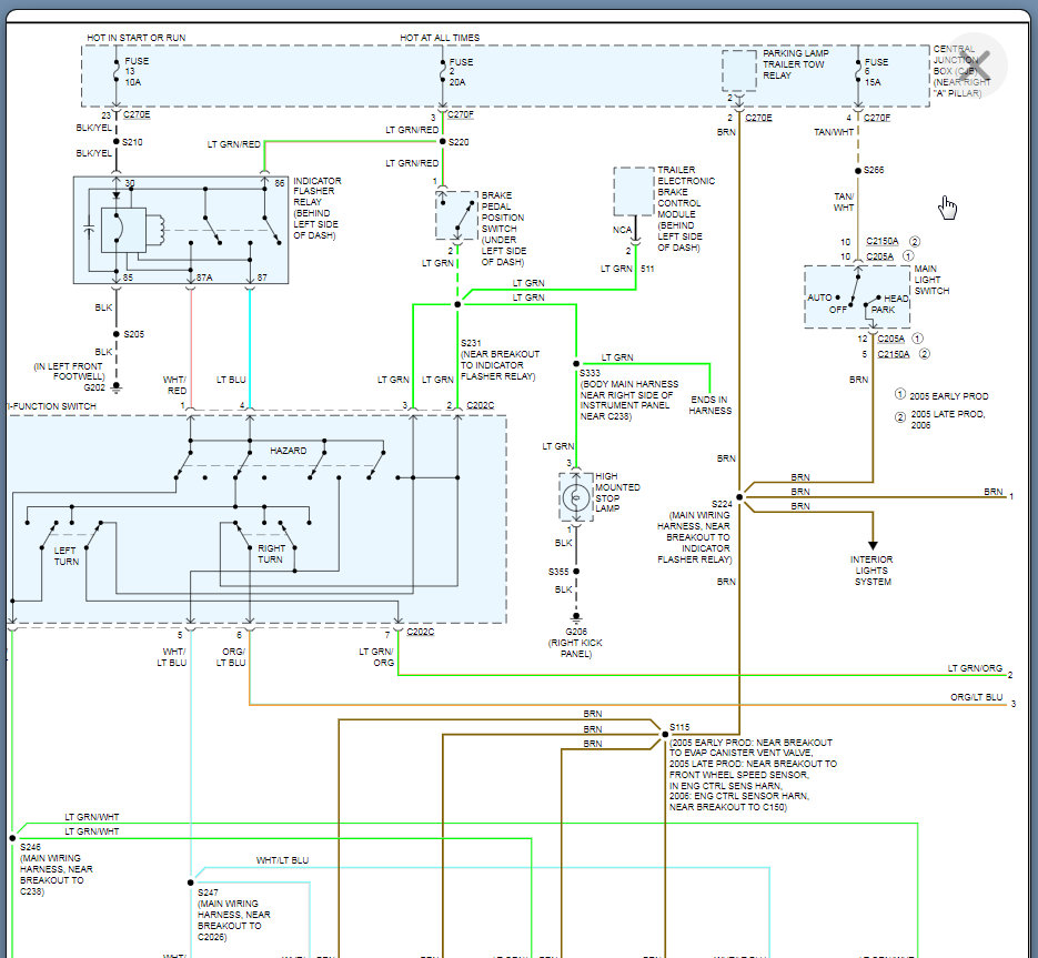
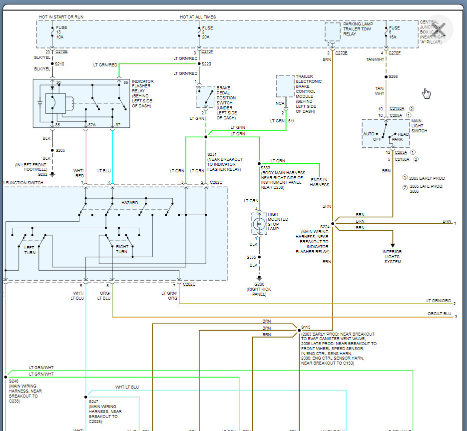
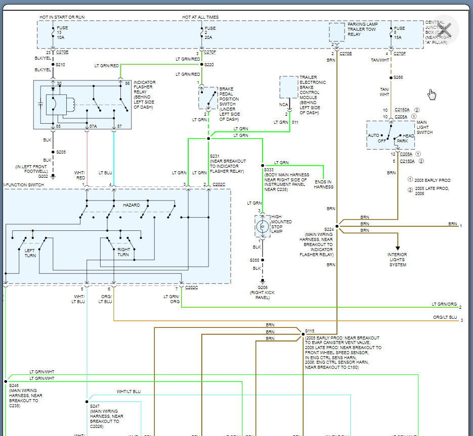
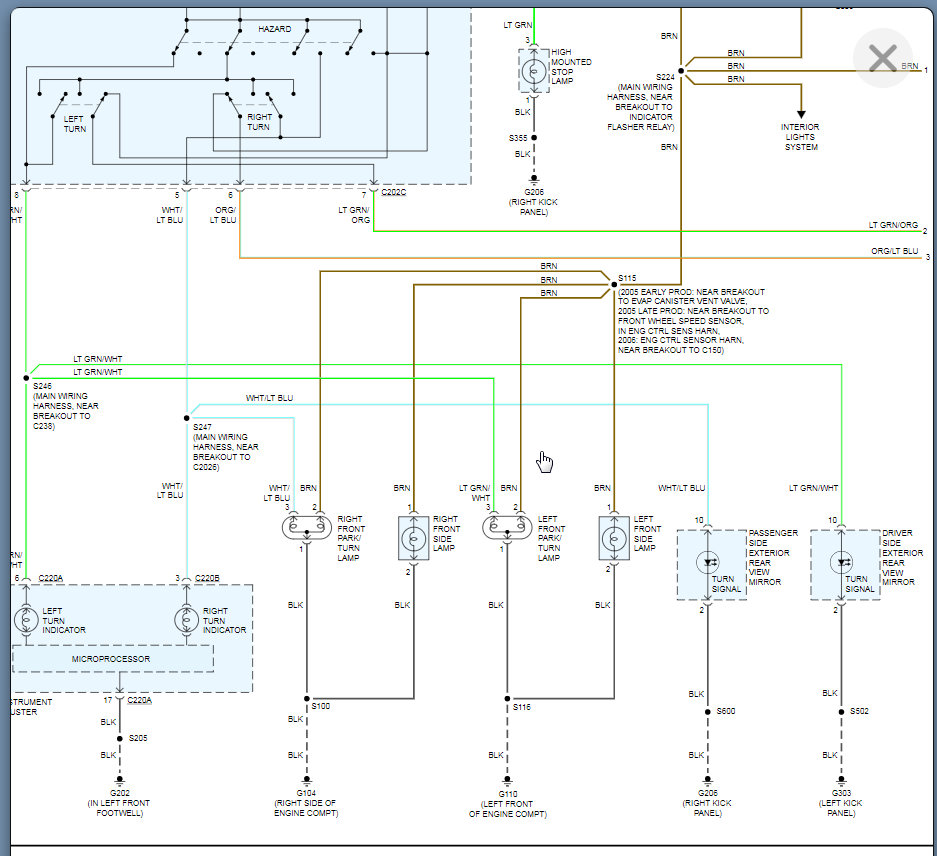
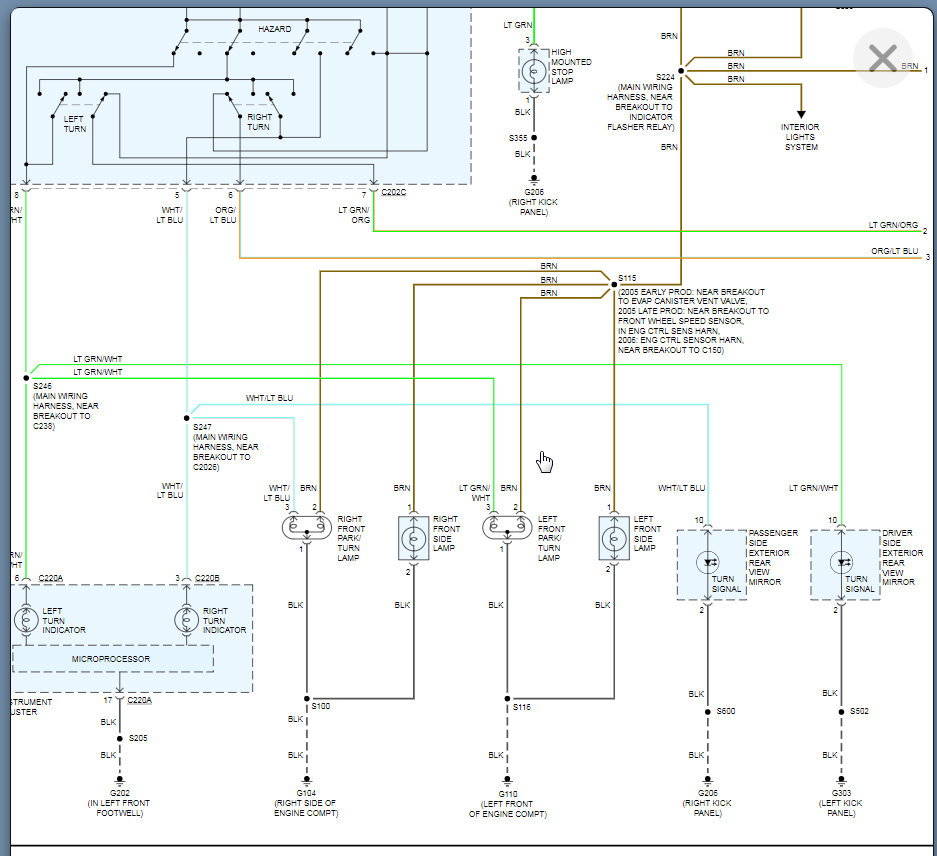
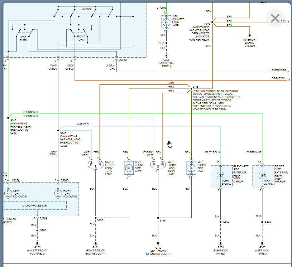
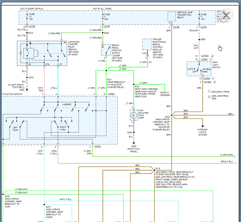
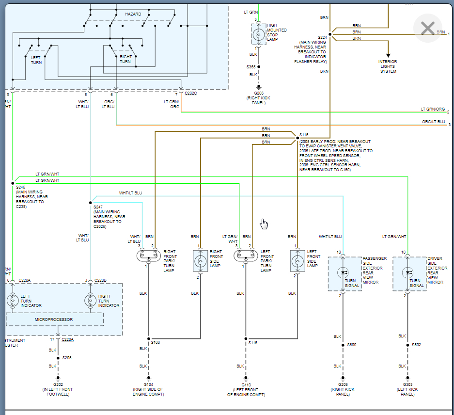
I pulled the relays and when I got to relay #6 and pulled it the problem ceased. Put the relay back in problem resumed. Tested relay. Swapped relay with like ones relay is good. I'm stumped. What could be the problem?



