10a Sensor fuse blows?

Tiny
ERIC1124
  • MEMBER
  • 2006 KIA RIO
  • 1.5L
  • 4 CYL
  • 2WD
  • AUTOMATIC
  • 160,000 MILES
10a Sensor fuse blows, everything down stream inoperable, O2 sensors, EVAP vent valve, A/C clutch relay, camshaft position sensor, heater control circuit, fans, all inoperable.

Voltage on both sides of fuse terminal.
Sunday, July 23rd, 2023 AT 11:36 PM

6 Replies

Tiny
KEN L
  • MASTER CERTIFIED MECHANIC
  • 55,488 POSTS
I would unplug the A/C compressor and then replace the fuse because it sounds like you have a compressor clutch coil that has shorted out. If the fuse does not blow with the compressor unplugged, it will need to be replaced. Here is a generic guide to help you step by step with instructions in the diagrams below to show you how on your car:

https://www.2carpros.com/articles/replace-air-conditioner-compressor

and

https://youtu.be/4EqdrBVb0sY

Check out the images (below). Please let us know how it goes.
Was this
answer
helpful?
Yes
No
Monday, July 24th, 2023 AT 2:47 PM
Tiny
ERIC1124
  • MEMBER
  • 4 POSTS
The camshaft position sensor power is still hot with fuse blown, indicating electrical short to power?
Was this
answer
helpful?
Yes
No
Monday, July 24th, 2023 AT 5:58 PM
Tiny
ERIC1124
  • MEMBER
  • 4 POSTS
I've disconnected all A/C fuses and relays and fuse still blows. I don't think it's the A/C compressor.
Was this
answer
helpful?
Yes
No
Monday, July 24th, 2023 AT 8:03 PM
Tiny
KEN L
  • MASTER CERTIFIED MECHANIC
  • 55,488 POSTS
Good job, let's unplug the oxygen sensors, and then if it doesn't blow plug them in one at a time to see which sensor heater is bad.
Was this
answer
helpful?
Yes
No
Tuesday, July 25th, 2023 AT 6:57 PM
Tiny
ERIC1124
  • MEMBER
  • 4 POSTS
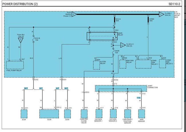
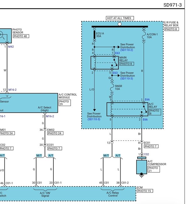
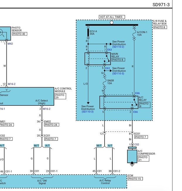
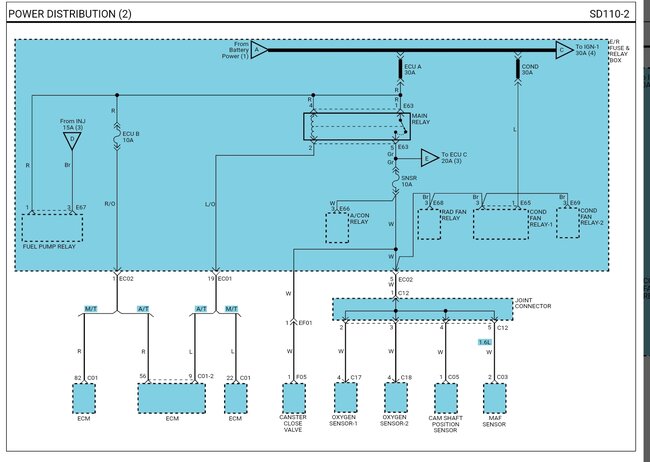
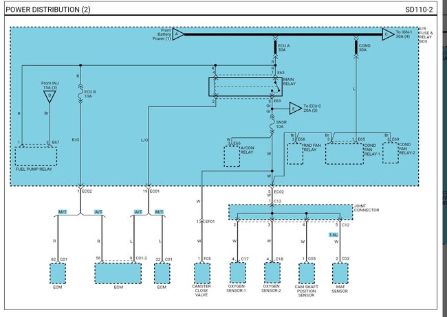
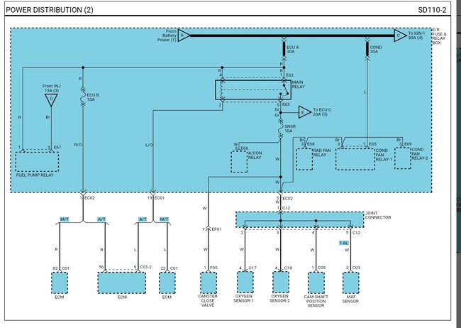
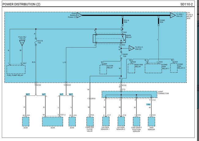
I've disconnected everything in the power distribution wiring diagram connected to the 10a sensor fuse. Still blows. With fuse removed and loads disconnected There's 10v at camshaft position sensor white wire and at the o2 sensors 4th white wire from the diagram(attached).

How's this possible with fuse and sensors removed, Is there a short to power in the wiring harness or joint connector? How do I go about finding this? Why is it 10v? If that's the case wouldn't there be more problems? With another circuit? Another fuse blown?

Battery is 12.5v. And running voltage 14.1v and ignition needs to be on to power circuit.

Both sides of fuse terminal show voltage with 10a sensor fuse removed. Is this normal? The load side should be 0v right? And power side is battery voltage?

Attached is control harness wiring, DTC codes, power distribution wiring for the 10a SNSR fuse, everything that goes into the joint connector, another main relay diagram, service manual for canister close valve, service manual 02 sensor diagram, camshaft position sensor diagram,

I confused the canister purge control solenoid valve for the canister close valve. I'll check that tomorrow and see if it changes anything.

I'll also check camshaft position sensor signal short to power.

Sorry, this seems to be a complicated problem and a lot of information.
Any help would be appreciated. Thank you, Ken.
Was this
answer
helpful?
Yes
No
Wednesday, July 26th, 2023 AT 12:13 AM
Tiny
KEN L
  • MASTER CERTIFIED MECHANIC
  • 55,488 POSTS
Yes, it is possible there is a short in the wiring, but I noticed the fan relays and EVAP control solenoid is powered by this fuse did you disconnect them as well? And you have a code for it the EVAP solenoid so this can be a clue.
Was this
answer
helpful?
Yes
No
Thursday, July 27th, 2023 AT 1:50 PM

Please login or register to post a reply.