Electrical no crank/start, no PRNDL indicator, no interior lights/Head lights/Taillights?

Tiny
WILLIAMB4
  • MEMBER
  • 2008 CHEVROLET IMPALA
  • 3.5L
  • V6
  • 2WD
  • AUTOMATIC
  • 129,040 MILES
About week ago, my car started to have the no crank no start no noise problem, I figured I should get some more insight on the situation than from reddit. So my car listed above LT, I drove to the corner store literally a 1 minute probably less than that away, I remote started my car before I left my house as well and everything was fine, until I came out the store about 2-5 minutes later, I put my key in the ignition this time and it just wouldn't crank, it would just click 1 time at that time an my headlights and interior lights still was working but even with a jump from my mom's car, it wouldn't start. So I put my car in neutral and rolled it back to my house the same day, luckily I was literally that close to my house but the next day I was thinking over my problem/situation because I have to get to work and doing some research I came to a conclusion that it was the starter but then I went outside that morning to the car and I couldn't lock/unlock my doors, my interior lights wouldn't come on anymore or nothing, so I told my dad what was going on and he said maybe the battery was just old/weak and so I got a new one, I even got a new brass terminal for the negative one because it was corroded and I cleaned my wire tips and other terminal for better connection, I got a jump right after, now only dash lights (no green light behind the dash like it use too though), radio, ac and side mirrors, electric chairs still work but nothing else, no headlights/taillights or other interior lights, not even a click anymore. I bought a starter as well and installed it, same issue still after installation, nothing changed,
I have done some more research but google just says, sometimes starter fuse's/relays or even the ignition switch/neutral safety switch but I'm constantly getting stomped. (My starter relay is fine, I switched my de-fog relay with it, it still didn't work but dad says he can hear click with both relays when I turn the key, my fuses I really can't say as I didn't really pull them out and look them) but I also noticed when I turn the key, the box the goes around the gears (PRND123) or (PRNDL) on the dash doesn't pop up any more like it doesn't sense/indicate what gear it's in anymore. L'm thinking that's why I can't shift my shifter also, I am pressing on my break and everything, could it be my ignition switch? I’m about ready to take it to the shop but really not trying to if I don’t have too. (Last night my headlights came back on for a little bit but then just shut off after I was playing with it).
Tuesday, December 10th, 2024 AT 11:29 AM

8 Replies

Tiny
WILLIAMB4
  • MEMBER
  • 6 POSTS
My key also gets stuck in the ignition.
Was this
answer
helpful?
Yes
No
Tuesday, December 10th, 2024 AT 2:09 PM
Tiny
KEN L
  • MASTER CERTIFIED MECHANIC
  • 55,469 POSTS
Yes, it can be the ignition switch but let's try to rotate the engine over by hand first.

These two videos can help us see what's going on:

https://www.youtube.com/watch?v=oN42gZN6gOE&t

and

https://www.youtube.com/watch?v=6YRW8fyNudY&t

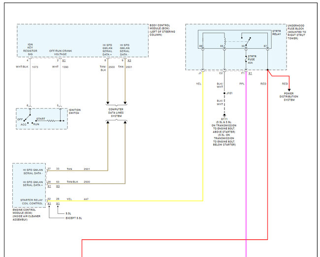
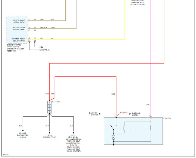
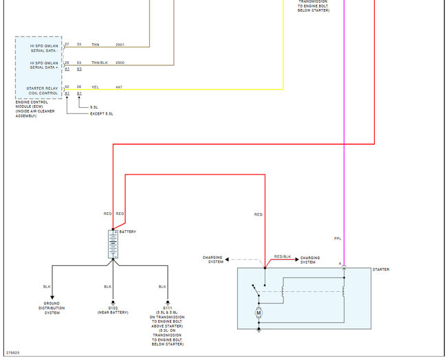
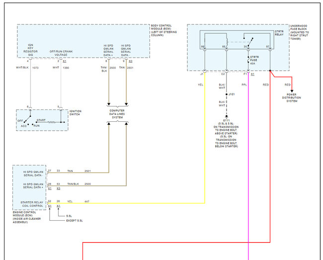
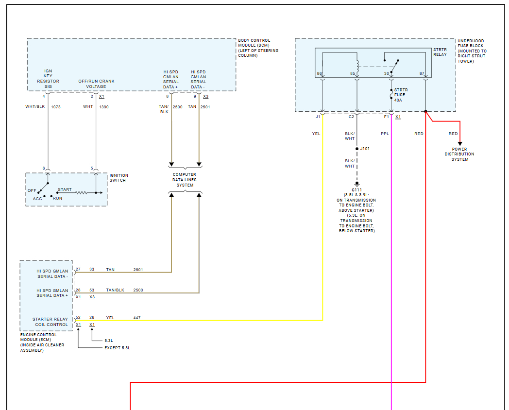
Here is a guide to help you test the ignition switch and I have included the starter and ignition switch wiring diagrams so you can see how the system works.

https://www.2carpros.com/articles/how-to-use-a-test-light-circuit-tester

Can I ask if the security light is flashing? Test the crank wire coming out of the ignition switch. Check out the images (below). Please upload pictures or videos in your response of any problems so we can see what to help you with.

Was this
answer
helpful?
Yes
No
Wednesday, December 11th, 2024 AT 10:40 AM
Tiny
WILLIAMB4
  • MEMBER
  • 6 POSTS
Okay, I will have somebody turn the engine but I don’t really think my engine is seized, I was adding oil every 2 weeks or so because I have an oil leak and also I checked my dip stick, it has t dots off oil now. At first it was three, I always added a little to get to the 4 dot or under it. And the security light? What am I looking for exactly? What does it look like? Sorry for the lack of knowledge but this is my first time having a car.
Was this
answer
helpful?
Yes
No
Wednesday, December 11th, 2024 AT 12:45 PM
Tiny
WILLIAMB4
  • MEMBER
  • 6 POSTS
Two dots**
Was this
answer
helpful?
Yes
No
Wednesday, December 11th, 2024 AT 12:46 PM
Tiny
KEN L
  • MASTER CERTIFIED MECHANIC
  • 55,469 POSTS
No worries, it will be a red lock blinking if the security system is enabled. Please go over the other guides above and check the fuse as well.
Was this
answer
helpful?
Yes
No
Thursday, December 12th, 2024 AT 12:23 PM
Tiny
WILLIAMB4
  • MEMBER
  • 6 POSTS
No it doesn’t stay on, I see it comes on but goes off, it doesn’t blink and I will this weekend as I don’t have a multimeter or obd2 scanner. My coworker will check it for me.
Was this
answer
helpful?
Yes
No
Thursday, December 12th, 2024 AT 12:45 PM
Tiny
WILLIAMB4
  • MEMBER
  • 6 POSTS
I went outside right after that reply to look at the theft sign again to make sure and it wasn’t there but my car started up after my second attempt turning the key and everything is working again and my key doesn’t get stuck in the ignition anymore, what could that mean? Something was loose? Or it’s cold out here in Wisconsin. I even left my car on for like 30 mins before turning it off and it started again and I turned it off once more and then I remote started it, it seems to be back how it was when I got it. It doesn’t make sense to me, all I did was go outside, put the key in the ignition and turned a little and also was stepping on the gas sometimes, the box around my PRND321 is back and also my shifter moves freely again when foot is on break. It’s like my electrical system revived or something.
Was this
answer
helpful?
Yes
No
Thursday, December 12th, 2024 AT 2:09 PM
Tiny
KEN L
  • MASTER CERTIFIED MECHANIC
  • 55,469 POSTS
Yes, the cold can cause problems, but I would run the codes to see if any are stored. you may have an instrument cluster that is going bad. You can get a CAN scanner (Controller Area Network) which will work on most cars from Amazon.

Here is a video to show you how:

https://youtu.be/u-4syLc-ifQ

Please let us know what happens.
Was this
answer
helpful?
Yes
No
Friday, December 13th, 2024 AT 12:21 PM

Please login or register to post a reply.