Electrical malfunction

Tiny
KORNOWSKIADAM
  • MEMBER
  • 2009 DODGE CARAVAN
  • 3.8L
  • 6 CYL
  • 2WD
  • AUTOMATIC
  • 187,500 MILES
My 2009 Grand Caravan SXT is having an electrical malfunction. The vehicle runs, but the windshield wipers run without being turned on, the headlamps are on when the switch is in the off position, the power sliding door on the driver side wont open and all of the lights on the instrument cluster are illuminated. I disconnected the battery and reconnected it after 15 minutes and it did nothing. I checked the fuses and none appeared bad. What could possibly be causing this issue?

Thanks
Wednesday, March 18th, 2020 AT 8:51 AM

6 Replies

Tiny
ASEMASTER6371
  • MECHANIC
  • 52,796 POSTS
Good afternoon,

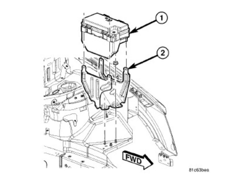
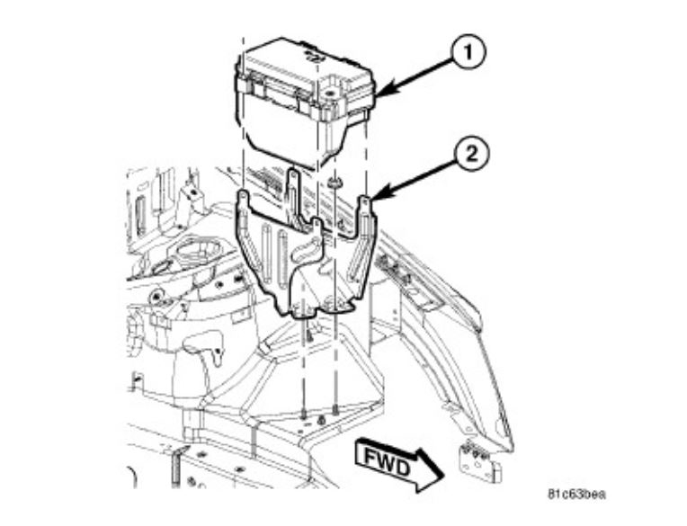
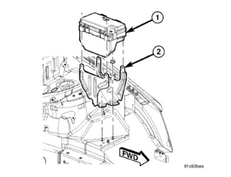
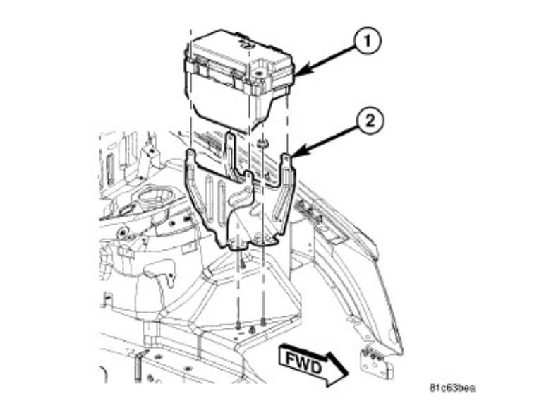
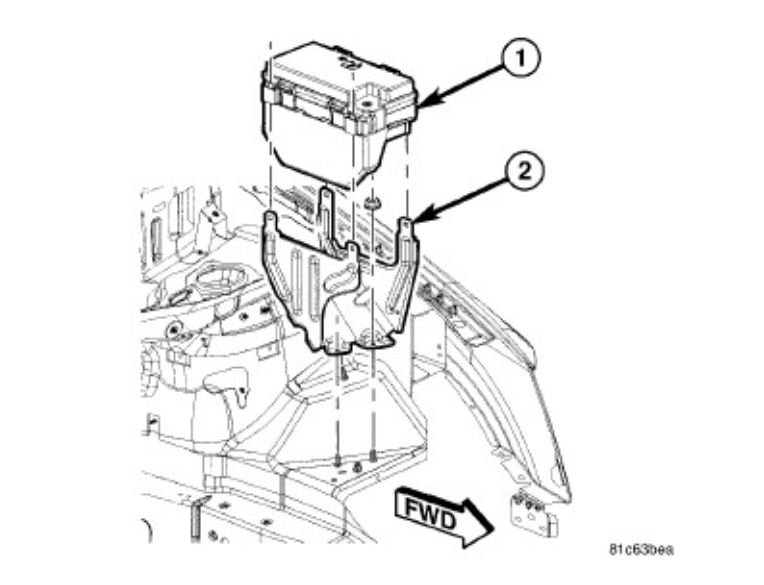
The most common issue for this problem is the TIPM or the fuse block under the hood. It I is a control module as well for all body functions.

This is a plug and play module with no programming needed.

I attached a picture, the procedure and the part below.

Roy
Was this
answer
helpful?
Yes
No
+1
Wednesday, March 18th, 2020 AT 9:55 AM
Tiny
KORNOWSKIADAM
  • MEMBER
  • 3 POSTS
Does this part just need to be exchanged for a new one?

Thanks
Was this
answer
helpful?
Yes
No
Wednesday, March 18th, 2020 AT 10:26 AM
Tiny
ASEMASTER6371
  • MECHANIC
  • 52,796 POSTS
That is correct.

Roy
Was this
answer
helpful?
Yes
No
Wednesday, March 18th, 2020 AT 10:42 AM
Tiny
KORNOWSKIADAM
  • MEMBER
  • 3 POSTS
I changed out the TIPM box. The issue didn't resolve. Could it be the computer module instead of the TIPM box?

Thanks
Was this
answer
helpful?
Yes
No
Wednesday, March 18th, 2020 AT 5:47 PM
Tiny
ASEMASTER6371
  • MECHANIC
  • 52,796 POSTS
Let me check.

Roy
Was this
answer
helpful?
Yes
No
Wednesday, March 18th, 2020 AT 6:04 PM
Tiny
ASEMASTER6371
  • MECHANIC
  • 52,796 POSTS
Did you install a new or used TIPM?

Roy
Was this
answer
helpful?
Yes
No
-1
Thursday, March 19th, 2020 AT 5:38 AM

Please login or register to post a reply.