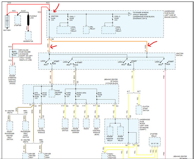
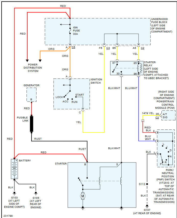
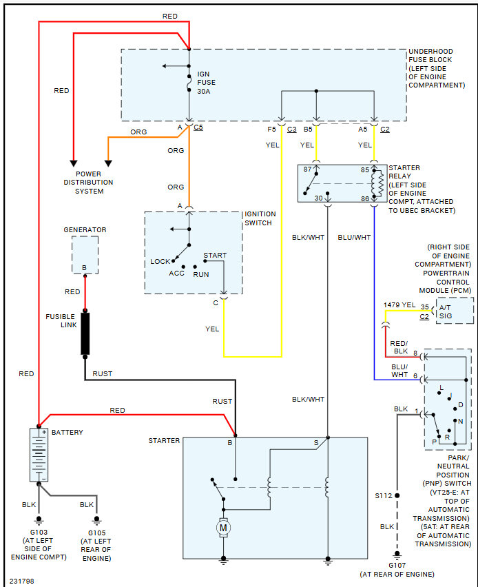
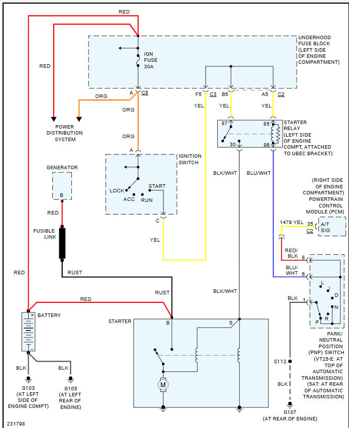
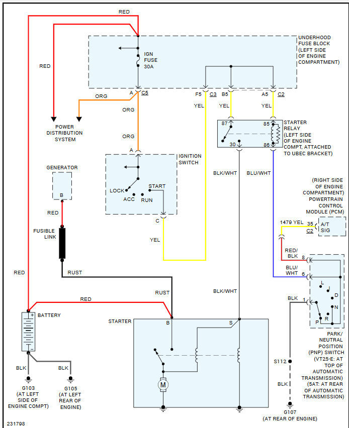
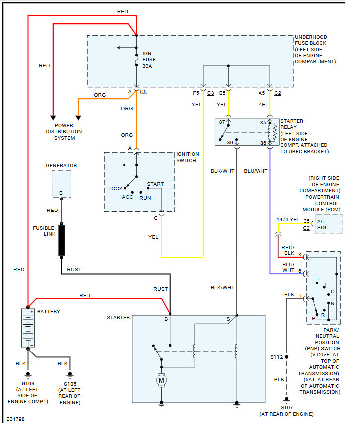
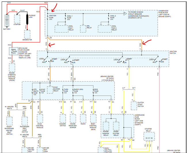
No crank, no start, intermediate dash lights/gauges working, computer will not communicate with a code reader. Engine does crank by either jumping the solenoid on the starter or running a wire from the starter relay to the battery. Replaced the cylinder lock, ignition switch, ECM and crank sensor. Fuses and relays are good. I came across a YouTube video of a vehicle with the same issues and it was the fusible link. I haven't tested it yet. Could it be that or something else? Rheumatoid arthritis has made working on my car difficult and I physically can't work on it too long before I start hurting. Besides what I replaced on it; I've spent an extra $5k+ from my slicing my finger open while figuring out what's wrong. I know it's high mileage, but it's been a great vehicle.
Any information that could help would be greatly appreciated.
Thanks
Any information that could help would be greatly appreciated.
Thanks
Feb 24, 2025 at 2:36 PM








