Wednesday, September 6th, 2017 AT 7:33 PM
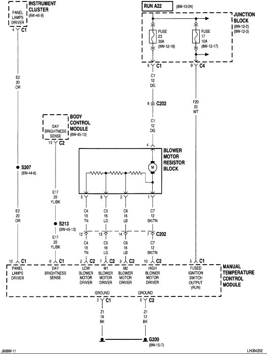
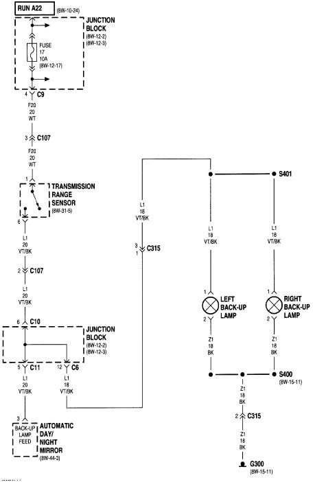
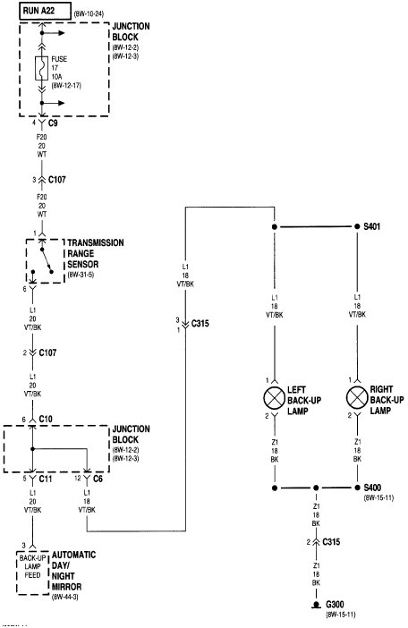
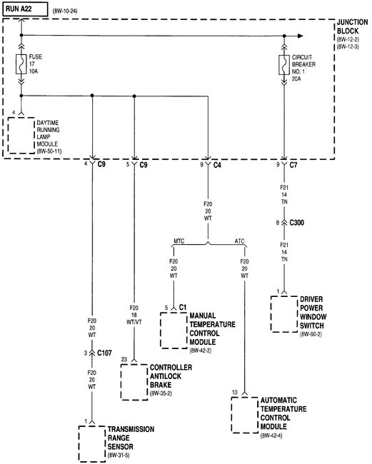
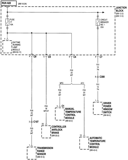
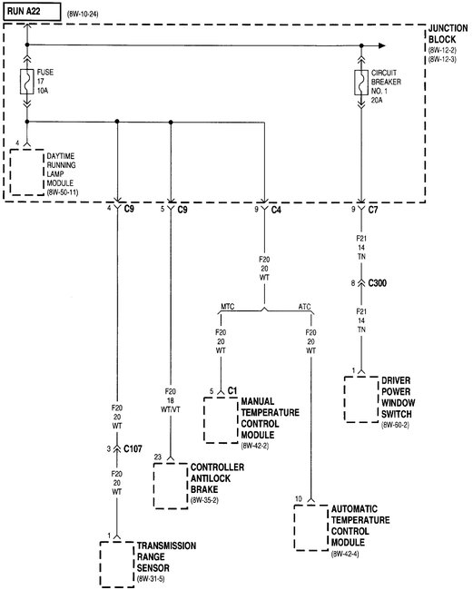
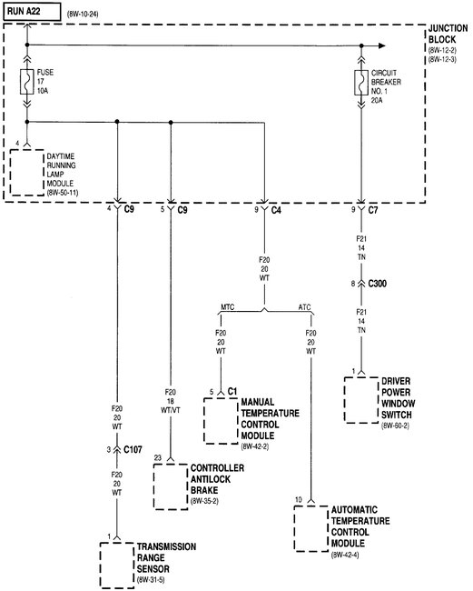
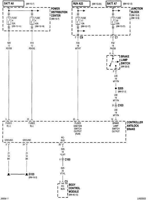
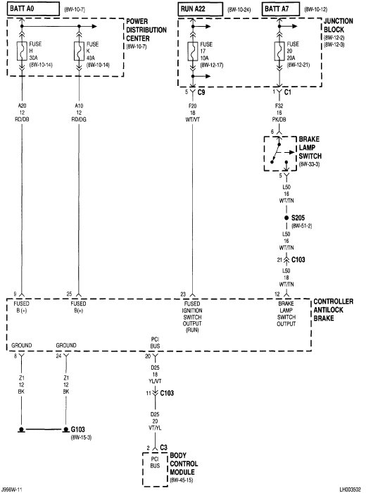
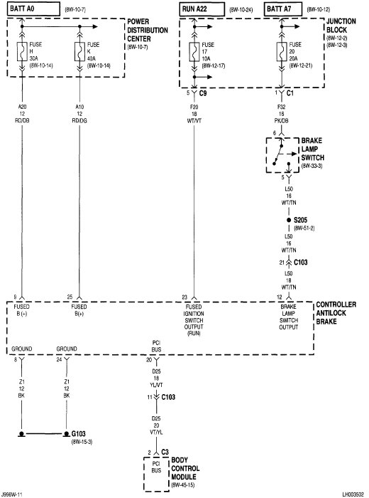
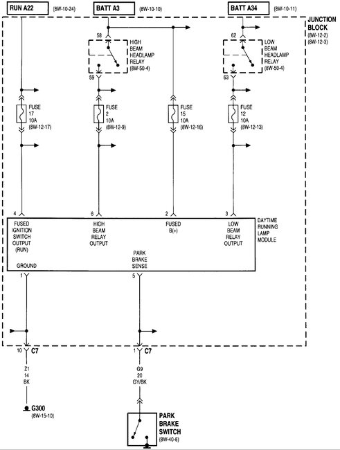
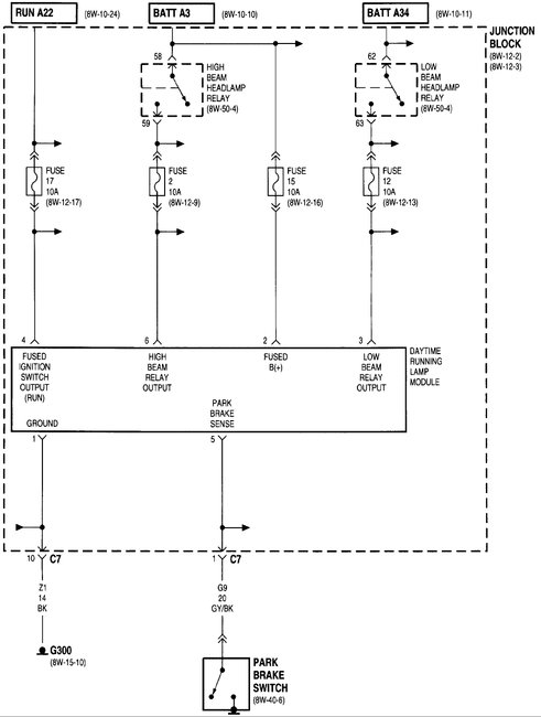
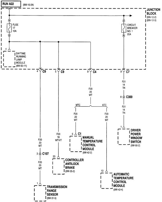
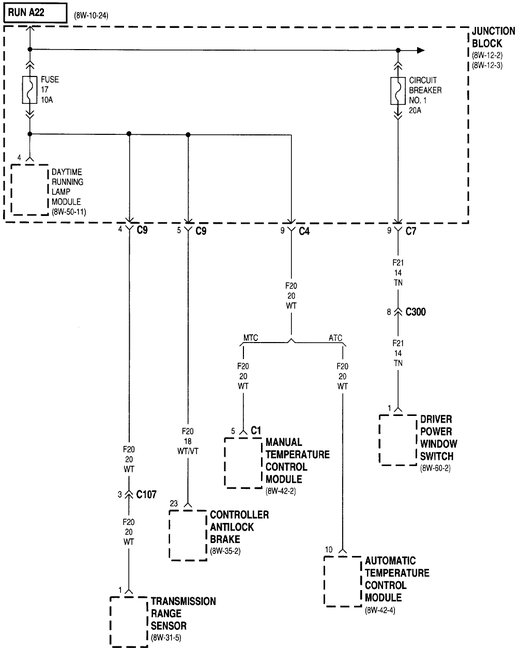
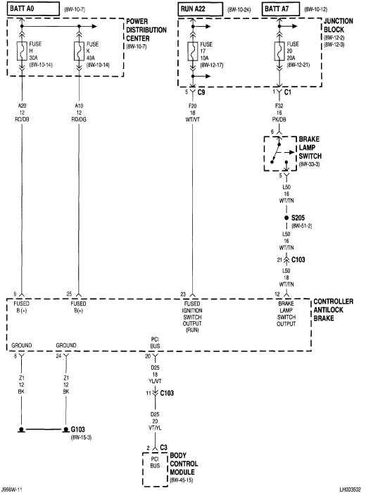
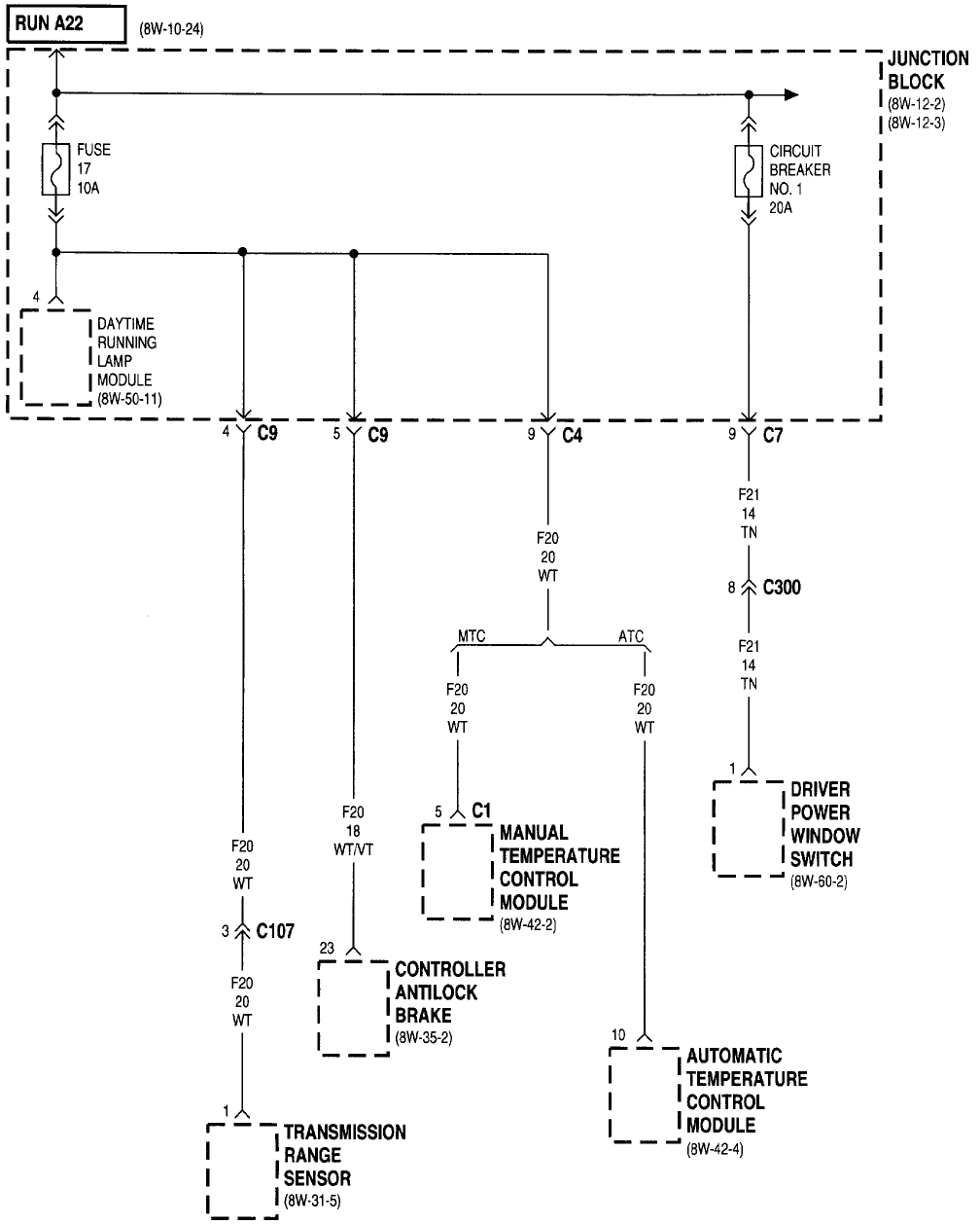
Hi guys, I see that I am not the only person out there with electrical issues with my Concorde. I had two problems occur simultaneously. My ABS light and brake warning light came on at the same time as the heater went to default mode: no control, only the defroster on full tilt. The dealer told me that the HVAC controller went out and that the blower motor and blower motor resister needed to be replaced. This much has been done, however when the mechanic who installed these parts attempted to operate the heater, it blew the 10 amp fuse. The two warning lights are still lit as well (they come on about five seconds after the car starts and stay lit). Winter's coming and I need to find the problem. Also, the backup lights quit about the same time. I do not know if any of this is connected. If you could shed any light on this it would be greatly appreciated.









