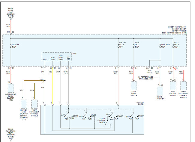
Saturday, January 11th, 2025 AT 9:41 PM
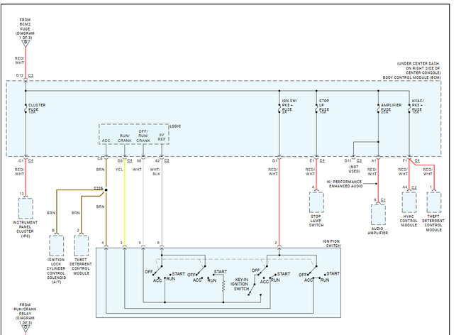
While driving car says charging system issue and it shuts off while on the highway with a brand-new battery there's power to the alternator but not anything on the dash no codes.





