Electrical issues diagram of the engine computer pinout needed?

Tiny
FLICK23
  • MEMBER
  • 2013 CHRYSLER TOWN AND COUNTRY
  • V6
  • 2WD
  • AUTOMATIC
  • 182,000 MILES
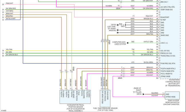
In need of a diagram of the engine computer pin out. Would like to run some tests.
Wednesday, June 7th, 2023 AT 11:29 AM

3 Replies

Tiny
AL514
  • MECHANIC
  • 5,596 POSTS
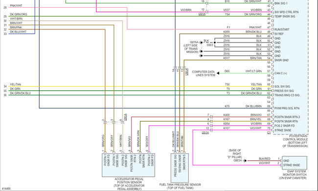
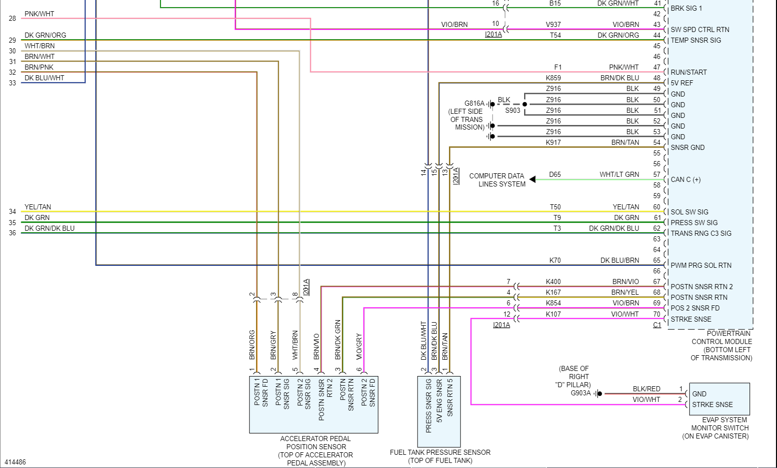
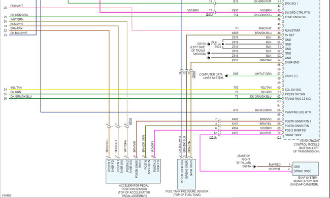
Hello, there are 6 pages for the ECM diagrams, we will be happy to post them for you. It will be 2 diagrams for each page, top and bottom, so you can print them out and tape them together. Just give us a few minutes.
Diagrams 1,2- 3,4 - 5,6 - 7,8 - 9,10 - 11,12 go together, I will go through the OEM diagrams to verify these are correct. Any differences will be posted shortly.
Be careful when testing with certain incandescent test lights, they can pull too much current for certain ECM circuits.
There is a list of Technical Service Bulletins for the ECM.

https://www.2carpros.com/articles/how-to-check-wiring

https://www.2carpros.com/articles/how-a-car-computer-works-pcm-ecm-bcm

https://www.2carpros.com/articles/how-to-replace-a-vehicles-main-engine-computer-pcm-ecm-ecu
Was this
answer
helpful?
Yes
No
Wednesday, June 7th, 2023 AT 11:37 AM
Tiny
FLICK23
  • MEMBER
  • 2 POSTS
AL514, you're the best! I know it was a lot to put together. So, thank you and I will keep you posted. When I get a few minutes I'll explain the details of the problem. Maybe it will help someone else.
Was this
answer
helpful?
Yes
No
Thursday, June 8th, 2023 AT 2:00 PM
Tiny
AL514
  • MECHANIC
  • 5,596 POSTS
Okay, that would be cool. We would like to know what the testing is for and possible repair. It always helps with future issues. Thanks.
Was this
answer
helpful?
Yes
No
Thursday, June 8th, 2023 AT 4:31 PM

Please login or register to post a reply.