Saturday, September 10th, 2016 AT 2:20 PM
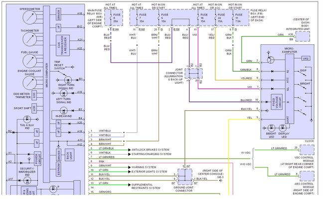
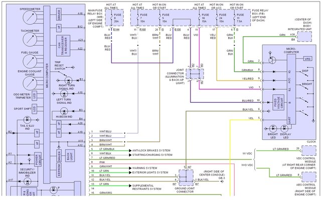
Tried installing a blow off valve and must have blown something. I unplugged the battery and when I plugged it back in my radio, clock, automatic air conditioner and heater, dome lights, key less entry went out. Checked all the fuses and they are all fine, I do not know what to do. I tried tapping into the clock when installing the bov. Help me please!




