Monday, February 26th, 2024 AT 3:54 PM
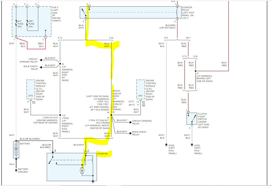
The truck is in park, I insert the key and turn to 1st spot on ignition, it immediately starts to crank the engine but doesn't start, the starter motor keep turning as I move to the crank spot on ignition, turning the motor over, and it starts and I believe the starter is still turning over once it starts. I can shift the truck into neutral and everything is normal, turn ignition off, 1st spot on ignition, the starter motor is not turning. I then turn the ignition to crank mode and it turns the engine over and it starts and the starter motor stops turning. When the truck is in neutral this ignition problem doesn't exist. Operates normally. I am thinking the NSS switch might be the problem.







