Electrical issue

Tiny
ROCKY THE ROOFER
  • MEMBER
  • 1988 FORD RANGER
  • 2.9L
  • 6 CYL
  • 2WD
  • AUTOMATIC
  • 150,000 MILES
Positive post touched hood and killed the engine. Now it will not start. I do not hear the fuel pump kick in when I turn key. Any help appreciated.
Sunday, June 5th, 2016 AT 7:26 PM

3 Replies

Tiny
CJ MEDEVAC
  • MECHANIC
  • 11,005 POSTS
Check them fuses first.

I am banking on it being a fusible link.

This link may apply to you also.

https://www.2carpros.com/questions/car-not-starting-119623

Let me know if you need additional information.

The Medic
Was this
answer
helpful?
Yes
No
Sunday, June 5th, 2016 AT 7:54 PM
Tiny
ROCKY THE ROOFER
  • MEMBER
  • 1 POST
Where are the fusible links on my car?
Was this
answer
helpful?
Yes
No
+1
Monday, June 6th, 2016 AT 12:53 PM
Tiny
CJ MEDEVAC
  • MECHANIC
  • 11,005 POSTS
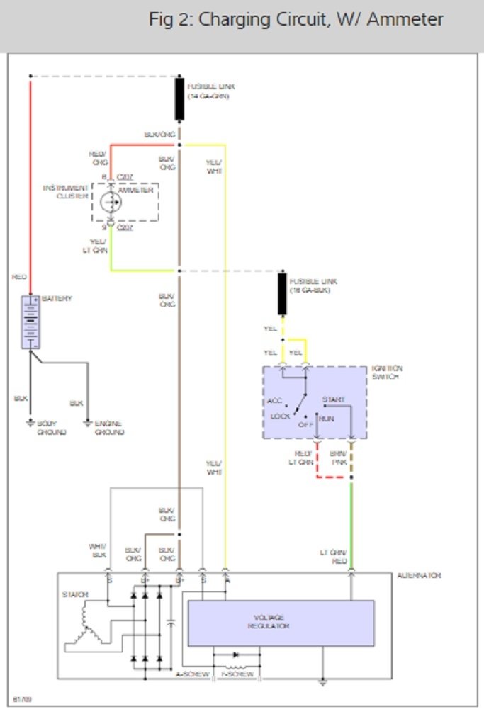
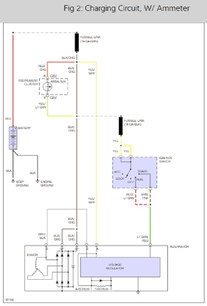
Got you two diagrams from "Prodemand" to use

Actually there are three.

Read the tops of them and rule out the one that does not apply to you set-up

The fusible links are black.

They have information about their size/ load capacity beside them.

Do not "rig" something in place of them.

They are the last defense in keeping your wire harnesses from, at worse, flaming up!

I have seen a few vehicles burn to the ground due to what seemed to be a just a few wires smoking to begin with.

Replace fuses/ fusible links with the proper equivalent part.

Always replace a fusible link with another fusible link of the same amps.

Nothing like watching your vehicle burn to the ground cause you cheated. If it is in the garage, you might be looking for another place to live.

Just to get you acquainted with the situation, I have demonstrated "my" fusible links in my Jeeps in this link below (bottom end of the link).

https://www.2carpros.com/questions/1969-ford-bronco-turn-key-and-nothing-happens

I hope this helps you out!

Your turn.

The Medic

PS. Just thought about this- sometimes a short might "just" mess up the connections to your battery. So why don't you check out the connections, insure they are in good working order. This applies to each end of the battery cable/ clamps before you get real deep into this.

Some of this may post may aid you. Pictures and other information at the end.

https://www.2carpros.com/questions/1996-chevrolet-tahoe-wont-start-sounds-dead-battery-jumpbox-get-same-reults
Was this
answer
helpful?
Yes
No
Monday, June 6th, 2016 AT 3:49 PM

Please login or register to post a reply.