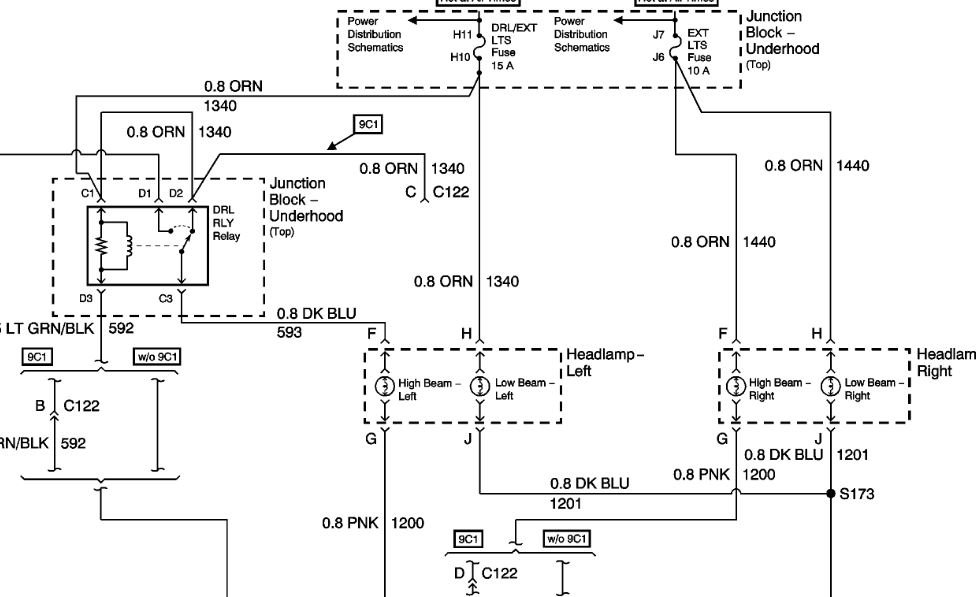
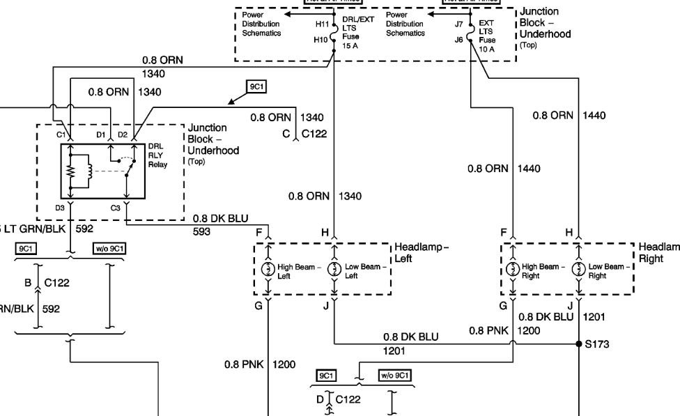
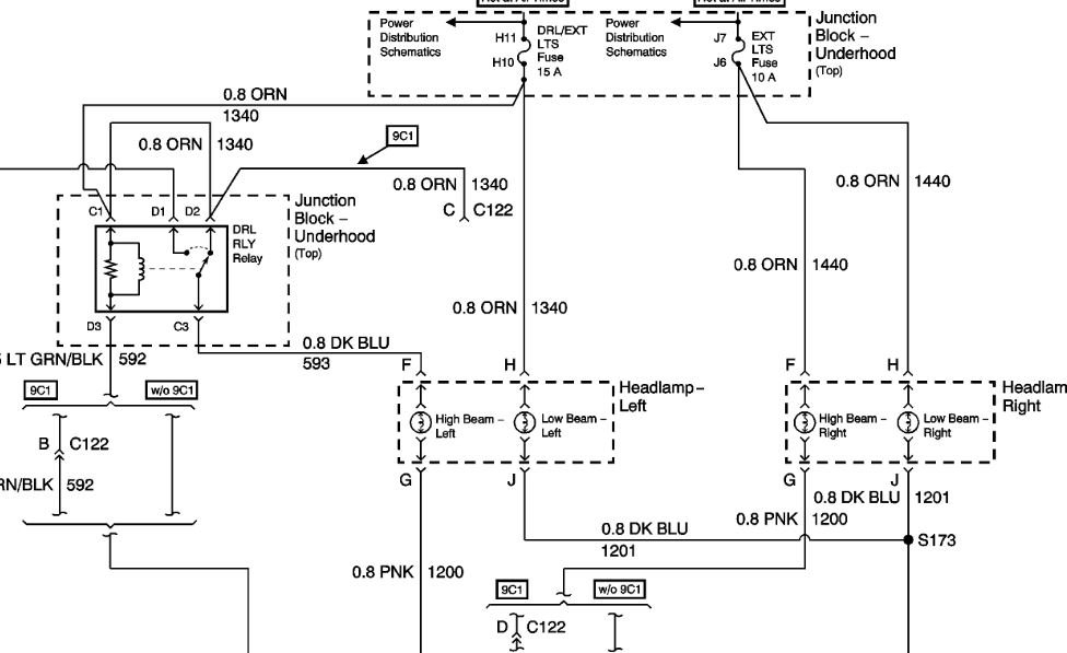
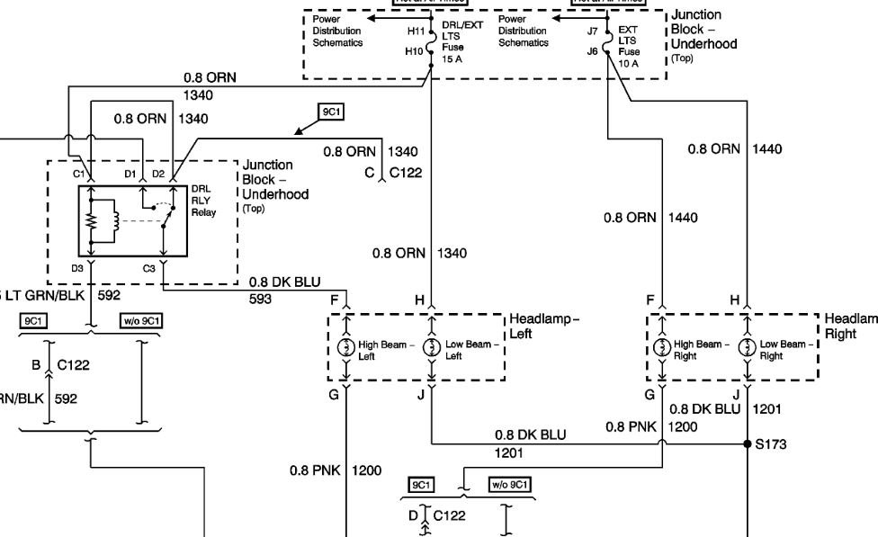
Saturday, June 23rd, 2018 AT 6:49 PM
Just bought car wrecked in front. Passenger side headlights work fine the driver side headlights are on but very dim and the bright and dim are on at same time. Replace bulbs and checked the ground did not do any difference.


