Electrical ground location

Tiny
MBARNUM
  • MEMBER
  • 1990 CHEVROLET 1500
  • 0.5L
  • V8
  • 2WD
  • AUTOMATIC
  • 115,000 MILES
Can you tell me where the ground location is that comes directly off the turn signal flasher?
Thursday, October 26th, 2017 AT 7:30 AM

3 Replies

Tiny
KEN L
  • MASTER CERTIFIED MECHANIC
  • 55,535 POSTS
Is it a two terminal flasher? If so there is no ground it is an in circuit device.
Was this
answer
helpful?
Yes
No
Friday, October 27th, 2017 AT 12:22 PM
Tiny
MBARNUM
  • MEMBER
  • 2 POSTS
It is a three terminal flasher.
Was this
answer
helpful?
Yes
No
Friday, October 27th, 2017 AT 12:57 PM
Tiny
KEN L
  • MASTER CERTIFIED MECHANIC
  • 55,535 POSTS
Hello again,

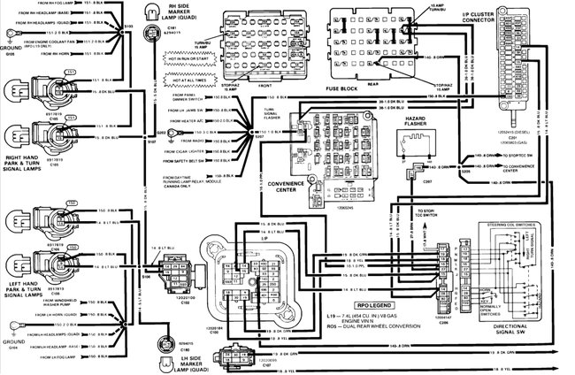
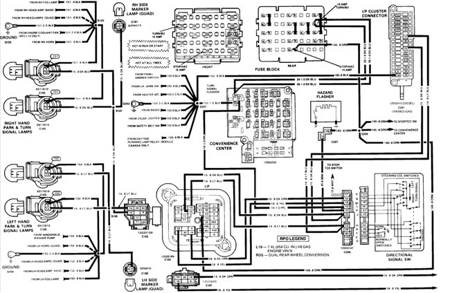
Here is a list of all of the electrical system grounds.

Ground G100: RH Front Of Engine
Ground G102: LH Front Of Engine
Ground G104: Behind LH Headlamp, On Radiator Support
Ground G105: Behind RH Headlamp, On Radiator Support
Ground G106: RH Rear Of Engine Compartment, Near Battery Junction Block
Ground G107: LH Front Of Engine
Ground G108: Front Of Engine, At Coolant Outlet
Ground G109: RH Rear Of Engine Compartment Near Battery Junction Block
Ground G110: RH Rear Of Engine Compartment Near Battery Junction Block
Ground G111: RH Rear Of Engine Compartment Near Valve Cover
Ground G200: Under LH Side Of Instrument Panel
Ground G202: Behind LH Side Of I/P, On ALDL Bracket
Ground G300: Near Fuel Tank
Ground G301: Below RH Side Of Rear Window
Ground G302: Under LH Side Of Instrument Panel
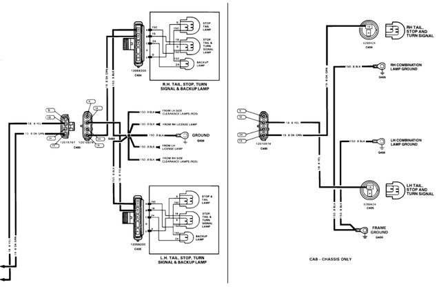
Ground G400: LH Rear Frame
Ground G401: Under Tailgate

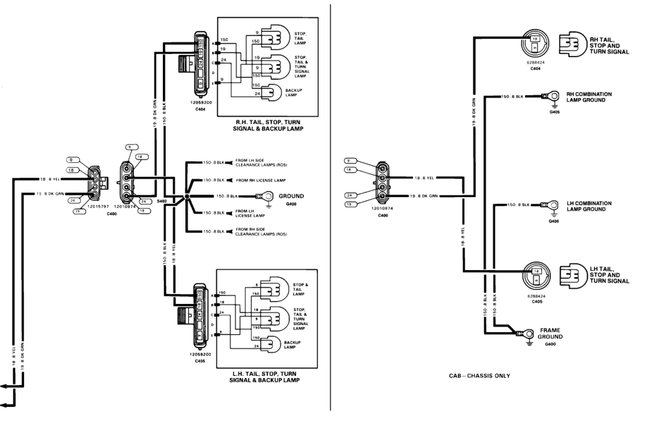
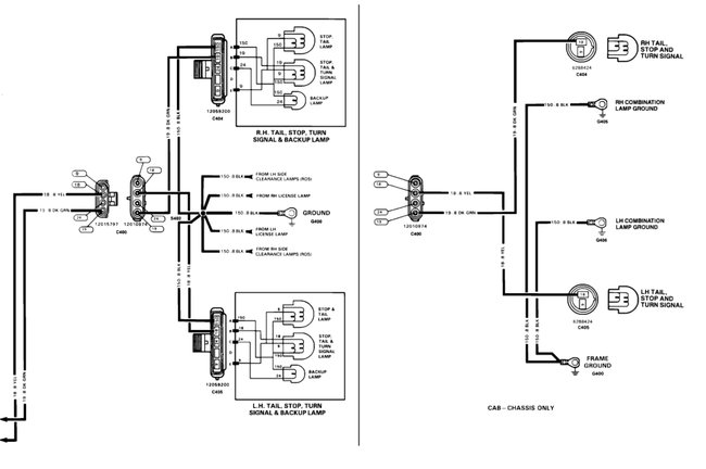
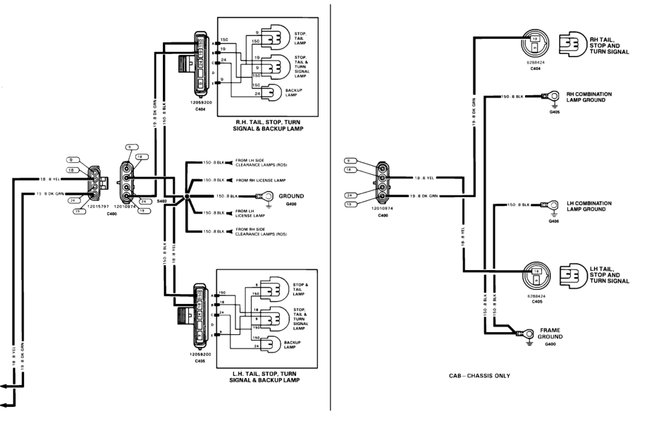
Here is the wiring diagram for brake turn signal and running lights for your 1900 chevy truck (below)

Let us know what happens and please upload pictures or videos of the problem.

Cheers, Ken
Was this
answer
helpful?
Yes
No
Saturday, October 28th, 2017 AT 3:34 PM

Please login or register to post a reply.