Monday, July 20th, 2020 AT 2:48 AM
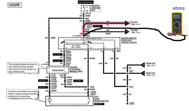
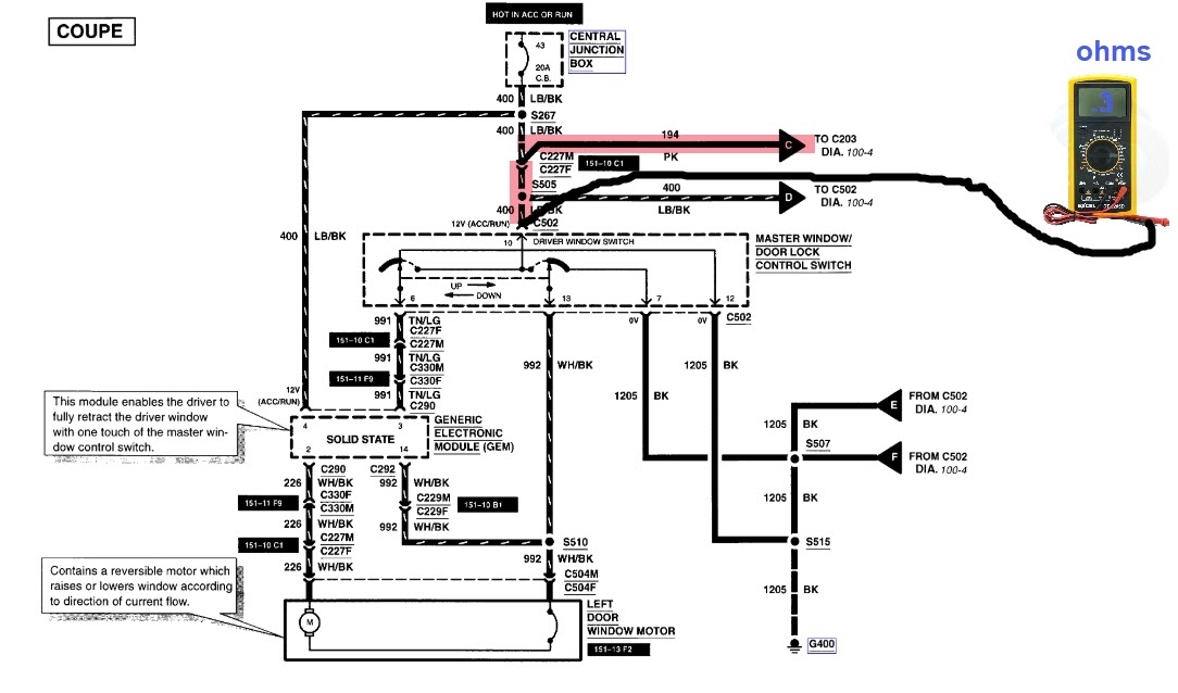
When you try to lock the doors the driver side locks but the passenger side doesn't and also the same for as unlocking them and also the power windows work on the driver side but not on the passenger side. The passenger side power window button doesn't roll up or down you have to do it from the driver side.






