Electrical diagram from shifter interlock solenoid?

Tiny
DIY TROUBLESHOOTER
  • MEMBER
  • 2019 KIA SORENTO
  • V6
  • 2WD
  • AUTOMATIC
  • 35,000 MILES
Hi, my car is stuck in park. Just wondering if you have an electrical diagram from shifter interlock solenoid going to main box. The problem is not giving enough voltage into solenoid when the brake is engaged.
Saturday, November 26th, 2022 AT 2:42 PM

1 Reply

Tiny
JACOBANDNICKOLAS
  • MECHANIC
  • 110,194 POSTS
Hi,

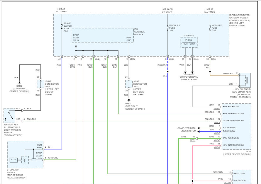
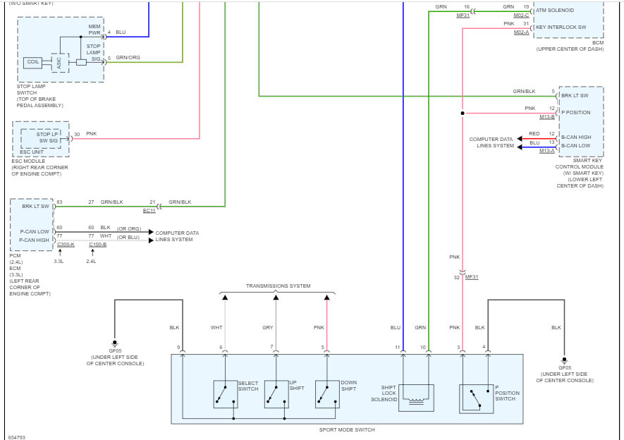
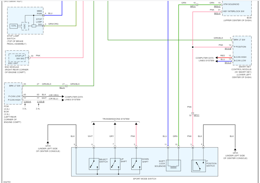
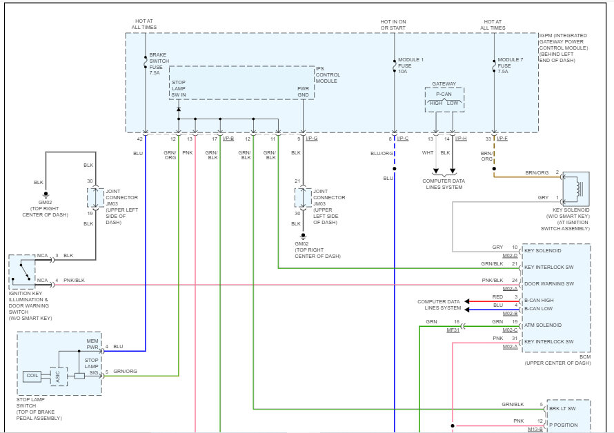
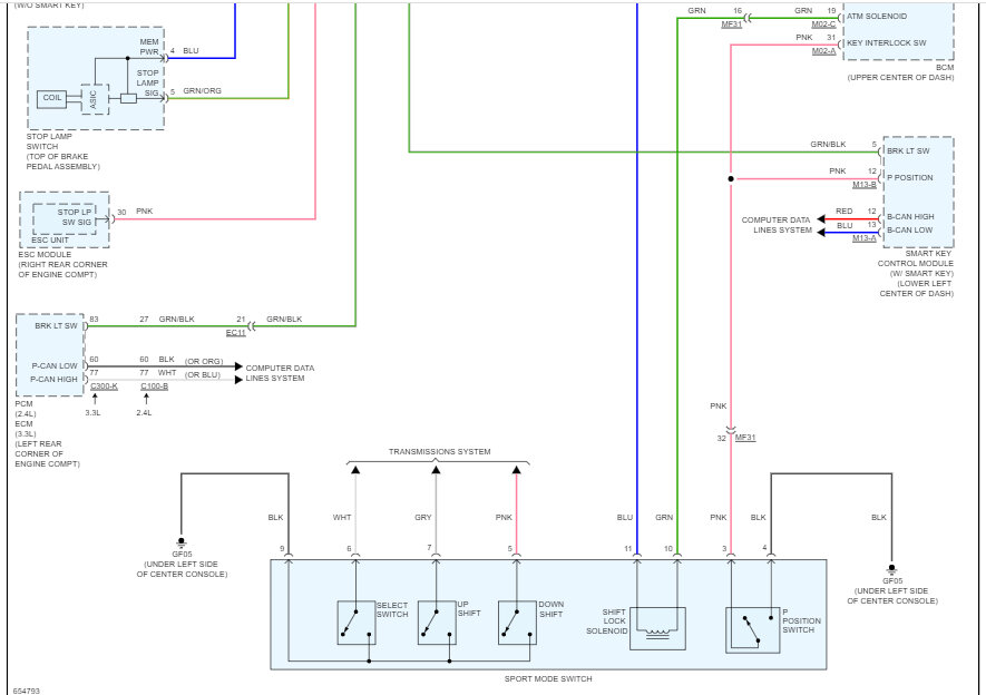
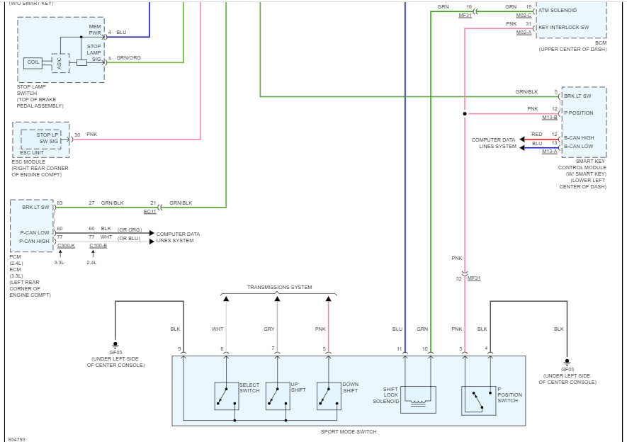
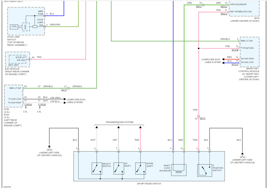
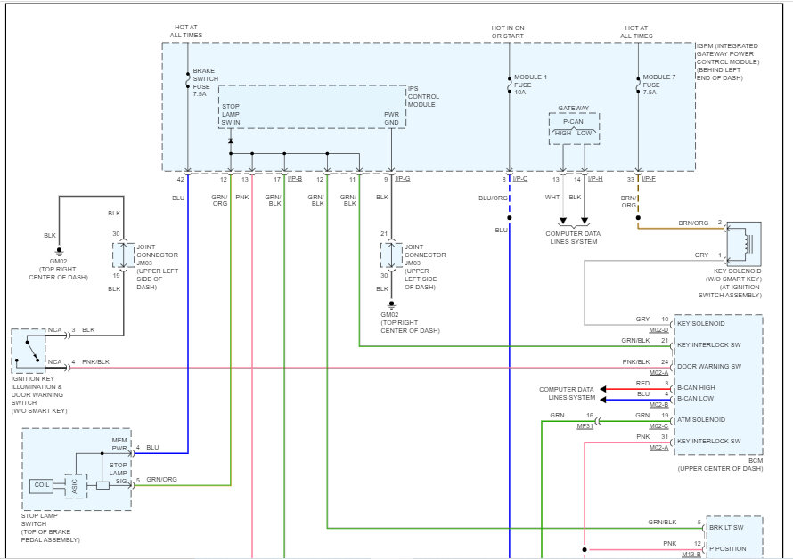
I attached the wiring schematic below related to the shift interlock circuits. If you look at the bottom of the second pic, that is where you will find the solenoid.

As far as power, it is provided via the module 1 fuse in the fuse box under the dash. That power is present at all times. When you press the brakes, the body control module provides a ground path releasing the solenoid.

Take a look through the schematics and let me know if they help or if you have other questions.

Take care,

Joe

See pics below. Note: I had to cut the schematic in half to make it readable. I did overlap the two halves so you can follow from one to the next.
Was this
answer
helpful?
Yes
No
+3
Saturday, November 26th, 2022 AT 11:34 PM

Please login or register to post a reply.