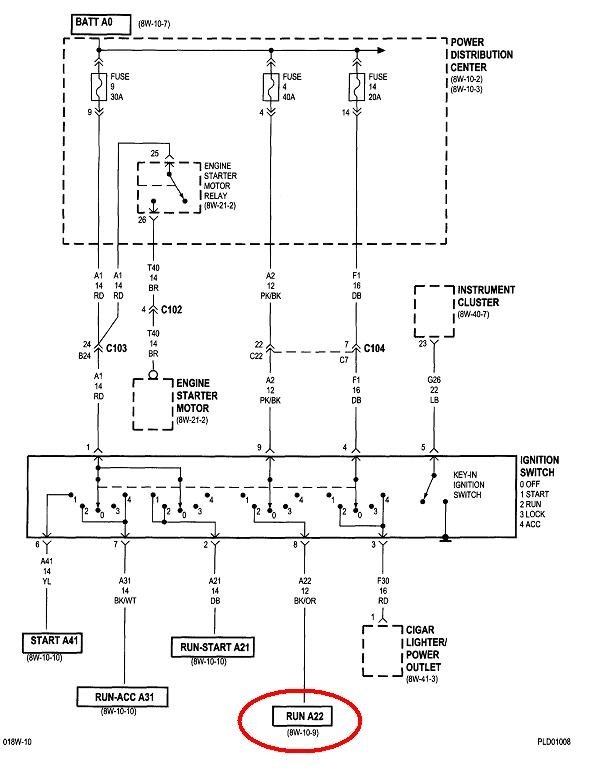
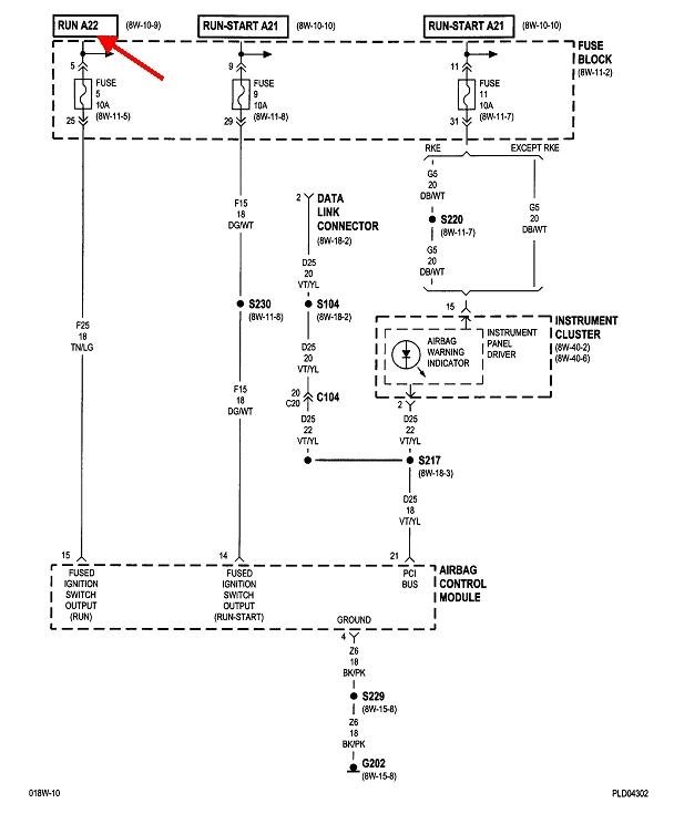
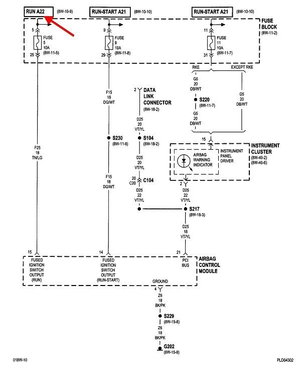
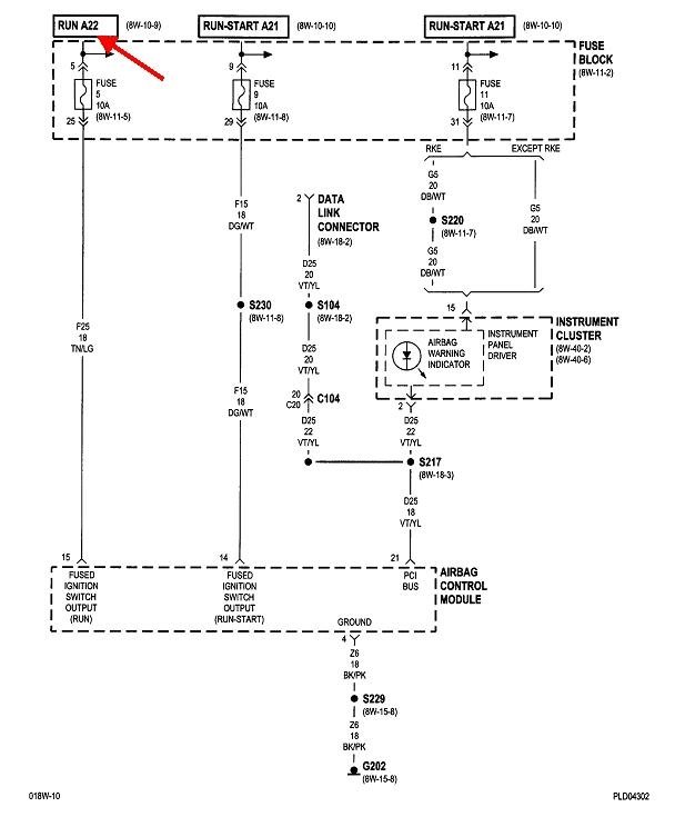
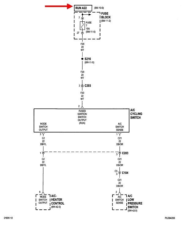
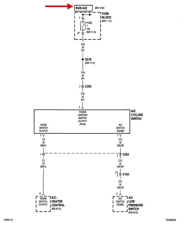
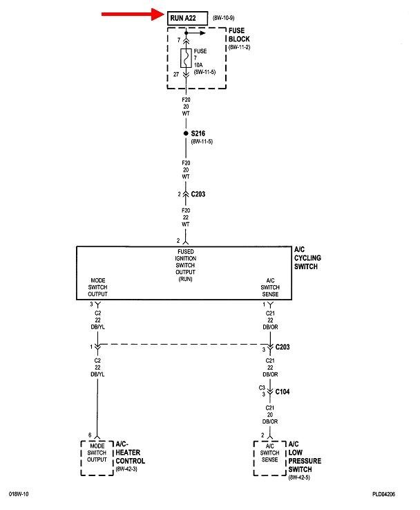
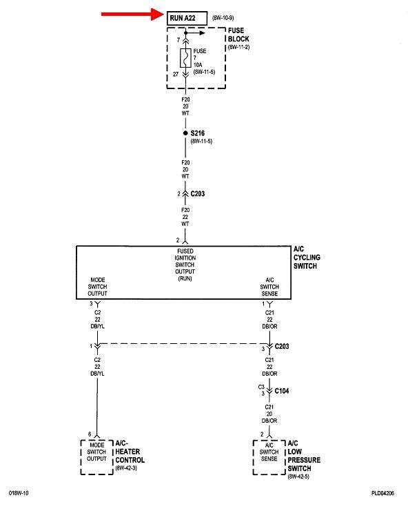
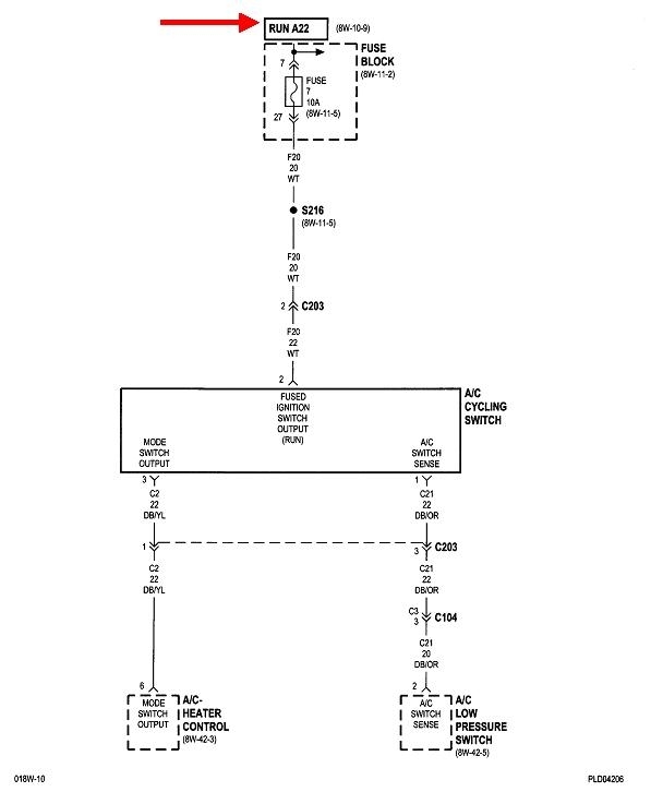
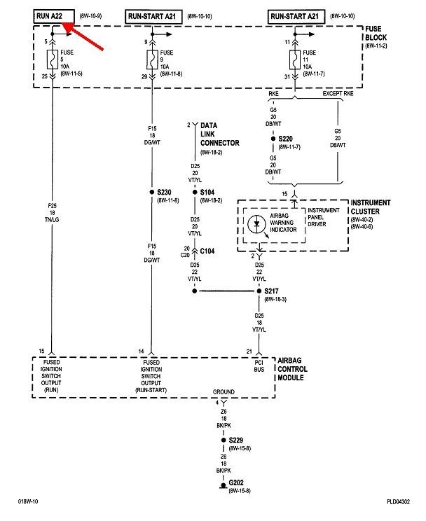
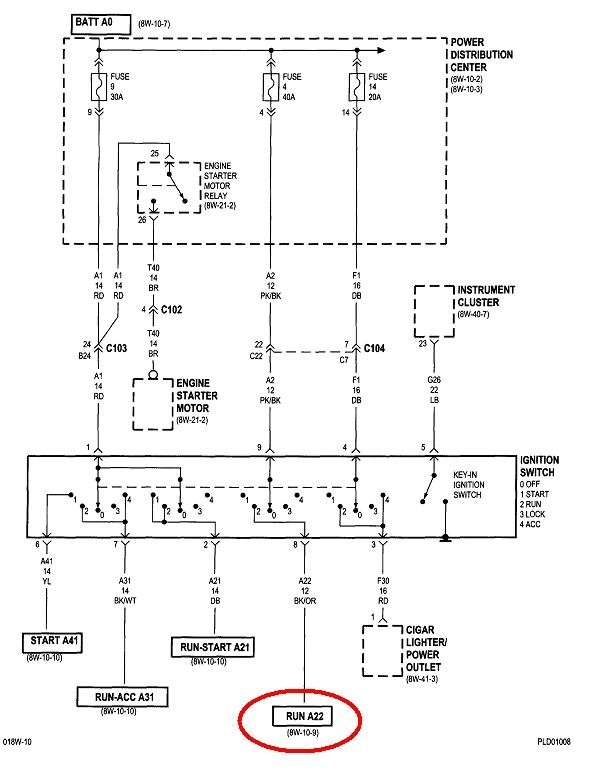
Fast Forward to about 3 months ago. The radiator gives up while driving had the car towed, replaced the whole thing. Magically the error was gone, the AC blew cold air, the defrost worked and the Airbag light was gone.
Now, 3 months later, back to not working again. I'm totally baffled by this, and can't think what would have been done during a radiator repair that would have fixed the electrical circuit.
Thoughts?
Friday, September 27th, 2019 AT 1:12 PM




