I am aware this is a big ask, looking for some direction.
As the title states, I have swapped the 5.0 and PCM from the 98 Explorer (automatic AC) into my 99 Ford ranger (manual AC)
I am going to re-wire my blower motor to work with the ranger fan control but that is about as far as my current electrical diagram reading skills will get me on this matter.
The engine bay fuse box and harness is out of the 98 Explorer, so I have the correct high- and low-pressure sensors, as well as the connector for the AC clutch.
Thanks in advance!
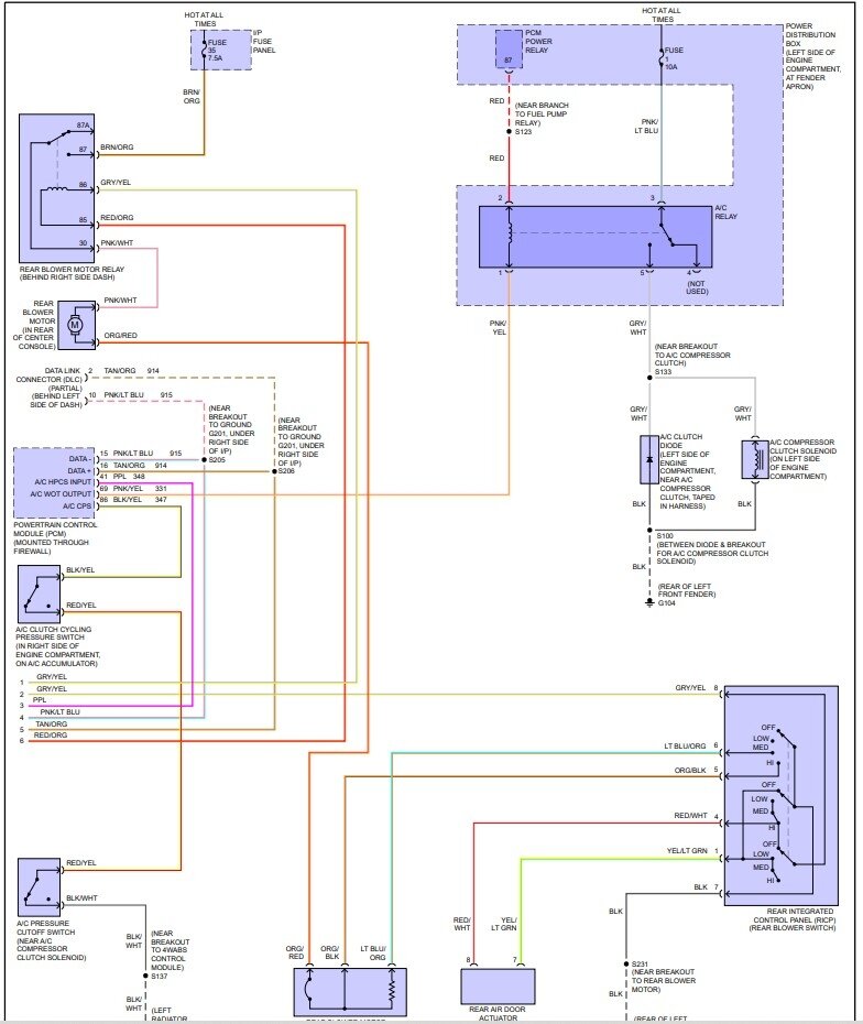
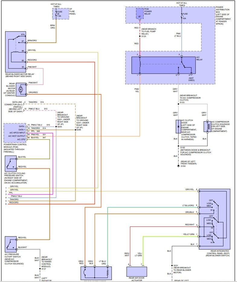
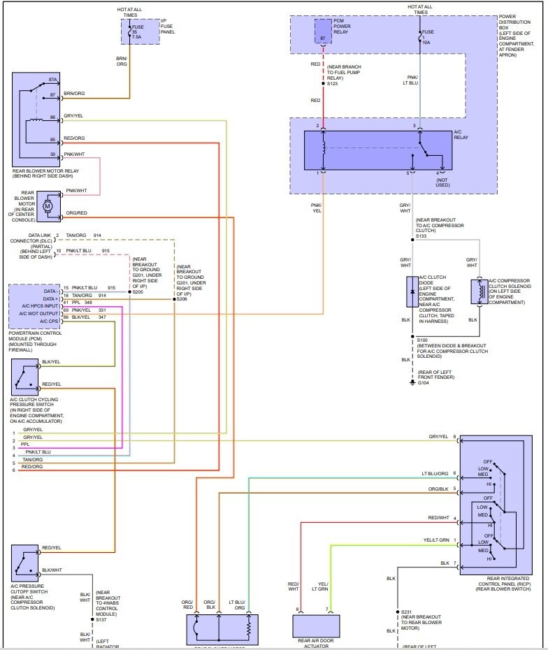
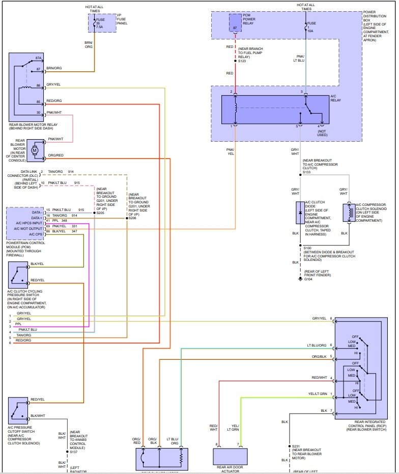
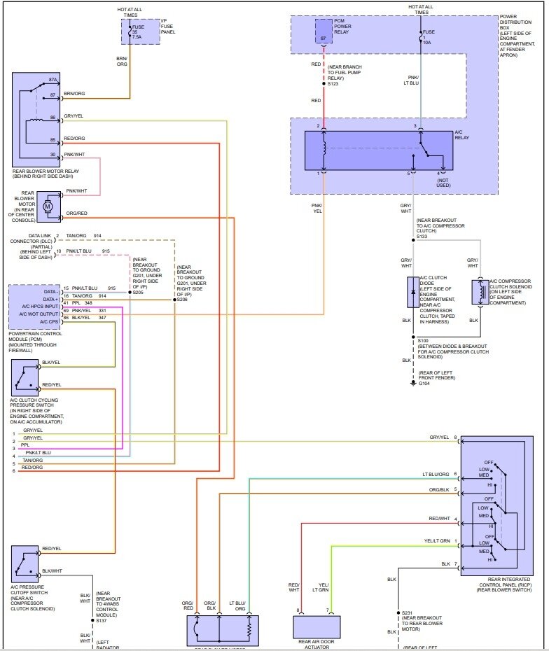
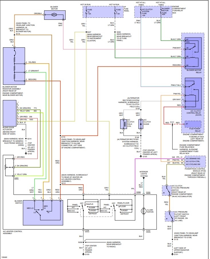
i will try to include screenshots of the diagrams I have available to hopefully be on the same page.
Sunday, April 2nd, 2023 AT 12:01 PM




