Headlights, brake lights and turn signals not working

Tiny
RANDYHUNT1980
  • MEMBER
  • 2003 FORD MUSTANG
  • 3.8L
  • 6 CYL
  • 2WD
  • AUTOMATIC
  • 200,000 MILES
I have replaced the blinker switch and relay and fuses and still have no headlights or blinkers and brake lights do not work.
Thursday, April 19th, 2018 AT 12:40 PM

2 Replies

Tiny
KEN L
  • MASTER CERTIFIED MECHANIC
  • 55,440 POSTS
Hello,

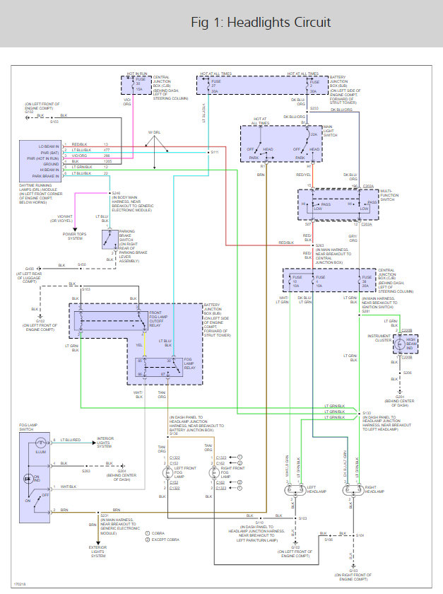
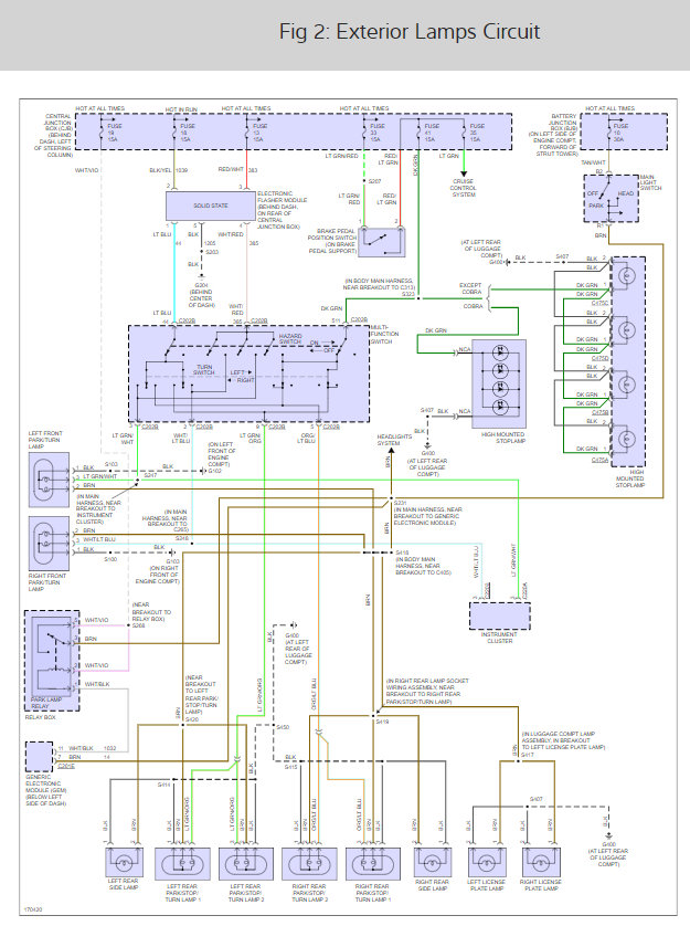
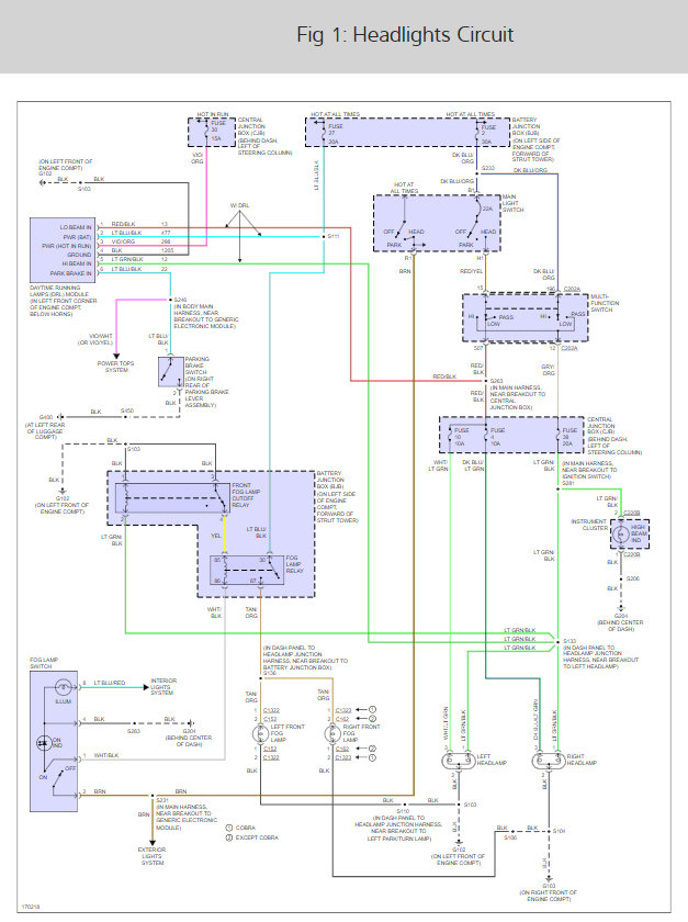
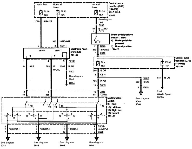
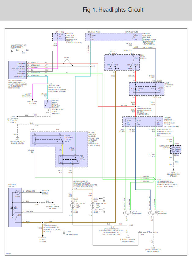
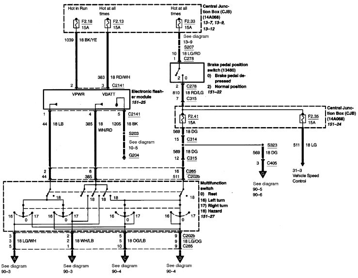
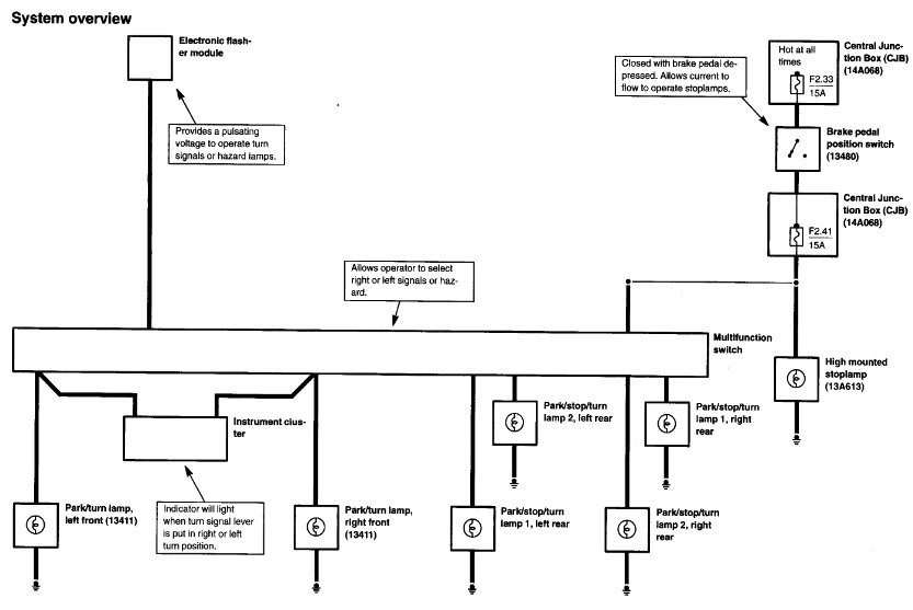
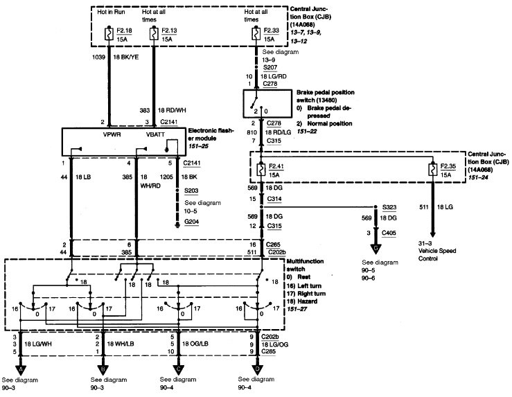
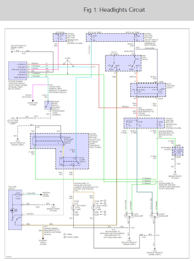
Can you check for power at the fuses 10 and 2 ? Here is a guide and the headlight and blinker wiring diagrams so you can see how it works along with the fuse locations.

https://www.2carpros.com/articles/how-to-use-a-test-light-circuit-tester

We are losing power somewhere please run some tests and get back to me.

Cheers, Ken
Was this
answer
helpful?
Yes
No
Sunday, April 22nd, 2018 AT 11:12 AM
Tiny
CJ MEDEVAC
  • MECHANIC
  • 11,005 POSTS
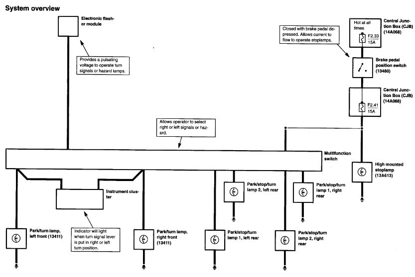
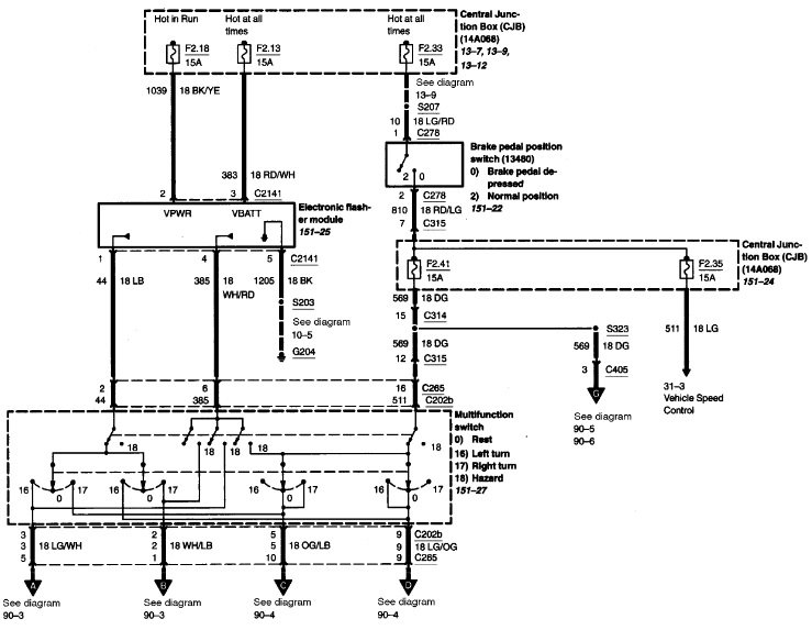
I fell asleep at the computer last night after grabbing a few diagrams from Alldata. Took me a while to find your question again!

Maybe they might aid with what Ken posted for you.

The fuse numbers may be more legible.

The Medic
Was this
answer
helpful?
Yes
No
Sunday, April 22nd, 2018 AT 11:42 AM

Please login or register to post a reply.