Can I get the wiring diagram for the cruise control?

Tiny
MECANICO3
  • MEMBER
  • 2007 FORD EXPEDITION
  • 5.4L
  • V8
  • 2WD
  • AUTOMATIC
  • 156,000 MILES
Need cruise control wiring diagram. Cruise light turns on but not turning on.
Monday, December 16th, 2024 AT 6:27 AM

3 Replies

Tiny
AL514
  • MECHANIC
  • 5,597 POSTS
Hello, we can help with that, but have you had a full code scan done on the entire vehicle, it might show a trouble code stored related to the issue. I know on my vehicle if there are any trouble codes stored in the engine computer it automatically turns off the cruise control. In fact it happen today. Set a code for the Evap system but disabled the Cruise control.
Was this
answer
helpful?
Yes
No
Monday, December 16th, 2024 AT 11:55 AM
Tiny
AL514
  • MECHANIC
  • 5,597 POSTS
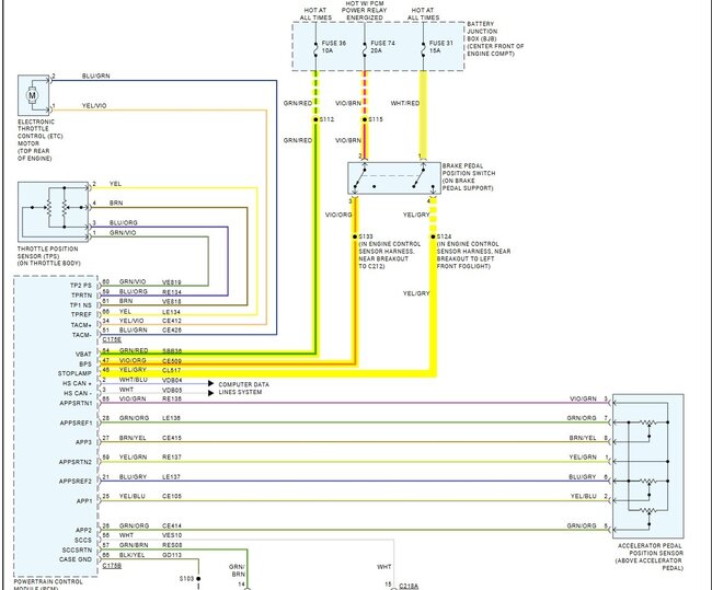
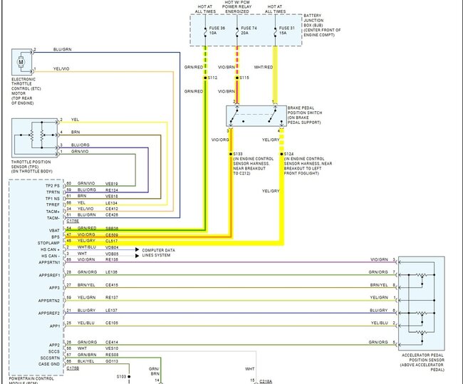
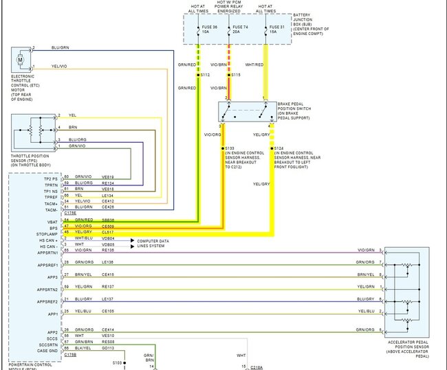
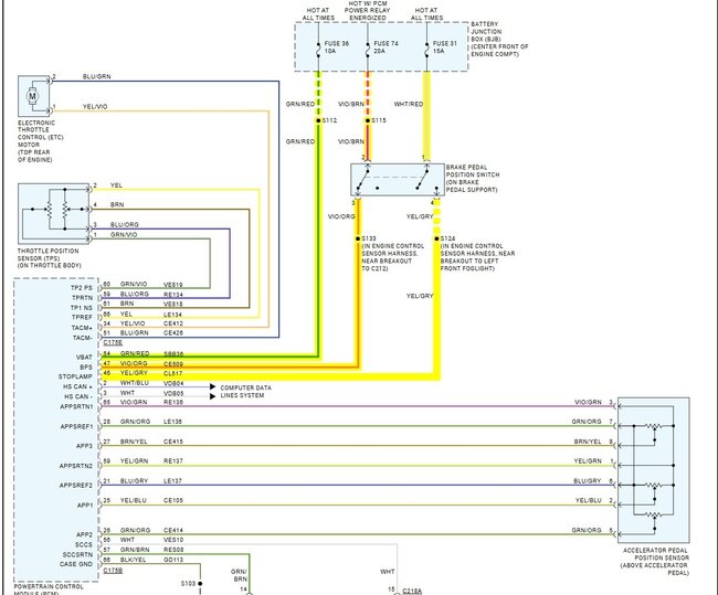
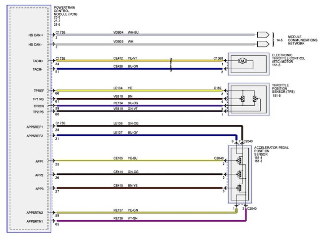
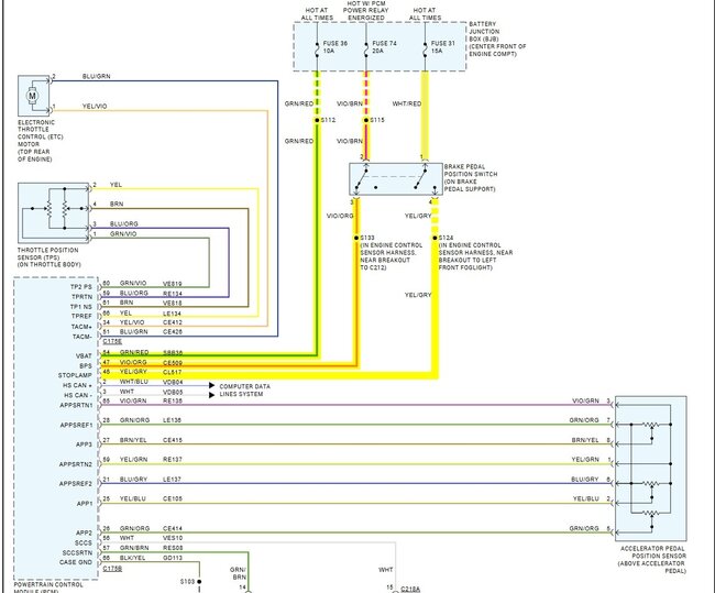
These are the aftermarket Cruise control wiring diagrams to get you started but will post the OEM ones as well.
Was this
answer
helpful?
Yes
No
Monday, December 16th, 2024 AT 11:59 AM
Tiny
AL514
  • MECHANIC
  • 5,597 POSTS
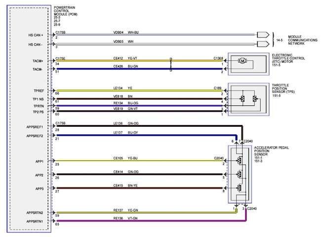
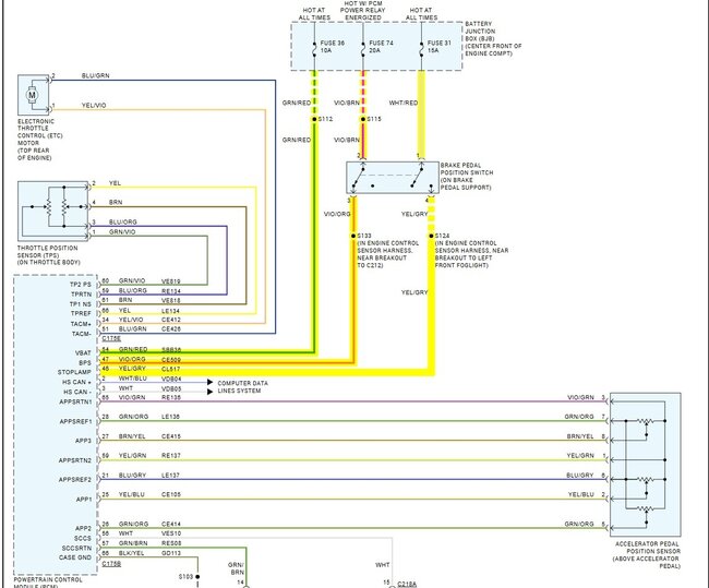
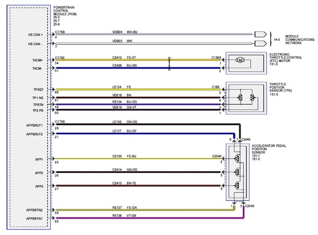
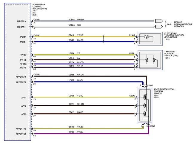
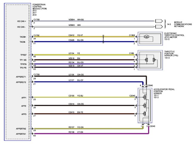
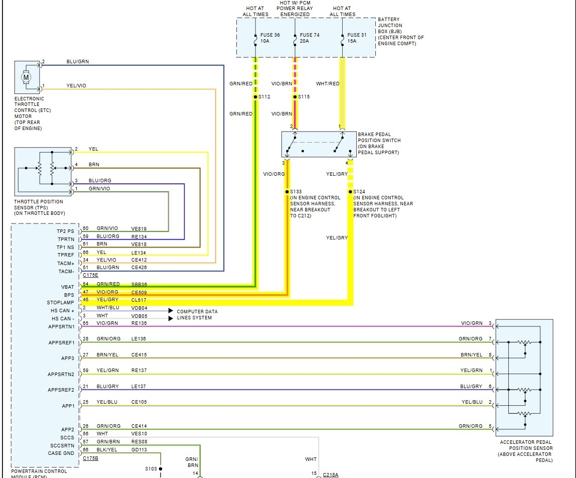
These are Ford OEM diagrams. How do you like the 07?
Was this
answer
helpful?
Yes
No
Monday, December 16th, 2024 AT 12:02 PM

Please login or register to post a reply.