Tuesday, September 27th, 2022 AT 6:05 PM
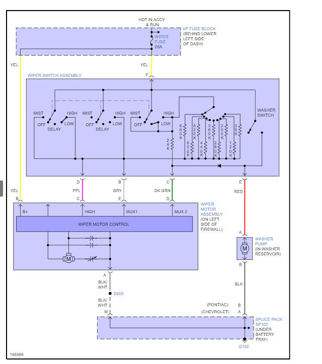
I successfully replaced my fuel pump. Since then, my wipers do not work (though the fluid still pumps) and my head lamps do not work (though the daytime running lights still work).










