Starter turning on while engine is already running

Tiny
NEALSUMMER93
  • MEMBER
  • 2000 FORD MUSTANG
  • 3.7L
  • V6
  • 2WD
  • AUTOMATIC
  • 230,000 MILES
So when I turn on my windshield wipers and my car is running already my starter tries to crank over. Why? I have been banging my head against the wall for days and I just can't figure it out. Watch it be so simple.
Friday, February 19th, 2021 AT 4:56 PM

1 Reply

Tiny
KASEKENNY
  • MECHANIC
  • 18,907 POSTS
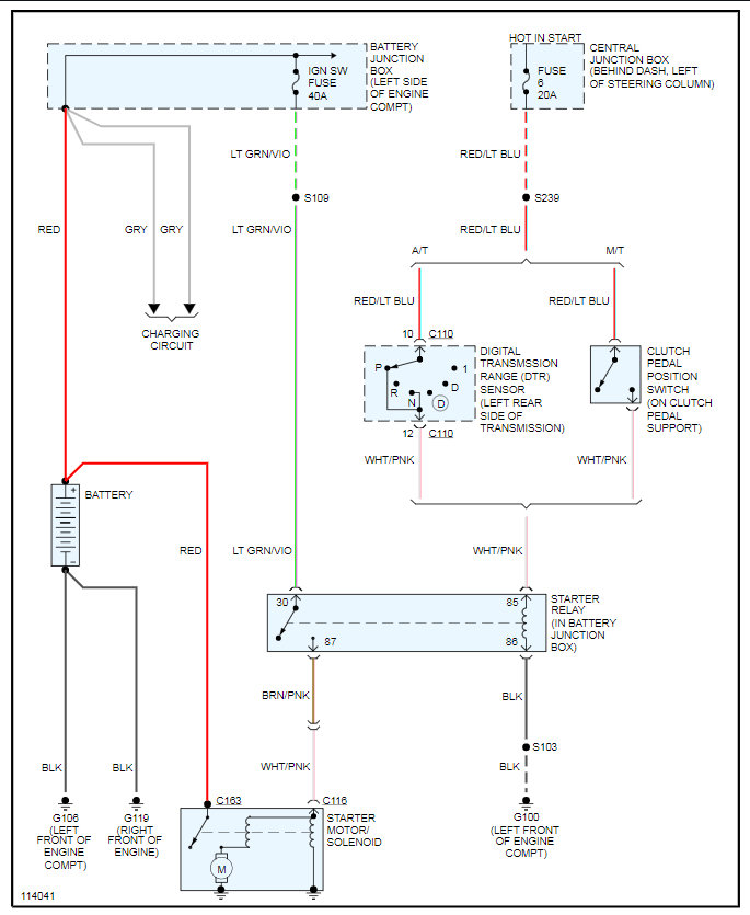
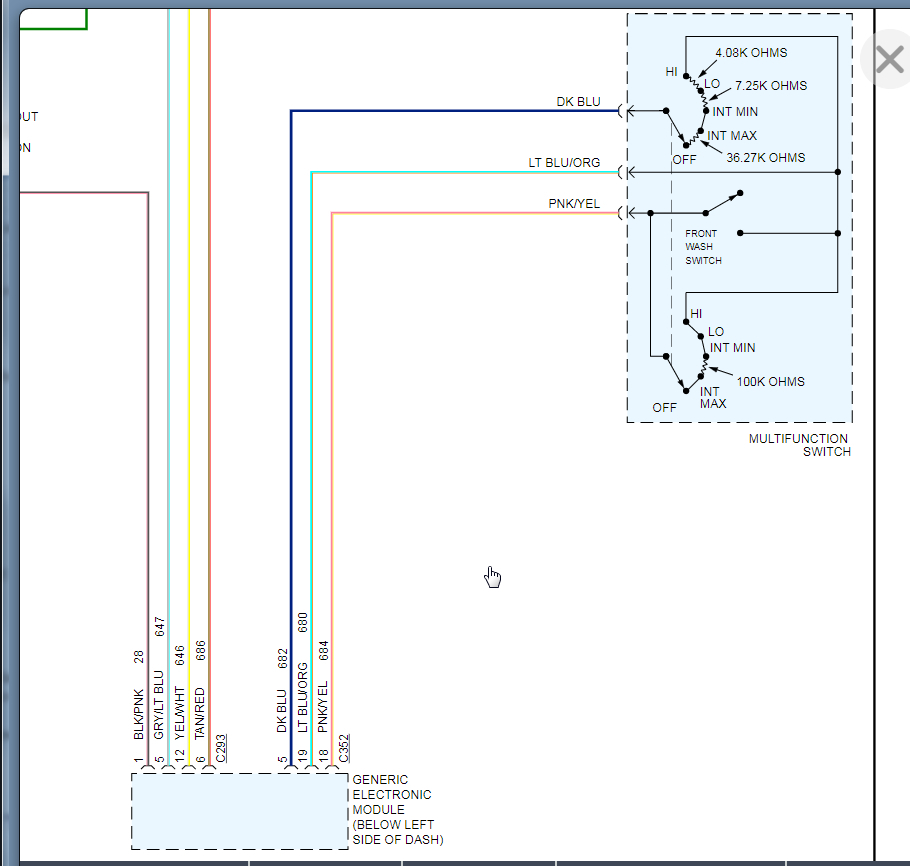
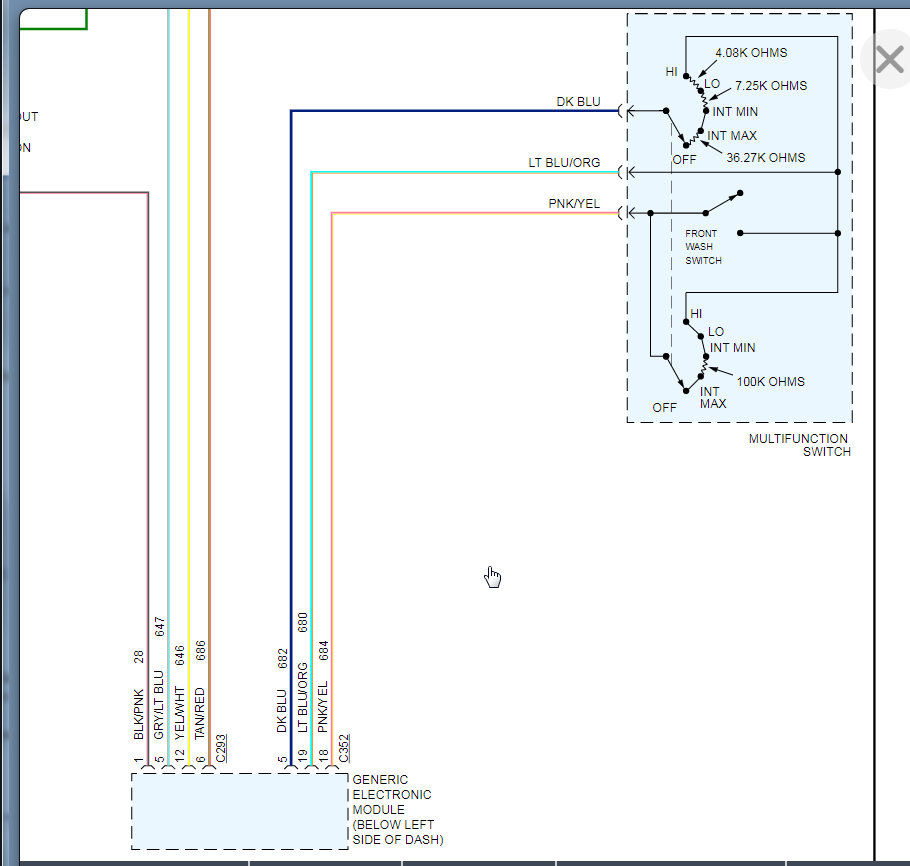
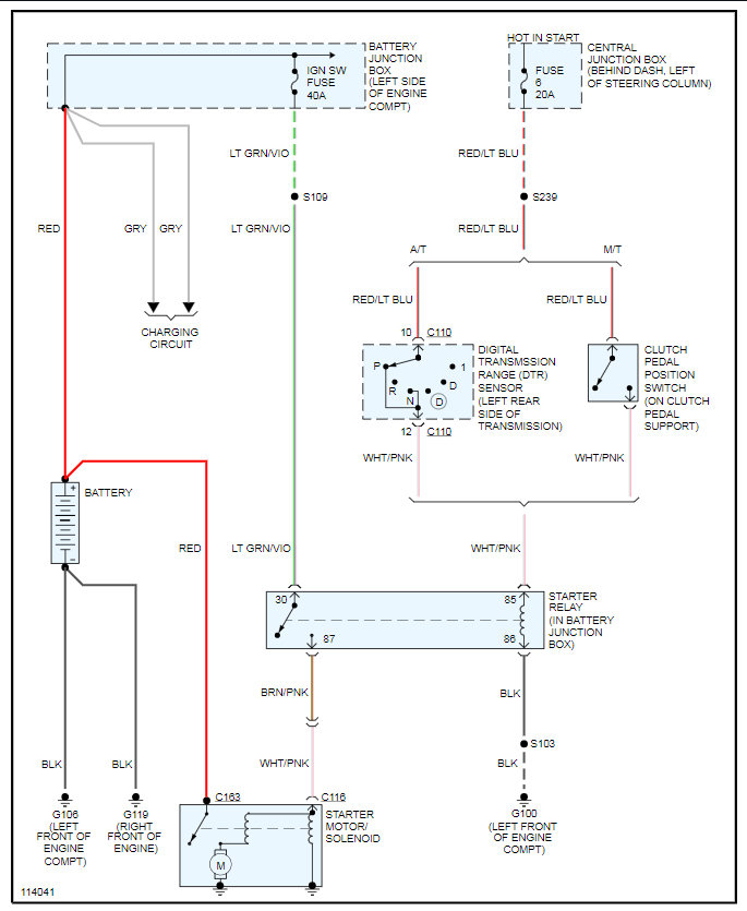
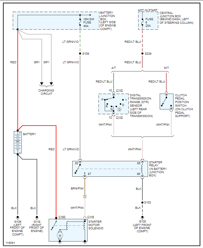
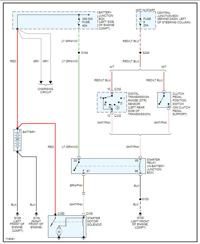
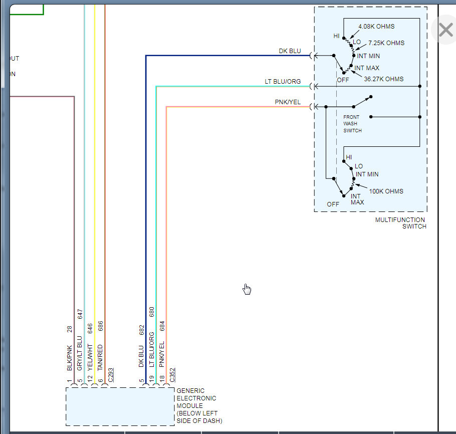
The only way this would happen is if there is a short to power on the starter control relay connected to the switch for the wiper. So we need to test for that. They way to do that is test for resistance or continuity between the white/pink wire at the starter and each of the wires on the multifunction switch.

You do this by putting your meter on ohms and disconnect each of these connectors and touch one lead to the terminal of at the starter, and the other to each of the wires on the connector at the switch. You should have no resistance reading (open circuit which is technically infinite resistance) or no continuity.

https://www.2carpros.com/articles/how-to-use-a-voltmeter

If you do then those two wires are shorted together somewhere. At which point I would just try and run new wires rather then trying to find the spot and repairing it.

Let me know what questions you have. Thanks
Was this
answer
helpful?
Yes
No
Saturday, February 20th, 2021 AT 5:10 PM

Please login or register to post a reply.