After replacing battery and alternator windows and blower motor not working properly

Tiny
TRAVIS HILL
  • MEMBER
  • 2007 KIA SPORTAGE
  • 2.0L
  • 4 CYL
  • 2WD
  • AUTOMATIC
  • 210,000 MILES
So I just had to change my battery and alternator. For some reason now my windows and blower motor work when I turn the rear wiper on. Why?
Wednesday, December 4th, 2019 AT 4:38 PM

1 Reply

Tiny
SCGRANTURISMO
  • MECHANIC
  • 4,897 POSTS
Hello,

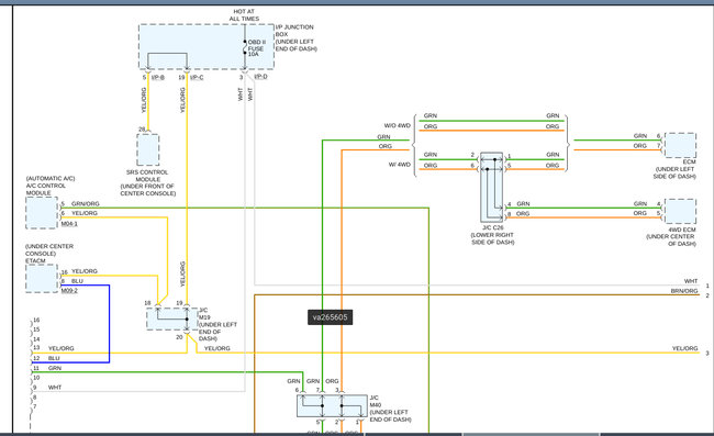
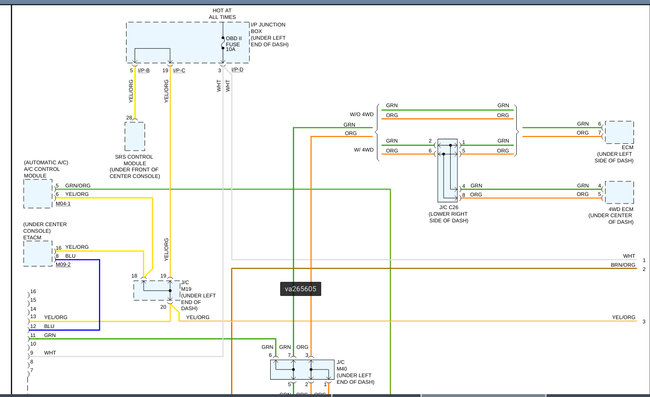
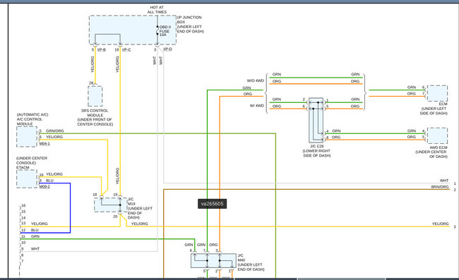
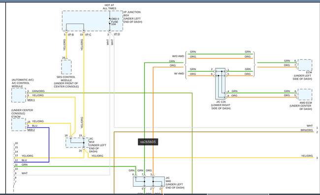
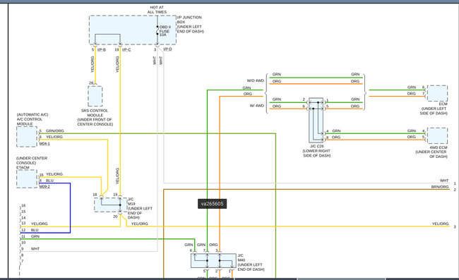
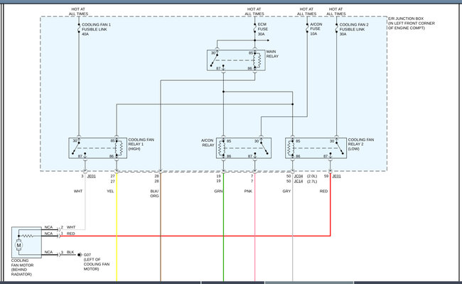
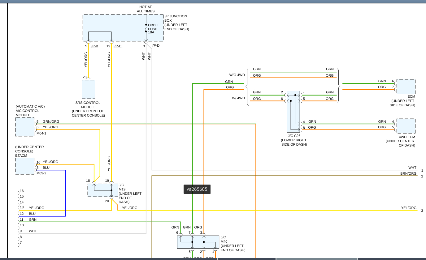
This sounds to me like you have a short to power between the Body Control Module [BCM] which controls the rear window wiper and the windows and your blower motor wiring. In the diagrams down below I have included the wiring diagrams for your vehicle's Computer Data Lines and the Heating Ventilation and Air Conditioning [HVAC] circuits, including the blower motor, for your vehicle. I have also included a guide on how to find a short to ground. You will need to use a Digital Multi-meter [DMM] to use these guides, so here is a link below explaining how to use one, if needed:

https://www.2carpros.com/articles/how-to-use-a-voltmeter

Please go through these guides and get back to us with what you are able to find out.

Thanks,
Alex
2CarPros
Was this
answer
helpful?
Yes
No
Thursday, December 5th, 2019 AT 2:30 AM

Please login or register to post a reply.